Вы здесь
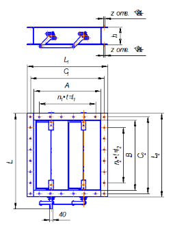
Клапаны пылегазовоздухопроводов прямоугольные 2-осные
Двухосные прямоугольные клапаны предназначены для управления, перекрытия или распределения потоков запылённого воздуха, газов и аэрозольных смесей в системах промышленной вентиляции, аспирации, пневмотранспорта и очистки газов.
Эти клапаны находят широкое применение на предприятиях металлургической, химической, цементной, деревообрабатывающей и других отраслей промышленности.
Конструктивные особенности
- Прямоугольный корпус обеспечивает удобное подключение к воздуховодам нестандартных размеров;
 - Двойной осевой механизм заслонок позволяет более точно регулировать направление и равномерно распределять потоки воздуха или газа;
 - Корпус и заслонки изготавливаются из углеродистой или нержавеющей стали в зависимости от условий эксплуатации;
 - Возможны варианты управления: ручное, пневматическое или электромеханическое;
 - Может устанавливаться как в вертикальном, так и в горизонтальном положении.
 
Преимущества
- Высокая герметичность при полном перекрытии;
 - Устойчивость к агрессивным средам и высоким температурам;
 - Надёжность работы в условиях повышенной запылённости;
 - Простота в обслуживании и ремонте.
 
Область применения
Двухосные клапаны широко используются в системах пылеулавливания, транспортировке сыпучих материалов, вытяжной и приточной вентиляции, газоочистных установках, а также на технологических линиях, где необходимо контролировать потоки загрязнённого воздуха или газа.
Габаритные размеры


			


