Вы здесь
Крановое колесо К2Р-500х110
Представленное крановое двухребордное колесо обладает диаметром катающей поверхности 500 мм и шириной поверхности катания 110 мм. Данные параметры обеспечивают надежный контакт с рельсовым путем и устойчивость грузоподъемного оборудования.
Крановое колесо передвигается посредством механизмов передвижения крана. При нарушении правил монтажа или эксплуатации, в частности, при неверном угле наклона, колеса быстро изнашиваются и приходят в негодность. Это может привести к сходу крана с рельсов и серьезным аварийным ситуациям.
Классификация колес
Колеса для кранов разделяются на несколько видов по количеству реборд:
- Колеса с двумя ребордами (К2Р)
- Колеса с одной ребордой (К1Р)
Все крановые колеса предназначены для удержания крана на рельсовом пути и обеспечения его точного направления движения.
Технология производства и материалы
Заготовки для колес изготавливаются двумя основными способами:
- Методом штамповки или свободной ковки из высококачественной стали 65Г, соответствующей ГОСТ 14959−79.
- Методом литья из сталей 35ГЛ и 45Л, регламентированных ГОСТ 977−88.
Обработка поверхности
Для обеспечения высокой износостойкости и длительного срока службы рабочие поверхности крановых ходовых колес подвергаются термической обработке — процессу сорбитизации. В результате данной процедуры достигается твердость поверхности в диапазоне 300–390 НВ, что оптимально для сопротивления ударным нагрузкам и истиранию.
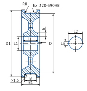
Габариты ходовых крановых колес К2Р-500х110
Колесо крановое двухребордное холостое (ведомое)
Колесо крановое двухребордное приводное (ведущее)
Условное обозначение | D, Диаметр поверхности катания, мм | D1, Диаметр колеса, мм | B, Ширина поверхности катания, мм | B1, Ширина обода, мм | L, Ширина ступицы, мм | L1, Диаметр посадочного отверстия, мм | L2,L3, Размеры шпоночного паза, мм | Масса двухребордного кранового колеса, кг |
К2Р-500x110 | 500 | 550 | 110 | 160 | 140-160 | 108-115 | Уточните | 145 |
Основные технические характеристики К2Р-500х110
Условное обозначение | К2Р-500х110 |
Диаметр поверхности катания, мм | 500 |
Диаметр колеса, мм | 550 |
Ширина поверхности катания, мм | 100 |
Ширина обода, мм | 160 |
Ширина ступицы, мм | 160 |
Вес, кг | 145 |