Шлюзовый питатель ШЗ-150 РЭ 

Шлюзовый питатель ШЗ-150 РЭ предназначен для предотвращения попадания атмосферного воздуха в разгрузочные устройства, а также для удержания газов при выгрузке сыпучих материалов из сушильных и пылеулавливающих систем.

Оборудование устанавливается на выходе из разгрузителей, пневматических установок, фильтров, циклонов и других агрегатов, где давление может отличаться от атмосферного.

Шлюзовый питатель выпускается в климатическом исполнении «У», категория 2 по ГОСТ 15150, и рассчитан на эксплуатацию при температурах от -5° до +45° С.

Комплектность ШЗ-150 РЭ

  • Шлюзовой затвор, собранный в соответствии с конструкторской документацией: 1 шт.
  • Руководство по эксплуатации ШЗ РЭ: 1 шт.
  • Паспорт на мотор-редуктор: 1 шт.

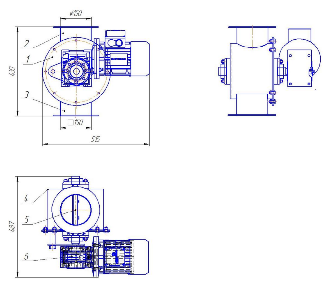
Габаритные размеры и устройство ШЗ-150 РЭ

  1. Фланец;
  2. патрубок загрузки;
  3. патрубок выгрузки;
  4. фланец;
  5. ротор;
  6. мотор редуктор.

Технические характеристики ШЗ-150 РЭ

Пропускная способность, м3 20
Установленная мощность, кВт 1,1
Частота вращения ротора, об/мин, не более 56
Источник электроэнергии 380В, 50 Гц
Габаритные размеры ДхШхВ, мм 520х500х470
Масса, кг 40
Назад к списку