Вы здесь
Виброизоляторы для вентиляторов
Виброизоляторы предназначены для уменьшения вибрационных воздействий, передающихся от вентиляторного оборудования на строительные конструкции. Их использование позволяет снизить уровень шума и механические колебания, оказывающие негативное влияние на окружающее оборудование и персонал.
Сфера применения виброизоляторов определяется нормативным документом СП 51.13330.2011 «Защита от шума», где в пункте 11.21 указано: «…Для исключения распространения повышенного шума в другие помещения здания, агрегаты следует устанавливать на пружинные, резиновые или комбинированные виброизоляторы…».
Требования к монтажу виброизоляторов отражены в СП 73.13330.2012 «Внутренние санитарно-технические системы зданий». В частности:
- При установке радиальных вентиляторов на виброоснования или на жесткое основание, размещенное на фундаменте, необходимо использовать анкерные болты;
- При монтаже на пружинные виброизоляторы необходимо обеспечить равномерную осадку пружин;
- Фиксация виброизоляторов к полу не требуется;
- Если вентилятор монтируется на металлоконструкции, виброизоляторы должны быть закреплены к ним, при этом узлы крепления должны совпадать с элементами рамы вентилятора.
Типы виброизоляторов
- ДО
- ВП
- ВР
Пружинные виброизоляторы типа ДО разработаны на основе серии 3.001-2 ЦНИИ Промзданий от 1978 года. Позднее, для замены некоторых типоразмеров (например, ДО-38, ДО-39, ДО-40, ДО-41), была внедрена серия ВП — аналогичная по техническим характеристикам, но с меньшим расходом металла.
Конструкция пружинного виброизолятора включает в себя цилиндрическую пружину с жестко зафиксированными торцевыми пластинами. Изоляторы типов ДО и ВП рассчитаны на эксплуатацию при температуре до -40°C.
Для облегчения процесса установки и демонтажа вентиляторов рекомендуется использовать монтажные рамы. Рама жестко фиксируется на основании (фундаменте), после чего на неё устанавливается вентилятор с уже закрепленными виброизоляторами. Крепление может выполняться сваркой или болтами.
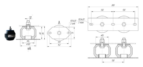
Виброизоляторы серии ВР применяются в системах с взрывозащищёнными вентиляторами. Они изготавливаются из резиновой смеси 51-1562 по ТУ 105 1325-79 и рассчитаны на эксплуатацию при температурах до -25°C. Конструкция состоит из резинового амортизирующего элемента и металлического подпятника, на который надевается втулка. Подпятник поставляется в комплекте.
Рекомендации по эксплуатации
При выборе виброизоляторов следует учитывать различия в технических характеристиках различных моделей, таких как минимальная и максимальная нагрузка, рабочая и предельная нагрузка, высота пружины под нагрузкой и степень её деформации. Эти параметры определены по результатам испытаний производителей.
Если нагрузка отличается от указанной в таблице, деформация (осадка) пружины рассчитывается пропорционально прикладываемой массе.
Габаритные размеры
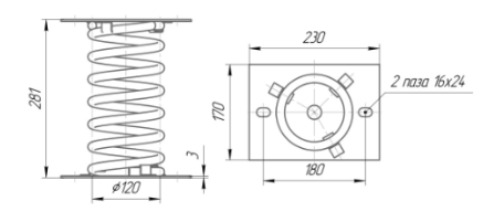
Виброизоляторы типа ДО
ТУ 4863-035-11865045-05
Виброизоляторы типа ВП
ТУ 4863-035-11865045-05
Виброизоляторы типа ВР
ТУ 4863-081-11865045-11
Тип | Нагрузка, кг | Деформация пружины под нагрузкой, мм | d1 | А | В | С | Масса, кг | ||
рабочая | предельная | рабочая | предельная | ||||||
ДО-45 | 380 | 475 | 84,5 | 106 | 16 | 220 | 170 | 180 | 6,45 |
Примечания:
- Деформация (осадка пружин) под нагрузкой, отличающейся от указанной в таблице, применяется пропорционально нагрузке.
- Для виброизоляторов всех типов ДО число витков пружин равно 6,5.
- Для виброизоляторов ДО Н и Н0 даны в свободном состоянии.
Тип | Диапазон нагрузок, кг | Высота пружины под нагрузкой, H, мм | d, мм | d1 | А | В | С | Н | Масса, кг | Взаимозаменяемость с виброизоляторами ДО | ||
min | max | min | max | |||||||||
ВП-10 | 5 | 11 | 61 | 54 | 4 | 8,5 | 130 | 94 | 110 | 67 | 0,485 | ДО-38 |
ВП-30 | 11 | 28 | 5 | 0,527 | ДО-39 | |||||||
ВП-50 | 28 | 56 | 6 | 0,582 | ДО-40, ДО-41 | |||||||
ВП-100 | 53 | 135 | 100 | 75 | - | 12,5х25 | 185 | 104 | 145 | 108 | 1,5 | ДО-42 |
ВП-300 | 133 | 296 | 100 | 83 | - | 12,5х25 | 185 | 104 | 145 | 108 | 1,7 | ДО-43, ДО-44 |
Тип | Нагрузка, кг | Высота, мм | Диаметр D, мм | Деформация под нагрузкой, мм | Масса, кг | ||
рабочая | предельная | рабочая | предельная | ||||
ВР-201 | 25 | 40 | 79 | 78 | 8 | 12 | 1,1 |
ВР-203 | 100 | 160 | 79 | 60 | 8 | 12 | 1,2 |
ВР-203 А | 200 | 320 | - | - | 8 | 12 | 109 |