Вы здесь
Электродвигатель 5А50МА4 220/380В
Электродвигатель модели 5А50МА4 220/380В используется для привода насосов, вентиляторов, дымососов и других устройств, где не требуется регулирование скорости вращения.
Трехфазные асинхронный двигатель с короткозамкнутым ротором серии 5А50МА4 производятся согласно техническим условиям ТУ 3300-002-00239942-99.
Данный двигатель выполнен в классическом исполнении закрытого типа с обдувом, обеспечиваемым встроенным центробежным вентилятором.
Предназначен для эксплуатации как в закрытых помещениях, так и на открытых площадках при длительных режимах работы.
В комплект поставки входит:
- Электродвигатель - 1шт;
- Паспорт - 1шт.
Технические характеристики 5А50МА4 220/380В
| Исполнение | IM3681, IM3081, IM2181, IM2081, IM1081 |
| Мощность потребляемая, кВт | 0.06 |
| Средняя наработка до отказа, часы | 20000 |
| Масса, кг | 3 |
| Номинальное напряжение, В | 220/380 |
| Номинальный входной ток, А | 0.9/0.53 |
| Частота вращения, об/мин | 1380 |
| Гарантия | 36 месяцев со дня отгрузки с завода, 30 месяцев с момента ввода в эксплуатацию |
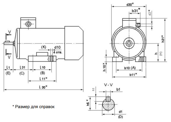
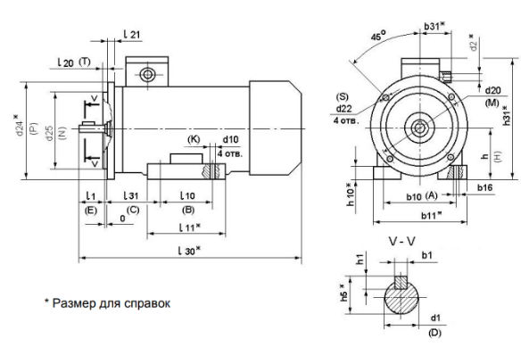
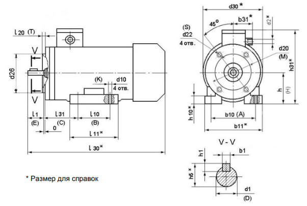
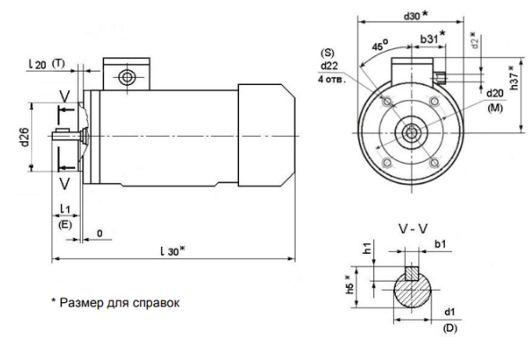
Исполнения 5А50МА4
IM1081 - на лапах

IM2081– на лапах с фланцем

IM2181 – на лапах с малым фланцем. Исполнительные размеры малого фланца FT55, FT65, FT75 с резьбовыми крепежными отверстиями М5;

IM3081 – без лап с фланцем

IM3681 – без лап с малым фланцем.




