Вы здесь
Асинхронный двигатель 4АМХ90L4У3
Электродвигатель 4АМХ90L4У3 предназначен для привода общепромышленных механизмов и работают от сети переменного тока напряжением 380 В частотой 50 и 60 Гц.
Изготовляются для внутригосударственных и экспортных поставок.
Конструктивные исполнения двигателей по способу монтажа IМ1081, IМ1082, IМ2081, IМ2082, IМ2181, IМ2182, IМ3081, IМ3082, IМ3681, IМ3682.
Особенности электродвигателя 4АМХ90L4У3
- Способ охлаждения двигателей 1С0141 по ГОСТ 20459-87;
- Изоляция класса нагревостойкости В по ГОСТ 8865-87. Превышение температуры обмотки статора не более 80°С;
- Для двигателей климатического исполнения Т1 изоляция класса нагревостойкости F. Превышение температуры обмотки статора не более 90°С;
- Номинальный режим работы двигателей продолжительный (S1) по ГОСТ 183-74.
Конструкция электродвигателя 4АМХ90L4У3
- Двигатель состоит из статора, ротора, переднего и заднего подшипниковых узлов, вентилятора и коробки выводов.
- Статор состоит из станины, изготовленной из чугуна и алюминия, в которую запрессован сердечник статора с обмоткой.
- Станина имеет наружные радиально-ориентированные ребра, увеличивающие поверхность теплоотдачи. Сердечник статора собирается из листов электротехнической стали.
- Обмотка статора всыпная, состоит из медного эмалированного провода.
- Обмотка в пазах изолируется от магнитопровода с помощью изоляционных прокладок с дальнейшей пропиткой лаком.
- Ротор представляет собой сердечник, насаженный на вал. Короткозамкнутая обмотка ротора выполнена из алюминия.
- На сердечнике ротора для перемешивания воздуха внутри двигателя имеются лопатки.
- Передний подшипниковый узел состоит из подшипникового щита, подшипника и двух кольцевых волнистых пружин.
- Подшипниковые щиты выполнены литыми из чугуна.
- Задний подшипниковый узел аналогичен переднему.
- Вентилятор выполнен многолопастным, тарельчатой формы и устанавливается на валу двигателя. Изготовляется из пластмассы.
- Кожух вентилятора выполнен из листовой стали.
- Коробка выводов располагается сверху и состоит из корпуса, крышки, основания, штуцера для уплотнения ввода кабеля и панели зажимов. Корпус коробки можно разворачивать на 180°.
- Коробка выводов имеет два конструктивных исполнения К-3-I (с панелью выводов и одним штуцером) и К-3-II (с панелью выводов и двумя штуцерами).
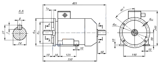
Габаритные размеры электродвигателя 4АМХ90L4У3
Монтажное исполнение | Размеры, мм | ||||
d20 | d22 | d24 | d25 | l20 | |
IM2081, IM2082, IM3081, IМ3082 | 215 | 15 | 250 | 180 | 4 |
IM2181, IM2182, IM3681, IМ3682 | 130 | М8 | 160 | 110 | 3,5 |
Технические характеристики 4АМХ90L4У3
Типоисполнение | Мощность, кВт | Синхронная частота вращения, мин-1 | КПД, % | соs j | Скольжение, % | Mmax Mном | Mпуск Mном | Mmin Mном | Iпуск Iном |
4АМХ90L2 | 3,00 | 3000 | 84,5 | 0,88 | 6 | 2,2 | 2,0 | 1,2 | 6,5 |
4АМХ90L4 | 2,20 | 1500 | 80,0 | 0,83 | 2,4 | 1,6 | 6,0 | ||
4АМХ90L6 | 1,5 | 1000 | 75,0 | 0,74 | 2,2 | 5,5 | |||
4АМХ90LА8 | 0,75 | 750 | 77,0 | 0,66 | 7 | 1,7 | 1,6 | 1,2 | 3,5 |
4АМХ90LВ8 | 1,10 | 750 | 72,0 | 0,70 |