Вы здесь
Дисковые тормоза H2SP
Электромагнитные дисковые тормоза постоянного тока с пружинным включением, электромагнитным отпуском, типа H2SP , предназначены для торможения вращающихся частей машин и их точного позиционирования.
Высокая повторяемость, также при большом числе включений.
Тормоза характеризуются простотой конструкции, возможностью питания от источника переменного тока, после присоединения выпрямителя, поставляемого по желанию получателя вместе с тормозом.
Дополнительным достоинством является стабильная работа – что является особенно важным, когда устройство имеет несколько приводов.
Конструкция тормоза гарантирует простой монтаж без проблем.
Предлагаются разные опции исполнения с разным оснащением, питанием тормоза, для различных климатических условий, что позволяет выбрать опцию соответствующую индивидуальным потребностям пользователя.
Тормоза предназначены для торможения вращающихся частей машин, а их задачей является:
- аварийное торможение для обеспечения функций безопасности привода;
- обеспечение неподвижности исполнительных механизмов машин при выполнении функции их позиционирования;
- сведение до минимума вращения по инерции приводов;
- электродвигатель вместе с установленным тормозом образует авто-тормозящийся приводной узел, соответствующий требованиям по безопасности использования и позиционирования привода.
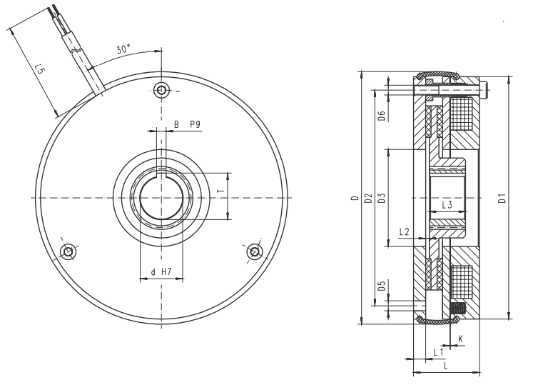
Габаритные размеры дисковых тормозов H2SP


Технические характеристики дисковых тормозов H2SP




