Вы здесь
Электродвигатель АДЧР 200М4У3-IМ2081-1-В3
Электродвигатель АДЧР 200М4У3-IМ2081-1-В3 предназначен для работы от преобразователя частоты в различных отраслях про- 5 мышленности, в составе одиночного и (или) группового частотно-регулируемого электропривода или от сети переменного тока в режиме S1-S9 по ГОСТ Р 52776 частоты 50 Гц и 60 Гц.
Электродвигатель отвечает требованиям потребителя в части универсального применения, высоких технических данных, обеспечения требований защиты окружающей среды, эксплуатационной надежности.
Используется в составе ЧРП при продолжительной работе во всех диапазонах рабочих скоростей.
Ограничения по применению: т.к. датчик скорости/положения в данной модификации отсутствует, то максимальная глубина регулирования с преобразователем частоты может составлять 1:10, при применении специальных типов инверторов до 1:20…40.
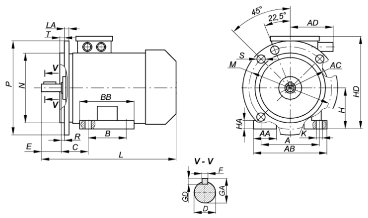
Габаритные размеры АДЧР 200М4У3-IМ2081-1-В3
Тип Двигателя | Число полюсов | Габаритные размеры (для всех монтажных и конструктивных исполнений), мм | |||||
IC 416 (независ. вентиляция) | IC 411 | ||||||
В | ДВ | ТВ | ТДВ | Т | О | ||
L | L | L | L | L | L | ||
АДЧР 200M | 2 | 855/915 | 855/915 | 925/985 | 985/1045 | 865 | 735 |
4, 6, 8 | 885/ 945 | 885/ 945 | 955/1015 | 1015/1075 | 895 | 765 |
Тип Двигателя | Число полюсов | Габаритные и установочно-присоединительные размеры (для всех монтажных и конструктивных исполнений), мм | ||||||||||||||||
AC | AD | HD | H | E | C | B | A | K | BB | AB | AA | HA | D | F | GD | GA | ||
АДЧР 200M | 2 | 410 | 210 | 495 | 200 | 110 | 133 | 267 | 318 | 19 | 337 | 395 | 90 | 25 | 55 | 16 | 10 | 59 |
4, 6, 8 | 140 | 60 | 18 | 11 | 64 |
Тип двигателя | Номер фланца | Размеры фланцев, мм. | ||||||||
LA | T | R | N | M | P | S | 45° | 22.5° | ||
АДЧР 200 | FF400 | 20 | 5 | 0 | 350 | 400 | 450 | 19 | -- | 22,5° 8 отв. |
Технические характеристики АДЧР 200М4У3-IМ2081-1-В3
Типоразмер двигателя | Номинальные параметры | ||||||||||
Мощность, кВт | Скорость, об/мин | Ток, А при 380В | Момент, Нм | S, % | КПД, % | Cosφ | Ммакс/Мном | Мпуск/Мном | Iпуск/Iном | Дин. момент инерции ротора кг*м 2 | |
АДЧР200М4 | 37 | 1500 | 71,9 | 240 | 2,1 | 92,0 | 0,85 | 2,5 | 2,4 | 6,7 | 0,27 |
Типоразмер двигателя | Номинальные параметры | |
Максимальная скорость, об/мин | Дин. момент инерции ротора кг*м 2 | |
АДЧР200М4 | 4500 | 0,27 |