Вы здесь
Электродвигатель АДН 630
Электродвигатель АДН 630 предназначен для привода механизмов (насосы, вентиляторы, и др.).
Двигатель предназначен для работы от сети переменного тока частотой 50Гц, напряжением 6000В и 10000В.
Особенности АДН 630
- Допускает работу от преобразователя частоты в режиме;
- Вид климатического исполнения: У3, УХЛ4;
- Конструктивное исполнение по способу монтажа: IM1001;
- Способ охлаждения: IC01;
- Направление вращения: левое и правое;
- Двигатели изготавливаются на подшипниках качения;
- Смазка подшипников - консистентная;
- Изоляционные материалы обмотки статора класса нагревостойкости «F»;
- Изоляция обмотки статора- термореактивная типа «Монолит-2».
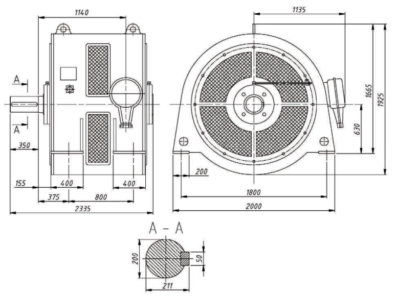
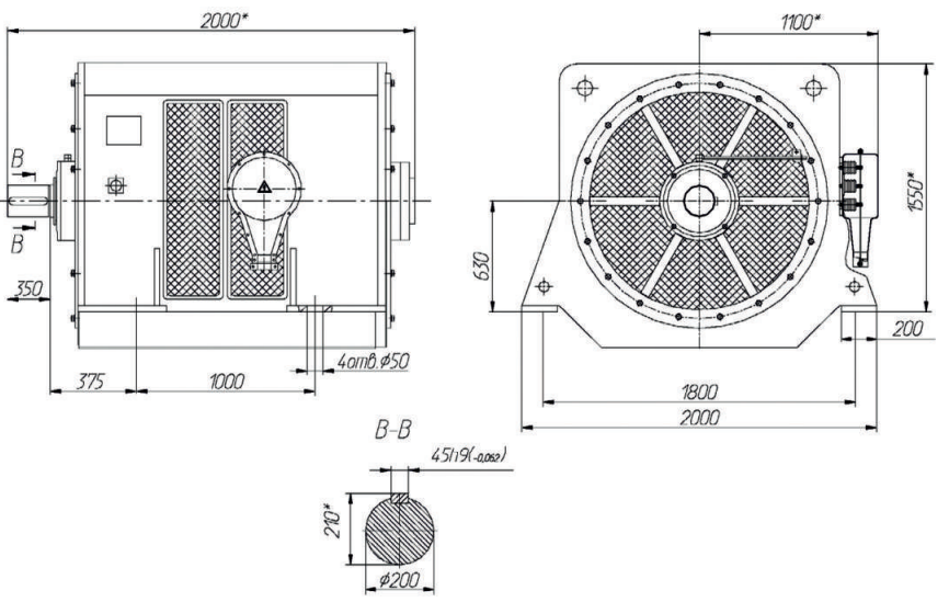
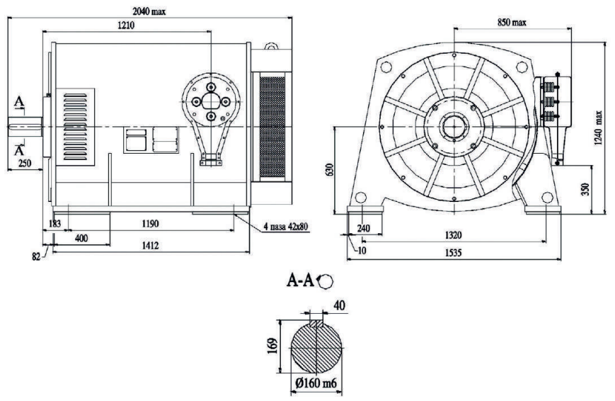
Габаритные размеры АДН 630
АДН-630L-6
АДН-30L-12
АДН-630L-16
Технические характеристики АДН 630
Типоразмер | Мощность, кВт | Напряжение, В | Частота вращения (синхр.), об/мин. | КПД,% | Cos φ | Момент инерции двигателя, кг*м² | Масса, кг |
АДН-630L-6 | 1600 | 6000 | 1000 | 96,2 | 0,86 | 85 | 5800 |
АДН-630L-6Д | 10000 | 96,0 | 104 | 6000 | |||
АДН-630LA-6 | 2000 | 6000 | 96,4 | 121 | 7850 | ||
АДН-630LA-6Д | 10000 | 96,2 | 163 | 8000 | |||
АДН-630LB-6 | 2500 | 6000 | 96,5 | 0,87 | 180 | 8500 | |
АДН-630LB-6Д | 10000 | 96,4 | 195 | 8850 | |||
АДН-630L-12 | 1000 | 6000 | 500 | 95,5 | 0,78 | 206 | 7700 |
АДН-630L-12Д | 10000 | 95,3 | 215 | 7900 | |||
АДН-630LA-12 | 1250 | 6000 | 95,8 | 247 | 8150 | ||
АДН-630LA-12Д | 10000 | 95,6 | 260 | 8300 | |||
АДН-630LA-12 | 1600 | 6000 | 96,2 | 0,79 | 280 | 8500 | |
АДН-630LA-12Д | 10000 | 96,0 | 0,79 | 295 | 8750 | ||
АДН-630L-16 | 500 | 6000 | 375 | 94,5 | 0,78 | 390 | 5900 |
АДН-630L-16 | 10000 | 94,1 | 0,78 | 6100 |