Вы здесь
Электродвигатели серии 4ВР
Асинхронные электродвигатели 4ВР с короткозамкнутым ротором разработаны специально для использования в составе подъёмно-транспортного оборудования. Они предназначены для привода кранов, лебёдок, механизмов перемещения и другой техники, работающей в интенсивных и тяжёлых условиях.
Технические параметры
- Тип двигателя: асинхронный, с короткозамкнутым ротором
- Диапазон мощности: от 0,8 до 45 кВт
- Рабочее напряжение: 380 В
- Частота сети: 50 Гц
- Скорость вращения: от 500 до 1500 об/мин
- Класс защиты: IP44 или IP54
- Климатическое исполнение: У, Т (по ГОСТ 15150)
- Режим работы: повторно-кратковременный (S3, S4)
- Способ установки: вертикальный, возможен фланцевый монтаж
Преимущества электродвигателей 4ВР
- Высокий пусковой момент — обеспечивает уверенный старт даже при тяжёлых нагрузках
- Компактный корпус — легко встраивается в ограниченное пространство оборудования
- Реверсивный режим — устойчив к частым пускам и торможениям
- Повышенная теплостойкость — стабильно работает при перегрузках
- Универсальность в установке — подходит как для закрытых помещений, так и для уличной эксплуатации
Где применяются двигатели 4ВР
Эти электродвигатели находят применение в оборудовании, где важна надёжность и устойчивость к тяжёлым нагрузкам:
- Подъёмные механизмы (краны всех типов, тали, лебёдки)
- Грузоподъёмные и перемещающие устройства
- Приводы редукторов
- Конвейерные линии и транспортные системы
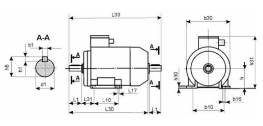
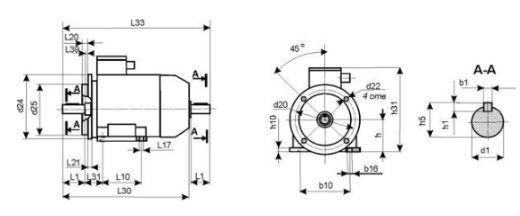
Габаритные размеры 4ВР
Исполнение IM108X

Исполнение IM208X (IM308X)

| Размеры, мм | 4ВР63 | 4ВР71 | 4ВР80А(В) | 4ВР90L | 4ВР100S(L) | 4ВР112 | 4ВР132S(М) | |
| L1 | 30 | 40 | 50 | 50 | 60 | 80 | 80 | |
| L10 | 80 | 90 | 100 | 125 | 112 (140) | 140 | 140 (178) | |
| L17 | 7 | 7 | 10 | 10 | 12 | 12 | 12 | |
| L20 | IM2081 | 3,5 | 3,5 | 3,5 | 4 | 4 | 4 | 5 |
| IM3081 | ||||||||
| L21 | 10 | 10 | 10 | 12 | 14 | 15 | 19 | |
| L30 | 237 | 272,5 | 296,5 (320,5) | 337 | 360 (391) | 433 | 463 (501) | |
| L31 | 40 | 45 | 50 | 56 | 63 | 70 | 89 | |
| L33 | 263 | 316,5 | 350,0 (374,0) | 390 | 424,0 (455,0) | 516 | 546,0 (584,0) | |
| L39 | 0 | 0 | 0 | 0 | 0 | 0 | 0 | |
| b1 | 5 | 6 | 6 | 8 | 8 | 10 | 10 | |
| b10 | 100 | 112 | 125 | 140 | 160 | 190 | 216 | |
| b16 | 10 | 10 | 12 | 12 | 16 | 16 | 16 | |
| b30 | 135 | 160 | 180 | 200 | 226 | 250 | 287 | |
| h | 63 | 71 | 80 | 90 | 100 | 112 | 132 | |
| h1 | 5 | 6 | 6 | 7 | 7 | 8 | 8 | |
| h5 | 16 | 21,5 | 24,5 | 27 | 31 | 35 | 41 | |
| h10 | 8 | 8 | 9 | 10 | 12 | 14 | 16 | |
| h31 | 161 | 188 | 204,5 | 230 | 246,5 | 270 | 309 | |
| d1 | 14 | 19 | 22 | 24 | 28 | 32 | 38 | |
| d20 | IM2081 | 130 | 165 | 165 | 215 | 215 | 265 | 300 |
| IM3081 | ||||||||
| d22 | IM2081 | 10 | 12 | 12 | 15 | 15 | 15 | 19 |
| IM3081 | ||||||||
| d24 | IM2081 | 160 | 200 | 200 | 250 | 250 | 300 | 350 |
| IM3081 | ||||||||
| d25 | IM2081 | 110 | 130 | 130 | 180 | 180 | 230 | 250 |
| IM3081 | ||||||||
| Масса, кг | 9,9 | 15,6 | 21,2 | 24 | 32,6 | 52,4 | 87,2 | |
Технические характеристики 4ВР
| Тип | Электрические параметры | |||||||
| Р, кВт | Частота вращения, об/мин | КПД, % | cos j | Iп/Iн | Мп/Мн | Мmax/Мн | Мmin/Мн | |
| 4ВР63А2 | 0,37 | 2730 | 72 | 0,84 | 5 | 2,2 | 2,2 | 1,8 |
| 4ВР63В2 | 0,55 | 2730 | 75 | 0,81 | 5 | 2,2 | 2,2 | 1,8 |
| 4ВР63А4 | 0,25 | 1320 | 65 | 0,67 | 5 | 2,2 | 2,2 | 1,8 |
| 4ВР63В4 | 0,37 | 1320 | 68 | 0,7 | 5 | 2,2 | 2,2 | 1,8 |
| 4ВР63А6 | 0,18 | 860 | 56 | 0,62 | 4 | 2,2 | 2,2 | 1,6 |
| 4ВР63В6 | 0,25 | 860 | 59 | 0,62 | 4 | 2,2 | 2,2 | 1,6 |
| 4ВР71А2 | 0,75 | 2820 | 79 | 0,8 | 6 | 2,6 | 2,7 | 1,6 |
| 4ВР71А2 | 0,75 | 2820 | 79 | 0,8 | 6 | 2,6 | 2,7 | 1,6 |
| 4ВР71В2 | 1,1 | 2800 | 79,5 | 0,8 | 6 | 2,2 | 2,4 | 1,6 |
| 4ВР71А4 | 0,55 | 1360 | 71 | 0,71 | 5 | 2,3 | 2,4 | 1,8 |
| 4ВР71В4 | 0,75 | 1350 | 72 | 0,75 | 5 | 2,5 | 2,6 | 2,4 |
| 4ВР71А6 | 0,37 | 900 | 65 | 0,63 | 4,5 | 2,1 | 2,2 | 1,6 |
| 4ВР71В6 | 0,55 | 920 | 69 | 0,68 | 4,5 | 1,9 | 2,2 | 1,6 |
| 4ВР71В8 | 0,25 | 680 | 58 | 0,6 | 4 | 1,6 | 1,9 | 1,4 |
| 4ВР80А2 | 1,5 | 2880 | 82 | 0,85 | 6,5 | 2,2 | 2,6 | 1,8 |
| 4ВР80В2 | 2,2 | 2860 | 83 | 0,87 | 6,4 | 2,1 | 2,6 | 1,8 |
| 4ВР80А4 | 1,1 | 1420 | 76,5 | 0,77 | 5 | 2,2 | 2,4 | 1,7 |
| 4ВР80В4 | 1,5 | 1410 | 78,5 | 0,8 | 5,3 | 2,2 | 2,4 | 1,7 |
| 4ВР80А6 | 0,75 | 920 | 71 | 0,71 | 4 | 2,1 | 2,2 | 1,6 |
| 4ВР80В6 | 0,1 | 920 | 75 | 0,71 | 4,5 | 2,2 | 2,3 | 1,8 |
| 4ВР80А8 | 0,37 | 680 | 58 | 0,59 | 3,5 | 2 | 2,3 | 1,4 |
| 4ВР80В8 | 0,55 | 680 | 58 | 0,6 | 3,5 | 2 | 2,1 | 1,4 |
| 4ВР90L2 | 3 | 2860 | 83,5 | 0,88 | 7 | 2,3 | 2,6 | 1,7 |
| 4ВР90L4 | 2,2 | 1430 | 80 | 0,79 | 6 | 2 | 2,4 | 2 |
| 4ВР90L4 | 1,5 | 940 | 76 | 0,7 | 5 | 2 | 2,3 | 1,9 |
| 4ВР90LА8 | 0,75 | 700 | 70 | 0,71 | 4 | 1,5 | 2 | 1,5 |
| 4ВР90LВ8 | 1,1 | 710 | 74 | 0,72 | 4,5 | 1,5 | 2,2 | 1,5 |
| 4ВР100S2 | 4 | 2850 | 87 | 0,88 | 7,5 | 2 | 2,4 | 1,6 |
| 4ВР100L2 | 5,5 | 2850 | 88 | 0,88 | 7,5 | 2,1 | 2,4 | 1,6 |
| 4ВР100S4 | 3 | 1410 | 82 | 0,82 | 7 | 2 | 2,2 | 1,6 |
| 4ВР100L4 | 4 | 1410 | 85 | 0,84 | 7 | 2,1 | 2,4 | 1,6 |
| 4ВР100L6 | 2,2 | 940 | 81,5 | 0,74 | 6 | 1,9 | 2,2 | 1,6 |
| 4ВР100L8 | 1,5 | 710 | 76 | 0,75 | 3,7 | 1,6 | 2 | 1,5 |
| 4ВР112М2 | 7,5 | 2900 | 87,5 | 0,88 | 7,5 | 2 | 2,2 | 1,6 |
| 4ВР112М4 | 5,5 | 1430 | 85,5 | 0,86 | 7 | 2 | 2,5 | 1,6 |
| 4ВР112МА6 | 3 | 950 | 81 | 0,76 | 6 | 2 | 2,2 | 1,6 |
| 4ВР112МВ6 | 4 | 950 | 82 | 0,81 | 6 | 2 | 2,2 | 1,6 |
| 4ВР112МА8 | 2,2 | 700 | 76,5 | 0,71 | 6 | 1,8 | 2,2 | 1,4 |
| 4ВР112МВ8 | 3 | 700 | 79 | 0,74 | 6 | 1,8 | 2,2 | 1,4 |
| 4ВР132М2 | 11 | 2910 | 87,5 | 0,88 | 7,5 | 1,6 | 2,2 | 1,2 |
| 4ВР132S4 | 7,5 | 1440 | 86 | 0,83 | 7,5 | 2 | 2,5 | 1,6 |
| 4ВР132М4 | 11 | 1450 | 87,5 | 0,79 | 7,5 | 2,4 | 2,9 | 2,2 |
| 4ВР132S6 | 5,5 | 960 | 85 | 0,8 | 7 | 2 | 2,2 | 1,6 |
| 4ВР132М6 | 7,5 | 950 | 85 | 0,79 | 7 | 2 | 2,2 | 1,6 |
| 4ВР132S8 | 4 | 700 | 83 | 0,7 | 6 | 1,8 | 2,2 | 1,4 |
| 4ВР132М8 | 5,5 | 700 | 83 | 0,74 | 6 | 1,8 | 2,2 | 1,4 |



