Вы здесь
Электродвигатели SIEMENS 1LE1
Электродвигатели SIEMENS 1LE1 мощностью от 0,75 до 18,5 кВт.
Данные электродвигатели выпускаются в линейке SIMOTICS GP заменяющие устаревшие приводы 1LA7 и 1LA9.
В стандартном исполнении двигатель поставляется без тепловой и термисторной защиты, с верхним расположением клеммной коробки.
Особенности SIEMENS 1LE1
- стандартная энергоэффективность (класс IE1);
- имеют от 2 до 8 полюсов;
- скорость вращения вала составляет от 750 до 3600 об/мин;
- номинальный крутящий момент: 10 - 109 Нм (при 50Гц);
- корпус типоразмеров 100 L - 160 L выполнен из алюминиевого сплава;
- класс защиты: IP55.
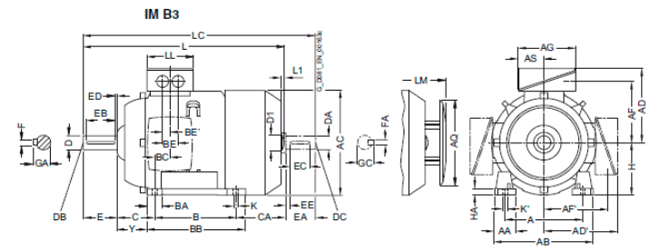
Габаритные размеры SIEMENS 1LE1




| Типоразмер | Кол-во полюсов | A | AA | AB | AC | AD | AD’ | AF | AF’ | AG | AQ | AS | B* |
| 100 L | 2, 4, 6, 8 | 160 | 42 | 196 | 198 | 166 | 166 | 125.5 | 125.5 | 135 | 195 | 63.5 | 140 |
| 112 M | 2, 4, 6, 8 | 190 | 46 | 226 | 222 | 177 | 177 | 136.5 | 136.5 | 135 | 195 | 63.5 | 140 |
| 132 S | 2, 4, 6, 8 | 216 | 53 | 256 | 262 | 202 | 202 | 159.5 | 159.5 | 155 | 260 | 70.5 | 140 |
| 132 M | 2, 4, 6, 8 | 216 | 53 | 256 | 262 | 202 | 202 | 159.5 | 159.5 | 155 | 260 | 70.5 | 178 |
| 160 M | 2, 4, 6, 8 | 254 | 60 | 300 | 314 | 236.5 | 236.5 | 190 | 190 | 175 | 260 | 77.5 | 210 |
| 160 L | 2, 4, 6, 8 | 254 | 60 | 300 | 314 | 236.5 | 236.5 | 190 | 190 | 175 | 260 | 77.5 | 254 |
| Типоразмер | Кол-во полюсов | BA | BA’ | BB | BC | BE | BE’ | C | CA* | H | HA | Y11 |
| 100 L | 2, 4, 6, 8 | 37.5 | - | 176 | 33.5 50 | 25 | 63 | 141 | 100 | 12 | 45 | |
| 112 M | 2, 4, 6, 8 | 35.4 | - | 176 | 26 | 50 | 25 | 70 | 129.7 | 112 | 12 | 52 |
| 132 S | 2, 4, 6, 8 | 38 | 762 | 2183 | 26.5 48 | 24 | 89 | 128.54 | 132 | 15 | 69 | |
| 132 M | 2, 4, 6, 8 | 38 | 76 | 218 | 26.5 48 | 24 | 89 | 128.54 | 132 | 15 | 69 | |
| 160 M | 2, 4, 6, 8 | 44 | 895 | 3006 | 47 | 57 | 28.5 | 108 | 1487 | 160 | 18 | 85 |
| 160 L | 2, 4, 6, 8 | 44 | 89 | 300 | 47 | 57 | 28.5 | 108 | 1487 | 160 | 18 | 85 |
| Типоразмер | Кол-во полюсов | HH | K | K' | L1 | L1 | D1 | LC | LL | LM | D | DB |
| 100 L | 2, 4, 6, 8 | 96.5 | 12 | 16 | 395.5 | 7 | 32 | 454 | 112 | 428.5 | 28 | M10 |
| 112 M | 2, 4, 6, 8 | 96 | 12 | 16 | 389 | 7 | 32 | 450 | 112 | 422 | 28 | M10 |
| 132 S | 2, 4, 6, 8 | 115.5 | 12 | 16 | 465 | 8.5 | 39 | 535.5 | 130 | 500.5 | 38 | M12 |
| 132 M | 2, 4, 6, 8 | 115.5 | 12 | 16 | 465 | 8.5 | 39 | 535.5 | 130 | 500.5 | 38 | M12 |
| 160 M | 2, 4, 6, 8 | 155 | 15 | 19 | 604 | 10 | 45 | 730 | 145 | 638 | 42 | M16 |
| 160 L | 2, 4, 6, 8 | 155 | 15 | 19 | 604 | 10 | 45 | 730 | 145 | 638 | 42 | M16 |
| Типоразмер | Кол-во полюсов | E | EB | ED | F | GA | DA | DC | EA | EC | EE | FA | GC |
| 100 L | 2, 4, 6, 8 | 60 | 50 | 5 | 8 | 31 | 24 | M8 | 50 | 40 | 5 | 8 | 27 |
| 112 M | 2, 4, 6, 8 | 60 | 50 | 5 | 8 | 31 | 24 | M8 | 50 | 40 | 5 | 8 | 27 |
| 132 S | 2, 4, 6, 8 | 80 | 70 | 5 | 10 | 41 | 28 | M10 | 60 | 50 | 5 | 8 | 31 |
| 132 M | 2, 4, 6, 8 | 80 | 70 | 5 | 10 | 41 | 28 | M10 | 60 | 50 | 5 | 8 | 31 |
| 160 M | 2, 4, 6, 8 | 110 | 90 | 10 | 12 | 45 | 42 | M16 | 110 | 90 | 10 | 12 | 45 |
| 160 L | 2, 4, 6, 8 | 110 | 90 | 10 | 12 | 45 | 42 | M16 | 110 | 90 | 10 | 12 | 45 |
Технические характеристики SIEMENS 1LE1
| Обозначение | Мощность, кВт | Типоразмер | Номинальная частота вращения, об/мин | Номинальный крутящий момент, Нм | Энерго-эффективность по CEMEP |
| 2-полюсные, 3000 об/мин | |||||
| 1LE1002-1AA4.-.... | 3,0 | 100 L | 2835 | 10,0 | EFF2 |
| 1LE1002-1BA2.-.... | 4,0 | 112 M | 2930 | 13,0 | EFF2 |
| 1LE1002-1CA0.-.... | 5,5 | 132 S | 2905 | 18,0 | EFF2 |
| 1LE1002-1CA1.-.... | 7,5 | 132 S | 2925 | 24,0 | EFF2 |
| 1LE1002-1DA2.-.... | 11,0 | 160 M | 2920 | 36,0 | EFF2 |
| 1LE1002-1DA3.-.... | 15,0 | 160 M | 2930 | 49,0 | EFF2 |
| 1LE1002-1DA4.-.... | 18,5 | 160 L | 2935 | 60,0 | EFF2 |
| 4-полюсные, 1500 об/мин | |||||
| 1LE1002-1AB4.-.... | 2,2 | 100 L | 1425 | 14,8 | EFF2 |
| 1LE1002-1AB5.-.... | 3,0 | 100 L | 1425 | 20,2 | EFF2 |
| 1LE1002-1BB2.-.... | 4,0 | 112 M | 1435 | 27,0 | EFF2 |
| 1LE1002-1CB0.-.... | 5,5 | 132 S | 1450 | 36,0 | EFF2 |
| 1LE1002-1CB2.-.... | 7,5 | 132 M | 1450 | 49,0 | EFF2 |
| 1LE1002-1DB2.-.... | 11,0 | 160 M | 1460 | 72,0 | EFF2 |
| 1LE1002-1DB4.-.... | 15,0 | 160 L | 1460 | 98,0 | EFF2 |
| 6-полюсные, 1000 об/мин | |||||
| 1LE1002-1AC4.-.... | 1,5 | 100 L | 940 | 15,3 | - |
| 1LE1002-1BC2.-.... | 2,2 | 112 M | 930 | 23,0 | - |
| 1LE1002-1CC0.-.... | 3,0 | 132 S | 955 | 30,0 | - |
| 1LE1002-1CC2.-.... | 4,0 | 132 M | 950 | 40,0 | - |
| 1LE1002-1CC3.-.... | 5,5 | 132 M | 950 | 55,0 | - |
| 1LE1002-1DC2.-.... | 7,5 | 160 M | 970 | 75,0 | - |
| 1LE1002-1DC4.-.... | 11,0 | 160 L | 965 | 110,0 | - |
| 8-полюсные, 750 об/мин | |||||
| 1LE1002-1AD4.-.... | 0,8 | 100 L | 705 | 10,4 | - |
| 1LE1002-1AD5.-.... | 1,1 | 100 L | 705 | 15,1 | - |
| 1LE1002-1BD2.-.... | 1,5 | 112 M | 700 | 20,0 | - |
| 1LE1002-1CD0.-.... | 2,2 | 132 S | 715 | 29,0 | - |
| 1LE1002-1CD2.-.... | 3,0 | 132 M | 710 | 40,0 | - |
| 1LE1002-1DD2.-.... | 4,0 | 160 M | 720 | 53,0 | - |
| 1LE1002-1DD3.-.... | 5,5 | 160 M | 720 | 73,0 | - |
| 1LE1002-1DD4.-.... | 7,5 | 160 L | 715 | 100,0 | - |
| Обозначение | КПД полная нагрузка, % | КПД нагрузка 3/4, % | Скольжение полная нагрузка, cos | Номинальная сила тока 400В, А | Масса, кг |
| 2-полюсные, 3000 об/мин | |||||
| 1LE1002-1AA4.-.... | 82,6 | 83,2 | 0,9 | 6,0 | 20 |
| 1LE1002-1BA2.-.... | 84,8 | 84,4 | 0,9 | 7,9 | 25 |
| 1LE1002-1CA0.-.... | 86,0 | 86,6 | 0,9 | 10,4 | 35 |
| 1LE1002-1CA1.-.... | 87,6 | 88,7 | 0,9 | 14,0 | 40 |
| 1LE1002-1DA2.-.... | 88,4 | 88,5 | 0,9 | 21,0 | 60 |
| 1LE1002-1DA3.-.... | 89,5 | 89,7 | 0,8 | 29,0 | 68 |
| 1LE1002-1DA4.-.... | 90,9 | 91,0 | 0,9 | 34,0 | 78 |
| 4-полюсные, 1500 об/мин | |||||
| 1LE1002-1AB4.-.... | 81,0 | 84,0 | 0,8 | 4,9 | 18 |
| 1LE1002-1AB5.-.... | 82,8 | 83,6 | 0,9 | 6,2 | 22 |
| 1LE1002-1BB2.-.... | 84,2 | 85,1 | 0,8 | 8,2 | 27 |
| 1LE1002-1CB0.-.... | 86,0 | 86,5 | 0,8 | 11,2 | 38 |
| 1LE1002-1CB2.-.... | 87,0 | 87,4 | 0,8 | 15,0 | 44 |
| 1LE1002-1DB2.-.... | 88,4 | 88,1 | 0,8 | 22,0 | 62 |
| 1LE1002-1DB4.-.... | 89,4 | 89,7 | 0,8 | 29,5 | 73 |
| 6-полюсные, 1000 об/мин | |||||
| 1LE1002-1AC4.-.... | 74,0 | 72,6 | 0,7 | 4,0 | 19 |
| 1LE1002-1BC2.-.... | 78,0 | 78,1 | 0,8 | 5,3 | 25 |
| 1LE1002-1CC0.-.... | 80,0 | 79,4 | 0,7 | 7,3 | 34 |
| 1LE1002-1CC2.-.... | 83,0 | 83,4 | 0,8 | 9,2 | 39 |
| 1LE1002-1CC3.-.... | 85,0 | 85,3 | 0,8 | 12,4 | 48 |
| 1LE1002-1DC2.-.... | 86,0 | 85,4 | 0,7 | 17,2 | 72 |
| 1LE1002-1DC4.-.... | 87,6 | 87,9 | 0,8 | 23,5 | 92 |
| 8-полюсные, 750 об/мин | |||||
| 1LE1002-1AD4.-.... | 65,4 | 60,2 | 0,6 | 2,7 | 17 |
| 1LE1002-1AD5.-.... | 68,3 | 67,6 | 0,6 | 3,7 | 22 |
| 1LE1002-1BD2.-.... | 75,9 | 72,8 | 0,7 | 4,2 | 25 |
| 1LE1002-1CD0.-.... | 81,0 | 80,4 | 0,7 | 5,9 | 37 |
| 1LE1002-1CD2.-.... | 81,6 | 81,4 | 0,7 | 7,8 | 44 |
| 1LE1002-1DD2.-.... | 80,0 | 78,7 | 0,7 | 10,4 | 60 |
| 1LE1002-1DD3.-.... | 83,5 | 83,9 | 0,7 | 13,6 | 72 |
| 1LE1002-1DD4.-.... | 83,5 | 84,7 | 0,7 | 18,6 | 91 |



