Вы здесь
Низковольтный электродвигатель 5АМХ132M4
Низковольтный электродвигатель 5АМХ132M4 применяется в промышленности для привода червячных редукторов, радиальных и осевых вентиляторов, промышленных и бытовых насосов.
Мощность электродвигателя и количество его оборотов соответствуют ГОСТ 31606-2012. Работа от трехфазной сети 380В частотой 50 Гц.
Подключение электродвигателя треугольник/звезда 220/380В, 380/660В. Конструкция электродвигателя надежная, простой формы и практичная в обращении. В продолжительном режиме работы возможность вращения вала в обе стороны.
Габаритные размеры низковольтного электродвигателя 5АМХ132M4
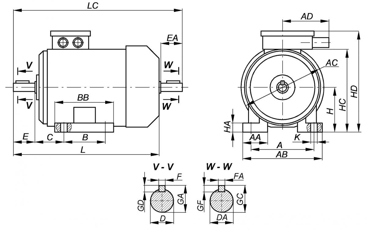
Исполнение: на лапах (IM1...1, IM1...2)

| Двигатель | l30 | l33 | b31 | h31 | d30 |
| L | LC | AD | HD | AC | |
| 5АМХ132M4 | 546 | 636 | 126 | 360 | 286 |
Установочные и присоединительные размеры, мм
| l1 | l2 | l30 | l11 | l31 | b1 | b2 | b10 | b11 | b12 |
| E | EA | B | BB | C | F | FA | A | AB | AA |
| 80 | 80 | 140, 178* | 220 | 89 | 10 | 10 | 216 | 277 | 56 |
| h | h1 | h2 | h5 | h6 | h10 | d1 | d2 | d10 |
| H | GD | GF | GA | GC | HA | D | DA | K |
| 132 | 8 | 8 | 41 | 41 | 17 | 38 | 38 | 12x16 |
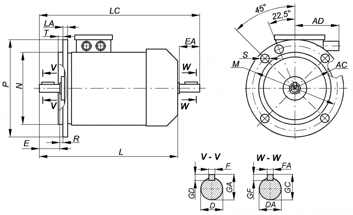
Исполнение: фланец (IM3...1, IM3...2)

| Двигатель | l30 | l33 | b31 | d24 | d30 |
| L | LC | AD | P | AC | |
| 5АМХ132M4 | 546 | 636 | 126 | 350 | 286 |
Установочные и присоединительные размеры, мм
| l1 | l2 | l20 | l21 | b1 | b2 | h1 | h2 | h5 | h6 |
| E | EA | T | LA | F | FA | GD | GF | GA | GC |
| 80 | 80 | 3 | 12 | 10 | 10 | 8 | 8 | 41 | 41 |
| d1 | d2 | d20 | d22 | d25 | 45* | 22,5* |
| D | DA | M | S | N | 45* | 22,5* |
| 38 | 38 | 300 | 19 | 250 | 45° | -- |
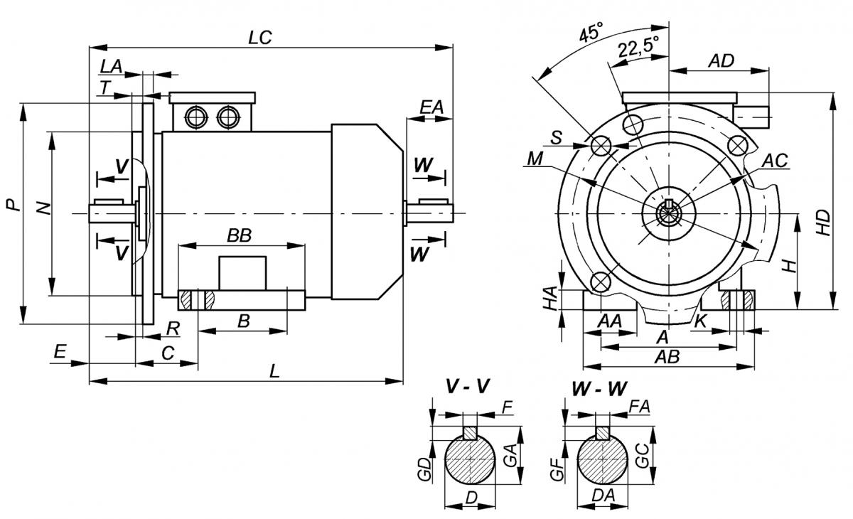
Исполнение: комбинированное (IM2...1, IM2...2)

Установочные и присоединительные размеры, мм
| l1 | l2 | l30 | l11 | l20 | l21 | l31 | b1 | b2 | b10 |
| E | EA | B | BB | T | LA | C | F | FA | A |
| 80 | 80 | 140, 178* | 220 | 3 | 12 | 89 | 10 | 10 | 216 |
| b11 | b12 | h | h1 | h2 | h5 | h6 | h10 | d1 | d2 |
| AB | AA | H | GD | GF | GA | GC | HA | D | DA |
| 277 | 56 | 132 | 8 | 8 | 41 | 41 | 17 | 38 | 38 |
| d10 | d20 | d22 | d25 | 45* | 22,5* |
| K | M | S | N | 45* | 22,5* |
| 12x16 | 300 | 19 | 250 | 45° | -- |
Технические характеристики низковольтного электродвигателя 5АМХ132M4
| Тип ротора | С короткозамкнутым ротором |
| Категория | Асинхронные электродвигатели |
| Серия | 5АМХ |
| Номинальное рабочее напряжение, В | 220/380; 380; 380/660 |
| Мощность, кВт | 11 |
| КПД, % | 89 |
| Cos φ | 0,85 |
| Частота вращения, об/мин | 1500 |
| Высота оси вращения, мм | 132 |
| Степень защиты, IP | 54; 55 |
| Способ охлаждения | IC411 |
| Режим работы | S1 |
| Монтажное исполнение, IM | 1081; 1082; 2081; 2082; 3081; 3082 |
| Масса, кг | 75,5 |
| Класс энергоэффективности | IE1 |



