Вы здесь
Электродвигатель передвижения серия А без тормоза
Электродвигатели серии А без тормозного устройства предназначены для работы в приводах перемещения различного промышленного и подъёмного оборудования, включая мостовые, козловые и башенные краны, тележки, конвейеры и другие механизмы.
Данные двигатели используются в тех узлах, где не требуется фиксация положения после остановки или эта функция реализована через внешние тормозные системы. Они обеспечивают стабильную работу при повторно-кратковременных нагрузках, характерных для крановых и транспортных систем.
Преимущества
- Простая и надёжная конструкция , адаптированная под высокие нагрузки и частые пуски.
- Высокая устойчивость к износу , благодаря ротору с короткозамкнутой обмоткой.
- Подходят для механизмов с внешним торможением либо тех, где остановка груза не требует жёсткой фиксации.
Области применения
- Приводы тележек и мостов кранов
- Подъёмно-транспортное и строительное оборудование
- Конвейерные и производственные линии
Конструктивные характеристики
- Компактные размеры , удобные для установки в стеснённых условиях
- Крепление на лапах или фланце — в зависимости от требований монтажа
- Класс защиты корпуса IP44–IP54 , что позволяет эксплуатацию в условиях запылённости и умеренной влажности
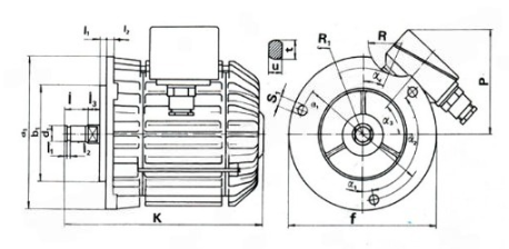
Габаритные размеры А без тормоза
Тип | Размер, мм | |||||||||||||||||||||
a 1 | b 1 | d 1 | t | u | i | i 1 | i 2 | i 3 | l 1 | l 2 | k | s 1 | e 1 | R | R 1 | f | p | α 1 | α 2 | α 3 | α 4 | |
A 1205 K6A | 165 | 100 | 11.3 | 17 | 13 | 19 | 1.7 | 1.3 | 10 | 5 | 8 | 182 | 9 | 150 | 34 | 67 | 205 | 110 | 10 | 120 | 48 | 23 |
A 1207 K6A | 165 | 100 | 11.3 | 17 | 13 | 19 | 1.7 | 1.3 | 10 | 5 | 8 | 202 | 9 | 150 | 34 | 67 | 205 | 110 | 10 | 120 | 48 | 23 |
Технические характеристики А без тормоза
Наименование | Мощность кВт | Скорость вращения об/мин | Напряжение В | Грузоподъемность тельфера т | Масса кг |
A 1005 K6A | 0,12 | 820 | 380 | 0,5-1 | 5,5 |
A 1205 K6A | 0,25 | 840 | 380 | 2-3,2 | 6,7 |
A 1207 K6A | 0,37 | 810 | 380 | 5 | 8,2 |