Вы здесь
Электродвигатель передвижения серия КК с тормозом
Электродвигатели серии КК (включая модификации ККЕ) разработаны для приведения в движение ходовых механизмов канатных электрических талей. Эти двигатели активно используются в подъёмно-транспортном оборудовании благодаря своей надёжности и встроенному электромагнитному тормозу.
Главное преимущество электродвигателей КК — наличие встроенного тормозного устройства, которое автоматически срабатывает при отключении питания. Это обеспечивает мгновенную остановку и удержание механизма, особенно важно при аварийных ситуациях или экстренных остановках.
Варианты исполнения
- Односкоростные модели — для стандартных задач передвижения
- Двухскоростные двигатели — для режимов с необходимостью плавного пуска или замедленного перемещения
Производство осуществляется болгарской компанией "Balkansko EHO" EOOD , специализирующейся на приводной технике для подъёмных систем.
Технические параметры (по умолчанию)
- Рабочий режим: S4 (с циклическими нагрузками и частыми запусками
- Частота сети: 50/60 Гц
- Класс нагревостойкости изоляции: F
- Степень защиты: IP54 для корпуса двигателя, IP22 для тормоза
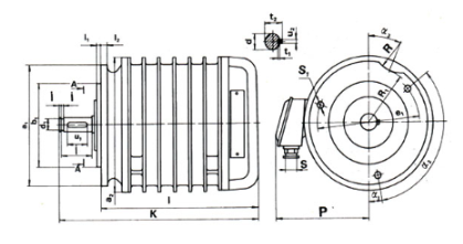
Габаритные размеры КК с тормозом
Тип КК | Размер, мм | ||||||||||||||||||||||||
a 1 | a 2 | b 1 | d | d 1 | t 1 | t 2 | u 1 | u 2 | i | i 1 | i 2 | l 1 | l 2 | k | l | p | s | s 1 | e 1 | R | R 1 | α 1 | α 2 | α 3 | |
КК 1204-4,6 | 135 | 132 | 60 | 14 | 13.4 | 1.5 | 15.5 | 25 | 4 | 32 | 2.5 | 1.2 | 6 | 10 | 231 | 187 | 113 | 16 | * | 120 | 27 | 43 | 6° | 120° | 24° |
КК 1405-4,6 | 165 | 170 | 100 | 18 | 17 | 3 | 20 | 25 | 5 | 35.1 | 1.9 | 1.3 | 5 | 8 | 235 | 190 | 140 | 16 | * | 150 | 34 | 67 | 10° | 120° | 23° |
КК 1405-12/4 | |||||||||||||||||||||||||
КК 1407-4,6 | 165 | 170 | 100 | 18 | 17 | 3 | 20 | 25 | 5 | 35.1 | 1.9 | 1.3 | 5 | 8 | 260 | 215 | 140 | 16 | * | 150 | 34 | 67 | 10° | 120° | 23° |
КК 1407-12/4 |
Технические характеристики КК с тормозом
Наименование | Мощность, кВт | Скорость вращения, об/мин | Напряжение, В | Грузоподъемность тельфера, т | Масса, кг |
Односкоростные | |||||
KK 1204-4 | 0.18 | 1440 | 380 | - | 7.7 |
KK 1204-6 | 0.12 | 820 | 380 | - | 7.7 |
KK 1405-4 | 0.37 | 1250 | 380 | - | 15.5 |
KK 1405-6 | 0.25 | 870 | 380 | 2-3,2 | 15.5 |
KK 1407-4 | 0,55 | 1280 | 380 | - | 18,2 |
KK 1407-6 | 0,37 | 860 | 380 | 5 | 18,2 |
Двухскоростные | |||||
KK 1405-12/4A | 0,06/0,18 | 450/1440 | 380 | 0,5-1 | 15.5 |
KK 1405-12/4A | 0,72/0.216 | 540/1730 | 440 | - | 15.5 |
KK 1407-12/4A | 0,1/0,37 | 400/1340 | 380 | 2-5 | - |
KK 1407-12/4A | 0,12/0,44 | 480/1620 | 440 | - | 18.2 |