Вы здесь
Электродвигатель АМТН
Электродвигатели AMTH используются для работы в электроприводах металлургических агрегатов и подъемно-транспортных механизмах всех видов и поставляются на комплектацию башенных, козловых, портальных, мостовых и других кранов.
Базовое исполнение – повторно-кратковременный режим работы S3 ПВ=40%, с питанием от сети переменного тока 50 Гц напряжением 50 Гц напряжением 380В (220В, 660В).
Климатическое исполнение и категория размещения У1, степень защиты IP55.
Изготавливаются в чугунном корпусе.
Крановые электродвигатели до 3 габарита включительно и с высотой оси вращения до 180 включительно как правило выполняются с цилиндрическими концами вала.
Крановые электродвигатели 4 габарита и выше, а также с высотой оси вращения 200 и выше как правило выполняются с коническими концами вала.
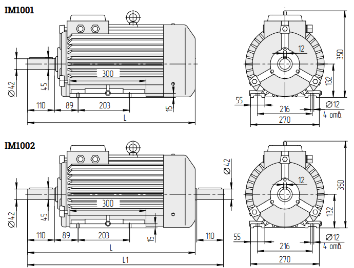
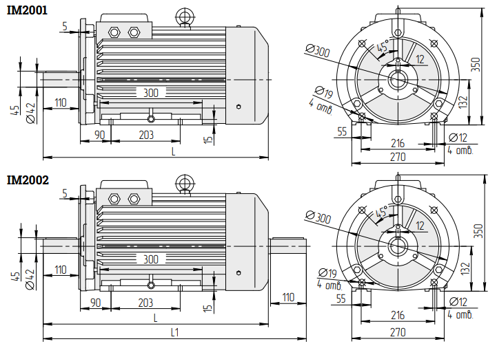
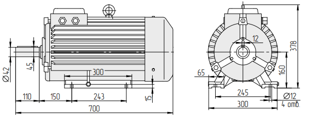
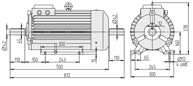
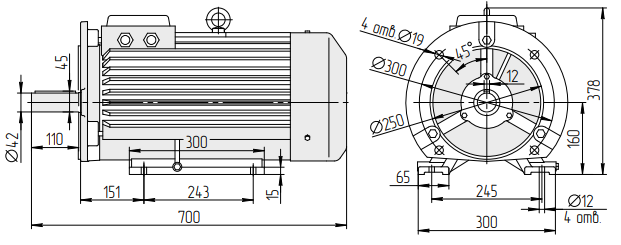
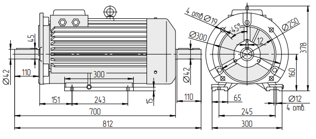
Габаритные размеры электродвигателей AMTH
АМТH 132


АМТH 211 L6 исполнение IM1001

АМТH 211 L6 исполнение IM1002

АМТH 211 L6 исполнение IM2001

АМТH 211 L6 исполнение IM2002

Технические характеристики электродвигателей AMTH
| Тип двигателя | Мощность, кВт | Напряжение, В | Частота, Гц | Частота вращения, об/мин | Высота оси вращения вала, мм | Напряжение ротора, мм | Ток ротора | Ток статора, А |
| АМТH 132 М6 | 4,5 | 380/220 | 50 | 925 | 132 | 175 | 14,3 | 12,9/22,3 |
| АМТH 132 М6 | 5,0 | 500 | 50 | 905 | 132 | 180 | 13,2 | 11,0 |
| АМТH 132 L6 | 7,0 | 380/220 | 50 | 925 | 132 | 238 | 20,7 | 19,1/33,0 |
| АМТH 132 L6 | 7,5 | 500 | 50 | 900 | 132 | 215 | 18,8 | 16,0 |
| АМТH 211 -6 | 7,0 | 380/220 | 50 | 925 | 160 | 220 | 21,4 | 21,3/35,2 |



