Вы здесь
Электродвигатели ДМТF
Электродвигатели ДМТF используются для работы в электроприводах металлургических агрегатов и подъемно-транспортных механизмах всех видов и поставляются на комплектацию башенных, козловых, портальных, мостовых и других кранов.
Базовое исполнение – повторно‑кратковременный режим работы S3 ПВ=40%, с питанием от сети переменного тока 50 Гц напряжением 220/380В (500В, 660В по требованию).
Климатическое исполнение и категория размещения У1, степень защиты IP55.
Изготавливаются в чугунном корпусе.
Технические характеристики электродвигателей ДМТF
| Тип двигателя | Мощность, кВт | Напряжение, В | Частота, Гц | Частота вращения, об/мин | Высота оси вращения вала, мм | Напряжение ротора, мм | Ток ротора | Ток статора, А |
| ДМТF 011-6 | 1,4 | 380/220 | 50 | 880 | 112 | 118 | 9,0 | 5,3/9,2 |
| ДМТF 012-6 | 2,2 | 380/220 | 50 | 895 | 112 | 144 | 11,5 | 7,5/13,0 |
| ДМТF 111-6 | 3,5 | 380/220 | 50 | 900 | 132 | 176 | 15,0 | 10,8/18,7 |
| ДМТF 111-6 | 3,5 | 500 | 50 | 900 | 132 | 176 | 15,0 | 8,3 |
| ДМТF 112-6 | 5,0 | 380/220 | 50 | 925 | 132 | 210 | 15,7 | 14,7/25,4 |
| ДМТF 112-6 | 5,0 | 500 | 50 | 925 | 132 | 210 | 15,7 | 11,2 |
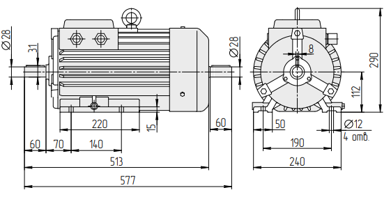
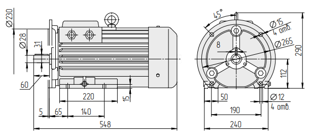
Габаритные размеры электродвигателей ДМТF
ДМТF 011 исполнение IM1001

ДМТF 011 исполнение IM1002

ДМТF 011 исполнение IM2001

ДМТF 011 исполнение IM2002

ДМТF 012 исполнение IM1001

ДМТF 012 исполнение IM1002

ДМТF 012 исполнение IM2001

ДМТF 012 исполнение IM2002

ДМТF 111 исполнение IM1001

ДМТF 111 исполнение IM2001

ДМТF 111 исполнение IM2002

ДМТF 111 исполнение IM2011

ДМТF 112 исполнение IM1001

ДМТF 112 исполнение IM1002

ДМТF 112 исполнение IM2001

ДМТF 112 исполнение IM2011




