Вы здесь
Электродвигатели ДМТН
Электродвигатели ДМТH предназначены для привода различных подъёмно-транспортных механизмов и используются в производстве башенных, козловых, мостовых кранов, кран-балок, автокранов, в металлургической и горнодобывающей промышленности.
Основным номинальным режимом двигателей является повторно-кратковременный режим S3-40%. Двигатели могут работать и в другом режиме с соответствующим изменением мощности.
Конструктивное исполнение по способу монтажа:
- IM 1001 – на лапах с одним концом вала;
- IM 1002 – на лапах с двумя концами вала;
- IM 2001 – фланцевый с одним концом вала;
- IM 2002 – фланцевый с двумя концами вала;
- IM 2011 – вертикально-фланцевый с одним концом вала (только ДМТ111, ДМТ112);
- IM 2012 – вертикально-фланцевый с двумя концами вала (только ДМТ111, ДМТ112);
Климатическое исполнение:
- У;
- Т;
- ХЛ.
Степень защиты:
- корпуса IP44;
- коробки выводов IP54;
- вентилятора IP10;
Технические характеристики электродвигателей ДМТН
| Тип двигателя | Мощность, кВт | Напряжение, В | Частота, Гц | Частота вращения, об/мин | Высота оси вращения вала, мм | Напряжение ротора, мм | Ток ротора | Ток статора, А |
| ДМТH 111-6 | 3,0 | 380/220 | 12 | 890 | 132 | 176 | 13,2 | 10,5/18,7 |
| ДМТH 111-6 | 3,6 | 380/220 | 60 | 1090 | 132 | 212 | 13,2 | 12,4/21,5 |
| ДМТH 111-6 | 3,0 | 240/415 | 50 | 890 | 132 | 176 | 13,2 | 9,8/17,0 |
| ДМТH 111-6 | 3,0 | 400 | 50 | 890 | 132 | 176 | 13,2 | 9,8 |
| ДМТH 111-6 | 3,0 | 440 | 60 | 890 | 132 | 212 | 13,2 | 10,5 |
| ДМТH 111-6 | 3,0 | 500 | 50 | 890 | 132 | 176 | 13,2 | 8,0 |
| ДМТH 112-6 | 4,5 | 380/220 | 50 | 900 | 132 | 203 | 15,6 | 13,9/24,0 |
| ДМТH 112-6 | 5,4 | 380/220 | 60 | 1100 | 132 | 244 | 15,6 | 16,3/28,2 |
| ДМТH 112-6 | 4,5 | 240/415 | 50 | 900 | 132 | 203 | 15,6 | 12,9/22,2 |
| ДМТH 112-6 | 4,5 | 400 | 50 | 900 | 132 | 203 | 15,6 | 12,9 |
| ДМТH 112-6 | 5,4 | 440 | 60 | 1100 | 132 | 244 | 15,6 | 13,9 |
| ДМТH 112-6 | 4,5 | 500 | 50 | 900 | 132 | 203 | 15,6 | 10,5 |
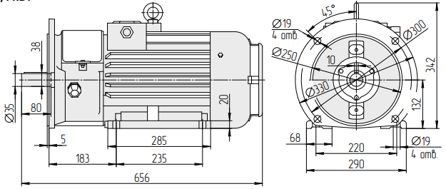
Габаритные размеры электродвигателей ДМТH
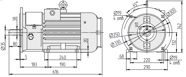
ДМТH 111 исполнение IM1001

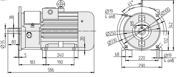
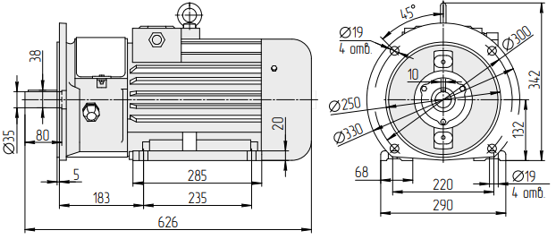
ДМТH 111 исполнение IM2001

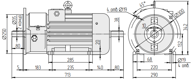
ДМТH 111 исполнение IM2002

ДМТH 111 исполнение IM2011

ДМТH 112 исполнение IM1001

ДМТH 112 исполнение IM1002

ДМТH 112 исполнение IM2001

ДМТH 112 исполнение IM2011




