Электродвигатели серий МТ, 4МТ, АМТ и ДМТ4 представляют собой асинхронные тяговые двигатели, предназначенные для использования в транспортных и промышленных системах.
Эти двигатели характеризуются высокой надёжностью, устойчивостью к механическим воздействиям, вибрациям и пригодны для работы в суровых климатических условиях.
Они находят широкое применение в приводах тяговых установок, строительной и подъёмной технике, железнодорожном оборудовании, а также в условиях повышенной влажности и запылённости.
Ключевые преимущества и особенности:
- Прочная конструкция: рассчитаны на длительную эксплуатацию при высоких нагрузках, включая работу в реверсивных режимах и запуск под нагрузкой.
- Выдержка к перегрузкам: легко справляются с кратковременными и многократными перегрузками.
- Гибкость исполнения: возможна поставка с разными вариантами креплений и фланцев, что облегчает интеграцию в оборудование.
- Широкий диапазон мощностей: от маломощных двигателей до мощных агрегатов промышленного назначения.
- Разнообразие климатических исполнений: подходят для работы в запылённой среде, при высокой влажности и температурных колебаниях (исполнения У, Т, ХЛ и др. по ГОСТ 15150).
Основные области применения:
- Приводы железнодорожной техники
- Строительное оборудование (лебёдки, бетонные мешалки, подъемники)
- Машины и установки в горнодобывающей и металлургической промышленности
- Промышленные редукторы и приводные агрегаты
- Специализированная техника и мобильные установки
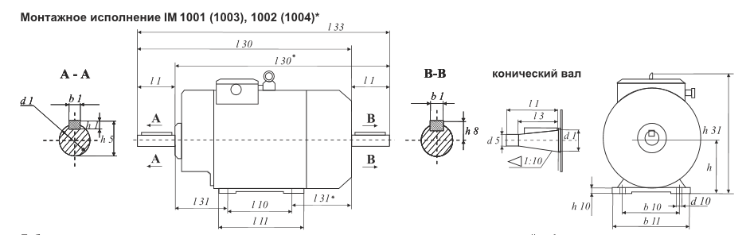
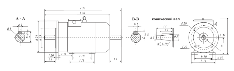
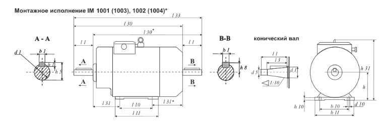
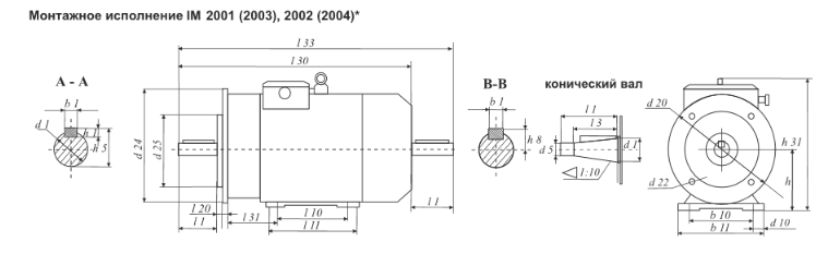
Габаритные, установочные и присоединительные размеры крановых электродвигателей с фазным ротором

Тип двигателя |
130 * |
[33 |
h31 |
l10 |
l11 |
l31 |
l31 * |
ыо |
Ыl |
h |
hlO |
dlO |
L* |
LC |
HD |
в |
вв |
с |
С* |
А |
АВ |
н |
НА |
к |
мтн О11-6*** |
1001 , 1002 |
585 |
648 |
320 |
150 |
250 |
|
132 |
180 |
230 |
112 |
20 |
12 |
2001, 2002 |
|
648 |
320 |
150 |
250 |
|
276 |
180 |
230 |
112 |
20 |
12 |
ДМТF 011-6 |
1001 , 1002 |
|
577 |
290 |
140 |
220 |
70 |
|
190 |
240 |
112 |
15 |
12 |
2001, 2 002 |
|
577 |
350 |
140 |
220 |
65 |
|
190 |
240 |
112 |
15 |
12 |
мтн 012-6*** |
1001 , 1002 |
616 |
678 |
320 |
190 |
250 |
|
276 |
180 |
230 |
112 |
20 |
12 |
2001, 2002 |
|
678 |
320 |
190 |
250 |
|
276 |
180 |
230 |
112 |
20 |
12 |
ДМТF 012-6 |
1001 , 1002 |
|
612 |
290 |
159 |
220 |
70 |
|
190 |
240 |
112 |
15 |
12 |
2001, 2002 |
|
612 |
350 |
159 |
220 |
65 |
|
190 |
240 |
112 |
15 |
12 |
мтн 111-6*** |
1001 , 1002 |
650 |
733 |
350 |
190 |
305 |
|
276 |
220 |
280 |
132 |
25 |
15 |
2001, 2002 |
|
733 |
350 |
190 |
305 |
|
276 |
220 |
280 |
132 |
25 |
15 |
ДМТF(Н) 111-6 |
1001 , 1002 |
586 |
673 |
342 |
190 |
240 |
|
140 |
220 |
290 |
132 |
20 |
19 |
2001, 2 002 |
|
673 |
342 |
190 |
240 |
140 |
|
220 |
290 |
132 |
20 |
19 |
мтн 112-6*** |
1001 , 1002 |
690 |
773 |
350 |
235 |
305 |
|
276 |
220 |
280 |
132 |
25 |
15 |
2001, 2002 |
|
773 |
350 |
235 |
305 |
|
276 |
220 |
280 |
132 |
25 |
15 |
ДМТF(Н) 112-6 |
1001 , 1002 |
626 |
713 |
342 |
235 |
285 |
|
135 |
220 |
290 |
132 |
20 |
19 |
2001, 2002 |
|
713 |
342 |
235 |
285 |
135 |
|
220 |
290 |
132 |
20 |
19 |
AMTF(H) 132 Мб |
1001 , 1002 |
|
772 |
350 |
203 |
300 |
89 |
|
216 |
270 |
132 |
15 |
12 |
2001, 2002 |
|
772 |
350 |
203 |
300 |
90 |
|
216 |
270 |
132 |
15 |
12 |
МТН 132LA6*** |
1001 , 1002 |
675 |
788 |
350 |
203 |
255 |
|
276 |
216 |
260 |
132 |
25 |
12 |
2001, 2 002 |
|
788 |
350 |
203 |
255 |
|
276 |
216 |
260 |
132 |
25 |
12 |
МТН 132LВ6*** |
1001 , 1002 |
675 |
788 |
350 |
203 |
255 |
|
276 |
216 |
260 |
132 |
25 |
12 |
2001, 2 002 |
|
788 |
350 |
203 |
255 |
|
276 |
216 |
260 |
132 |
25 |
12 |
AMTF(H) 132 Lб |
1001 , 1002 |
|
812 |
350 |
203 |
300 |
89 |
|
216 |
270 |
132 |
15 |
12 |
2001, 2002 |
|
812 |
350 |
203 |
300 |
90 |
|
216 |
270 |
132 |
15 |
12 |
мтн 211-6*** |
1001 , 1002 |
763 |
875 |
415 |
243 |
345 |
|
276 |
245 |
305 |
160 |
25 |
15 |
2001, 2002 |
|
875 |
415 |
243 |
345 |
|
276 |
245 |
305 |
160 |
25 |
15 |
AMTF(H) 211-6 |
1001 |
|
|
378 |
243 |
300 |
150 |
|
245 |
300 |
160 |
20 |
24 |
мтн 311** |
1001 , 1002 |
772 |
885 |
450 |
260 |
335 |
|
276 |
280 |
355 |
180 |
30 |
24 |
2001, 2 002 |
|
885 |
450 |
260 |
335 |
|
276 |
280 |
355 |
180 |
30 |
24 |
МТН 311 |
1001 , 1002 |
765 |
885 |
480 |
260 |
320 |
|
155 |
280 |
350 |
180 |
21,5 |
24 |
2001, 2002 |
|
906 |
480 |
260 |
320 |
275 |
155 |
280 |
350 |
180 |
21,5 |
24 |
мтн 312** |
1001 , 1002 |
837 |
950 |
450 |
320 |
400 |
|
276 |
280 |
355 |
180 |
30 |
24 |
2001, 2002 |
|
950 |
450 |
320 |
400 |
|
276 |
280 |
355 |
180 |
30 |
24 |
мтн 312 |
1001 , 1002 |
830 |
950 |
480 |
320 |
380 |
|
170 |
280 |
350 |
180 |
21,5 |
24 |
2001, 2002 |
|
971 |
480 |
320 |
380 |
265 |
170 |
280 |
350 |
180 |
21,5 |
24 |
МТН 200L** |
100 3, 1004 |
975 |
1118 |
500 |
305 |
400 |
|
276 |
318 |
400 |
200 |
25 |
19 |
2003,2004 |
|
1118 |
500 |
305 |
400 |
|
276 |
318 |
400 |
200 |
25 |
19 |
мтн 411** |
100 3, 1004 |
927 |
1062 |
540 |
335 |
425 |
|
276 |
330 |
412 |
225 |
28 |
28 |
2003, 2 004 |
|
1062 |
540 |
335 |
425 |
|
276 |
330 |
412 |
225 |
28 |
28 |
мтн 411 |
100 3, 1004 |
899 |
1050 |
525 |
335 |
435 |
|
175 |
330 |
440 |
225 |
25 |
28 |
2003, 2 004 |
|
1060 ,5 |
525 |
335 |
435 |
275,5 |
175 |
330 |
440 |
225 |
25 |
28 |
мтн 412** |
100 3, 1004 |
1047 |
1190 |
540 |
420 |
529 |
|
276 |
330 |
412 |
225 |
28 |
28 |
20033,2 004 |
|
1190 |
540 |
420 |
529 |
|
276 |
330 |
412 |
225 |
28 |
28 |
мтн 412 |
100 3, 1004 |
899 |
1102 |
525 |
420 |
510 |
|
165 |
330 |
440 |
225 |
25 |
28 |
2003,2004 |
|
1060 ,5 |
525 |
420 |
510 |
200,5 |
165 |
330 |
440 |
225 |
25 |
28 |
4МТМ 225М** |
100 3, 1004 |
1050 |
1190 |
540 |
311 |
410 |
|
276 |
356 |
442 |
225 |
28 |
19 |
2003, 2 004 |
|
1190 |
540 |
311 |
410 |
|
276 |
356 |
442 |
225 |
28 |
19 |
4МТМ 225L** |
100 3, 1004 |
1200 |
1340 |
540 |
356 |
556 |
|
276 |
356 |
442 |
225 |
28 |
19 |
2003, 2 004 |
|
1340 |
540 |
356 |
556 |
|
276 |
356 |
442 |
225 |
28 |
19 |
мтн 511** |
100 3, 1004 |
1195 |
1337 |
585 |
310 |
530 |
|
276 |
380 |
480 |
250 |
30 |
35 |
2003, 2 004 |
|
1337 |
585 |
310 |
530 |
|
276 |
380 |
480 |
250 |
30 |
35 |
мтн 512** |
100 3, 1004 |
1215 |
1357 |
585 |
390 |
530 |
|
276 |
380 |
480 |
250 |
30 |
35 |
Габаритные, установочные и присоединительные размеры крановых электродвигателей с фазным ротором

Тип двигателя |
dl |
ы |
hl |
h5 |
l1 |
[3 |
d5 |
h8 |
d20 |
d22 |
d24 |
d25 |
[20 |
D |
F |
GD |
GA |
Е |
Е1 |
D1 |
|
м |
s |
р |
N |
т |
мтн о11-в··· |
1001, 1002 |
28 |
8 |
7 |
31 |
60 |
|
|
|
255 |
4* 14 |
280 |
215 |
4 |
2001, 2002 |
28 |
8 |
7 |
31 |
60 |
|
|
|
255 |
4* 14 |
280 |
215 |
4 |
ДМТF 011-6 |
1001, 1002 |
28 |
8 |
7 |
31 |
60 |
|
|
|
|
|
|
|
|
2001, 2002 |
28 |
8 |
7 |
31 |
60 |
|
|
|
265 |
15 |
300 |
230 |
5 |
мтн 012-в··· |
1001, 1002 |
28 |
8 |
7 |
31 |
60 |
|
|
|
255 |
4* 14 |
280 |
215 |
4 |
2001, 2002 |
28 |
8 |
7 |
31 |
60 |
|
|
|
255 |
4* 14 |
280 |
215 |
4 |
ДМТF 012-6 |
1001, 1002 |
28 |
8 |
7 |
31 |
60 |
|
|
|
|
|
|
|
|
2001, 2002 |
28 |
8 |
7 |
31 |
60 |
|
|
|
265 |
15 |
300 |
230 |
5 |
мтн 111-в··· |
1001, 1002 |
35 |
10 |
8 |
38 |
80 |
|
|
|
300 |
4* 18 |
330 |
250 |
4 |
2001, 2002 |
35 |
10 |
8 |
38 |
80 |
|
|
|
300 |
4* 18 |
330 |
250 |
4 |
ДМТF(Н) 111-6 |
1001, 1002 |
35 |
10 |
8 |
38 |
80 |
|
|
|
|
|
|
|
|
2001, 2002 |
35 |
10 |
8 |
38 |
80 |
|
|
|
300 |
18 |
330 |
250 |
5 |
мтн 112-в··· |
1001, 1002 |
35 |
10 |
8 |
38 |
80 |
|
|
|
300 |
4* 18 |
330 |
250 |
4 |
2001, 2002 |
35 |
10 |
8 |
38 |
80 |
|
|
|
300 |
4* 18 |
330 |
250 |
4 |
ДМТF(Н) 112-6 |
1001 , 1002 |
35 |
10 |
8 |
38 |
80 |
|
|
|
|
|
|
|
|
2001, 2002 |
35 |
10 |
8 |
38 |
80 |
|
|
|
300 |
18 |
330 |
250 |
5 |
AMTF(H) 132 МБ |
1001 , 1002 |
42 |
12 |
8 |
45 |
110 |
|
|
|
|
|
|
|
|
2001, 2002 |
42 |
12 |
8 |
45 |
110 |
|
|
|
300 |
19 |
350 |
250 |
5 |
МТН 132Lдв••• |
1001, 1002 |
42 |
12 |
8 |
45 |
110 |
|
|
|
300 |
4* 19 |
350 |
250 |
4 |
2001, 2002 |
42 |
12 |
8 |
45 |
110 |
|
|
|
300 |
4* 19 |
350 |
250 |
4 |
МТН 132LВ6*** |
1001, 1002 |
42 |
12 |
8 |
45 |
110 |
|
|
|
300 |
4* 19 |
350 |
250 |
4 |
2001, 2002 |
42 |
12 |
8 |
45 |
110 |
|
|
|
300 |
4* 19 |
350 |
250 |
4 |
AMTF(H) 132 LБ |
1001 , 1002 |
42 |
12 |
8 |
45 |
110 |
|
|
|
|
|
|
|
|
2001, 2002 |
42 |
12 |
8 |
45 |
110 |
|
|
|
300 |
19 |
350 |
250 |
5 |
мтн 211-в··· |
1001, 1002 |
40 |
12 |
8 |
43 |
110 |
|
|
|
300 |
4* 18 |
330 |
250 |
5 |
2001, 2002 |
40 |
12 |
8 |
43 |
110 |
|
|
|
300 |
4* 18 |
330 |
250 |
5 |
AMTF(H) 211-6 |
1001 |
40 |
12 |
8 |
43 |
110 |
|
|
|
|
|
|
|
|
мтн 311·· |
1001, 1002 |
50 |
14 |
9 |
53,5 |
110 |
|
|
|
300 |
4* 18 |
350 |
250 |
5 |
2001, 2002 |
50 |
14 |
9 |
53,5 |
110 |
|
|
|
300 |
4* 18 |
350 |
250 |
5 |
мтн 311 |
1001, 1002 |
50 |
14 |
9 |
53,5 |
110 |
|
|
|
|
|
|
|
|
2001, 2002 |
50 |
14 |
9 |
53,5 |
110 |
|
|
|
300 |
18 |
350 |
250 |
5 |
МТН 312** |
1001, 1002 |
50 |
14 |
9 |
53,5 |
110 |
|
|
|
300 |
4* 18 |
350 |
250 |
5 |
2001, 2002 |
50 |
14 |
9 |
53,5 |
110 |
|
|
|
300 |
4* 18 |
350 |
250 |
5 |
мтн 312 |
1001, 1002 |
50 |
14 |
9 |
53,5 |
110 |
|
|
|
|
|
|
|
|
2001, 2002 |
50 |
14 |
9 |
53,5 |
110 |
|
|
|
300 |
18 |
350 |
250 |
5 |
МТН 200L** |
1003, 1004 |
65 |
16 |
10 |
33,9 |
140 |
105 |
М42*3 |
33,9 |
|
|
|
|
|
2003, 2004 |
65 |
16 |
10 |
33,9 |
140 |
105 |
М42*3 |
33,9 |
|
|
|
|
|
мтн 411·· |
1003, 1004 |
65 |
16 |
10 |
33,9 |
140 |
105 |
М42*3 |
33,9 |
350 |
8* 18 |
400 |
300 |
5 |
2003, 2004 |
65 |
16 |
10 |
33,9 |
140 |
105 |
М42*3 |
33,9 |
350 |
8* 18 |
400 |
300 |
5 |
мтн 411 |
1003, 1004 |
65 |
16 |
|
|
140 |
105 |
М42х3 |
33,9 |
|
|
|
|
|
2003, 2004 |
65 |
16 |
|
|
140 |
105 |
М42х3 |
33,9 |
350 |
18 |
400 |
300 |
5 |
мтн 412·· |
1003, 1004 |
65 |
16 |
10 |
33,9 |
140 |
105 |
М42*3 |
33,9 |
350 |
8* 18 |
400 |
300 |
5 |
2003, 2004 |
65 |
16 |
10 |
33,9 |
140 |
105 |
М42*3 |
33,9 |
350 |
8* 18 |
400 |
300 |
5 |
мтн 412 |
1003, 1004 |
65 |
16 |
|
|
140 |
105 |
М42х3 |
33,9 |
|
|
|
|
|
2003, 2004 |
65 |
16 |
|
|
140 |
105 |
М42х3 |
33,9 |
350 |
18 |
400 |
300 |
5 |
4МТМ 225М** |
1003, 1004 |
70 |
18 |
11 |
36,4 |
140 |
105 |
М48*3 |
36,4 |
400 |
8* 18 |
450 |
350 |
5 |
2003, 2004 |
70 |
18 |
11 |
36,4 |
140 |
105 |
М48*3 |
36,4 |
400 |
8* 18 |
450 |
350 |
5 |
4МТМ 225L** |
1003, 1004 |
70 |
18 |
11 |
36,4 |
140 |
105 |
М48*3 |
36,4 |
400 |
8* 18 |
450 |
350 |
5 |
2003, 2004 |
70 |
18 |
11 |
36,4 |
140 |
105 |
М48*3 |
36,4 |
400 |
8* 18 |
450 |
350 |
5 |
мтн 511·· |
1003, 1004 |
70 |
18 |
11 |
36,4 |
140 |
105 |
М48*3 |
36,4 |
400 |
8* 18 |
450 |
350 |
5 |
2003, 2004 |
70 |
18 |
11 |
36,4 |
140 |
105 |
М48*3 |
36,4 |
400 |
8* 18 |
450 |
350 |
5 |
мтн 512·· |
1003, 1004 |
70 |
18 |
11 |
36,4 |
140 |
105 |
М48*3 |
36,4 |
400 |
8* 18 |
450 |
350 |
5 |
2003, 2004 |
70 |
18 |
11 |
36,4 |
140 |
105 |
М48*3 |
36,4 |
400 |
8* 18 |
450 |
350 |
5 |
4МТН 280s·· |
1003, 1004 |
90 |
22 |
14 |
46,7 5 |
170 |
130 |
М64*4 |
46,8 |
|
|
|
|
|
4МТН 28ом·· |
1003, 1004 |
90 |
22 |
14 |
46,75 |
170 |
130 |
М64*4 |
46,8 |
|
|
|
|
|
4МТН 280L6** |
1003, 1004 |
90 |
22 |
14 |
46,75 |
170 |
130 |
М64*4 |
46,8 |
|
|
|
|
|
4МТН 280L1о•• |
1003, 1004 |
90 |
22 |
14 |
46,75 |
170 |
130 |
М64*4 |
46,8 |
|
|
|
|
|
мтн 611·· |
1003, 1004 |
90 |
22 |
14 |
46,75 |
170 |
130 |
М64*4 |
46,8 |
|
|
|
|
|
мтн 612** |
1003, 1004 |
90 |
22 |
14 |
46,75 |
170 |
130 |
М64*4 |
46,8 |
|
|
|
|
|
мтн 613** |
1003, 1004 |
90 |
22 |
|
|
170 |
130 |
М64х4 |
46,8 |
|
|
|
|
|
Габаритные, установочные и присоединительные размеры крановых электродвигателей с короткозамкнутым ротором

Тип |
/30 |
/30* |
/33 |
h31 |
/10 |
/11 |
/31 |
/31* |
ЫО |
Ыl |
h |
hl0 |
dl0 |
L |
L* |
LC |
HD |
8 |
88 |
С |
С* |
А |
д8 |
Н |
НА |
К |
мткн О11-6*** |
1001, 1002 |
|
423 |
505 |
320 |
150 |
250 |
132 |
81 |
180 |
230 |
112 |
20 |
12 |
2001, 2002 |
423 |
|
505 |
320 |
150 |
250 |
111 |
|
180 |
230 |
112 |
20 |
12 |
ДМТКF 011-6 |
1001, 1002 |
407 |
|
471 |
320 |
140 |
188 |
70 |
|
190 |
240 |
112 |
15 |
12 |
2001, 2002 |
407 |
|
486 |
320 |
140 |
188 |
65 |
|
190 |
240 |
112 |
15 |
12 |
мткн О12-6*** |
1001, 1002 |
|
455 |
513 |
320 |
190 |
250 |
127 |
76 |
180 |
230 |
112 |
20 |
12 |
2001, 2002 |
455 |
|
513 |
320 |
190 |
250 |
76 |
|
180 |
230 |
112 |
20 |
12 |
ДМТКF 012-6 |
1001, 1002 |
442 |
|
506 |
290 |
159 |
210 |
70 |
|
190 |
240 |
112 |
15 |
12 |
2001, 2002 |
442 |
|
511 |
290 |
159 |
210 |
65 |
|
190 |
240 |
112 |
15 |
12 |
мткн 111-6*** |
1001, 1002 |
|
495 |
592 |
350 |
190 |
305 |
140 |
102 |
220 |
280 |
132 |
25 |
15 |
2001, 2002 |
495 |
|
592 |
350 |
190 |
305 |
135 |
|
220 |
280 |
132 |
25 |
15 |
ДМТКF(Н) 111-6 |
1001, 1002 |
|
488 |
574 |
342 |
190 |
240 |
|
140 |
220 |
290 |
132 |
20 |
19 |
2001, 2002 |
488 |
|
574 |
342 |
190 |
240 |
140 |
|
220 |
290 |
132 |
20 |
19 |
мткн 112-6*** |
1001, 1002 |
|
502 |
592 |
350 |
235 |
305 |
135 |
62 |
220 |
280 |
132 |
25 |
15 |
2001, 2002 |
502 |
|
592 |
350 |
235 |
305 |
95 |
|
220 |
280 |
132 |
25 |
15 |
ДМТКF(Н) 112-6 |
1001, 1002 |
|
528 |
614 |
342 |
235 |
285 |
|
135 |
220 |
290 |
132 |
20 |
19 |
2001, 2002 |
528 |
|
614 |
342 |
235 |
285 |
135 |
|
220 |
290 |
132 |
20 |
19 |
AMTKF(H) 132 Мб |
1001, 1002 |
536 |
|
647 |
350 |
203 |
245 |
89 |
|
216 |
270 |
132 |
15 |
12 |
2001, 2002 |
536 |
|
647 |
350 |
203 |
245 |
90 |
|
216 |
270 |
132 |
15 |
12 |
МТКН 132LA6*** |
1001, 1002 |
|
495 |
577 |
350 |
203 |
255 |
89 |
366 |
216 |
260 |
132 |
25 |
12 |
2001, 2002 |
495 |
|
577 |
350 |
203 |
255 |
127 |
|
216 |
260 |
132 |
25 |
12 |
МТКН 132LВ6*** |
1001, 1002 |
|
495 |
577 |
350 |
203 |
255 |
89 |
366 |
216 |
260 |
132 |
25 |
12 |
2001, 2002 |
495 |
|
577 |
350 |
203 |
255 |
127 |
|
216 |
260 |
132 |
25 |
12 |
AMTKF(H) 132 Lб |
1001, 1002 |
576 |
|
687 |
350 |
203 |
245 |
89 |
|
216 |
270 |
132 |
15 |
12 |
2001, 2002 |
576 |
|
687 |
350 |
203 |
245 |
90 |
|
216 |
270 |
132 |
15 |
12 |
мткн 211-6*** |
1001, 1002 |
|
608 |
720 |
415 |
243 |
345 |
150 |
107 |
245 |
305 |
160 |
25 |
15 |
2001, 2002 |
608 |
|
720 |
415 |
243 |
345 |
112 |
|
245 |
305 |
160 |
25 |
15 |
мткн 311** |
1001, 1002 |
|
590 |
745 |
450 |
260 |
335 |
155 |
110 |
280 |
355 |
180 |
30 |
24 |
2001, 2002 |
590 |
|
745 |
450 |
260 |
335 |
89 |
|
280 |
355 |
180 |
30 |
24 |
мткн 311 |
1001, 1002 |
|
625 |
745 |
480 |
260 |
320 |
|
155 |
280 |
350 |
180 |
21,5 |
24 |
2001, 2002 |
650 |
|
762 |
480 |
260 |
320 |
137 |
155 |
280 |
350 |
180 |
21,5 |
24 |
мткн 312** |
1001, 1002 |
|
655 |
810 |
450 |
320 |
400 |
170 |
100 |
280 |
355 |
180 |
30 |
24 |
2001, 2002 |
655 |
|
810 |
450 |
320 |
400 |
79 |
|
280 |
355 |
180 |
30 |
24 |
мткн 312 |
1001, 1002 |
|
690 |
810 |
480 |
320 |
380 |
|
170 |
280 |
350 |
180 |
21,5 |
24 |
2001, 2002 |
715 |
|
827 |
480 |
320 |
380 |
127 |
170 |
280 |
350 |
180 |
21,5 |
24 |
МТКН 200L** |
1003, 1004 |
|
780 |
923 |
510 |
305 |
400 |
133 |
|
318 |
400 |
200 |
25 |
19 |
мткн 411** |
1003, 1004 |
|
730 |
910 |
540 |
335 |
425 |
175 |
136 |
330 |
412 |
225 |
28 |
28 |
2003, 2004 |
730 |
|
910 |
540 |
335 |
425 |
114 |
|
330 |
412 |
225 |
28 |
28 |
мткн 411 |
1003, 1004 |
|
760 |
910 |
525 |
335 |
435 |
|
175 |
330 |
440 |
225 |
25 |
28 |
2003, 2004 |
781 |
|
924,5 |
525 |
335 |
435 |
147 ,5 |
175 |
330 |
440 |
225 |
25 |
28 |
мткн 412** |
1003, 1004 |
|
852 |
995 |
540 |
420 |
529 |
165 |
133 |
330 |
412 |
225 |
28 |
28 |
2003, 2004 |
852 |
|
995 |
540 |
420 |
529 |
162 |
|
330 |
412 |
225 |
28 |
28 |
мткн 412 |
1003, 1004 |
|
760 |
974 |
525 |
420 |
510 |
|
165 |
330 |
440 |
225 |
25 |
28 |
2003, 2004 |
781 |
|
924,5 |
525 |
420 |
510 |
72,5 |
165 |
330 |
440 |
225 |
25 |
28 |
4МТКМ 225М** |
1003, 1004 |
|
850 |
998 |
540 |
311 |
556 |
149 |
|
356 |
442 |
225 |
28 |
19 |
4МТКМ 225L** |
1003, 1004 |
|
1000 |
1148 |
540 |
356 |
556 |
149 |
|
356 |
442 |
225 |
28 |
19 |
мткн 511** |
1003, 1004 |
|
935 |
1105 |
585 |
310 |
530 |
251 |
|
380 |
480 |
250 |
30 |
35 |
мткн 311-6/16 |
1001, 1002 |
|
590 |
745 |
450 |
260 |
335 |
155 |
110 |
280 |
355 |
180 |
30 |
24 |
мткн 312-6/16 |
1001, 1002 |
|
655 |
810 |
450 |
320 |
400 |
170 |
100 |
280 |
355 |
180 |
30 |
24 |
мткн 411-4/24 |
1003, 1004 |
|
730 |
910 |
540 |
335 |
425 |
175 |
136 |
330 |
412 |
225 |
28 |
28 |
МТКН 412-4/24 |
1003, 1004 |
|
852 |
998 |
540 |
420 |
529 |
165 |
133 |
330 |
412 |
225 |
28 |
28 |
мткн 411-6/16 |
1003, 1004 |
|
730 |
910 |
540 |
335 |
425 |
175 |
136 |
330 |
412 |
225 |
28 |
28 |
мткн 412-6/16 |
1003, 1004 |
|
852 |
995 |
540 |
420 |
529 |
165 |
133 |
330 |
412 |
225 |
28 |
28 |
мткн 412-6/12 |
1003, 1004 |
|
852 |
995 |
540 |
420 |
529 |
165 |
133 |
330 |
412 |
225 |
28 |
28 |
МТКН 225М6/20 |
1003, 1004 |
|
850 |
|
540 |
311 |
556 |
149 |
|
356 |
442 |
225 |
28 |
19 |
МТКН 225L6/20 |
1003, 1004 |
|
1000 |
|
540 |
356 |
556 |
149 |
|
356 |
442 |
225 |
28 |
19 |
МТКН 225L6/12 |
1003, 1004 |
|
1000 |
|
540 |
356 |
556 |
149 |
|
356 |
442 |
225 |
28 |
19 |
мткн 511-4/24 |
1003, 1004 |
|
935 |
|
585 |
310 |
530 |
251 |
|
380 |
480 |
250 |
30 |
35 |
Габаритные, установочные и присоединительные размеры крановых электродвигателей с короткозамкнутым ротором

Тип |
dl |
ы |
hl |
h5 |
[] |
13 |
d5 |
h8 |
d20 |
d22 |
d24 |
d25 |
120 |
D |
F |
GD |
GA |
Е |
Е1 |
D1 |
|
м |
s |
р |
N |
т |
мткн О11-6*** |
1001, 1002 |
28 |
8 |
7 |
31 |
60 |
|
|
|
255 |
4*14 |
280 |
215 |
4 |
2001, 2002 |
28 |
8 |
7 |
31 |
60 |
|
|
|
255 |
4'14 |
280 |
215 |
4 |
ДМТКF 011-6 |
1001, 1002 |
28 |
8 |
7 |
31 |
60 |
|
|
|
|
|
|
|
|
2001, 2002 |
28 |
8 |
7 |
31 |
60 |
|
|
|
265 |
15 |
300 |
230 |
5 |
мткн 012-6'" |
1001, 1002 |
28 |
8 |
7 |
31 |
60 |
|
|
|
255 |
4'14 |
280 |
215 |
4 |
2001, 2002 |
28 |
8 |
7 |
31 |
60 |
|
|
|
255 |
4*14 |
280 |
215 |
4 |
ДМТКF 012-6 |
1001, 1002 |
28 |
8 |
7 |
31 |
60 |
|
|
|
|
|
|
|
|
2001, 2002 |
28 |
8 |
7 |
31 |
60 |
|
|
|
265 |
15 |
300 |
230 |
5 |
мткн 111-6*'* |
1001, 1002 |
35 |
10 |
8 |
38 |
80 |
|
|
|
300 |
4*18 |
330 |
250 |
4 |
2001, 2002 |
35 |
10 |
8 |
38 |
80 |
|
|
|
300 |
4'18 |
330 |
250 |
4 |
ДМТКF(Н) 111-6 |
1001, 1002 |
35 |
10 |
8 |
38 |
80 |
|
|
|
|
|
|
|
|
2001, 2002 |
35 |
10 |
8 |
38 |
80 |
|
|
|
300 |
18 |
330 |
250 |
5 |
мткн 112-6'" |
1001, 1002 |
35 |
10 |
8 |
38 |
80 |
|
|
|
300 |
4'18 |
330 |
250 |
4 |
2001, 2002 |
35 |
10 |
8 |
38 |
80 |
|
|
|
300 |
4'18 |
330 |
250 |
4 |
ДМТКF(Н) 112-6 |
1001, 1002 |
35 |
10 |
8 |
38 |
80 |
|
|
|
|
|
|
|
|
2001, 2002 |
35 |
10 |
8 |
38 |
80 |
|
|
|
300 |
18 |
330 |
250 |
5 |
AMTKF(H) 132 Мб |
1001, 1002 |
42 |
12 |
8 |
45 |
110 |
|
|
|
|
|
|
|
|
2001, 2002 |
42 |
12 |
8 |
45 |
110 |
|
|
|
300 |
19 |
350 |
250 |
5 |
МТКН 132LA6"* |
1001, 1002 |
42 |
12 |
8 |
45 |
110 |
|
|
|
300 |
4'19 |
350 |
250 |
4 |
2001, 2002 |
42 |
12 |
8 |
45 |
110 |
|
|
|
300 |
4'19 |
350 |
250 |
4 |
МТКН 132LB6"* |
1001, 1002 |
42 |
12 |
8 |
45 |
110 |
|
|
|
300 |
4*19 |
350 |
250 |
4 |
2001, 2002 |
42 |
12 |
8 |
45 |
110 |
|
|
|
300 |
4'19 |
350 |
250 |
4 |
AMTKF(H) 132 Lб |
1001, 1002 |
42 |
12 |
8 |
45 |
110 |
|
|
|
|
|
|
|
|
2001, 2002 |
42 |
12 |
8 |
45 |
110 |
|
|
|
300 |
19 |
350 |
250 |
5 |
мткн 211-6'** |
1001, 1002 |
40 |
12 |
8 |
43 |
110 |
|
|
|
300 |
4'18 |
330 |
250 |
5 |
2001, 2002 |
40 |
12 |
8 |
43 |
110 |
|
|
|
300 |
4'18 |
330 |
250 |
5 |
мткн 311** |
1001, 1002 |
50 |
14 |
9 |
53,5 |
110 |
|
|
|
300 |
4'18 |
350 |
250 |
5 |
2001, 2002 |
50 |
14 |
9 |
53,5 |
110 |
|
|
|
300 |
4*18 |
350 |
250 |
5 |
мткн 311 |
1001, 1002 |
50 |
14 |
9 |
53,5 |
110 |
|
|
|
|
|
|
|
|
2001, 2002 |
50 |
14 |
9 |
53,5 |
110 |
|
|
|
300 |
18 |
350 |
250 |
5 |
мткн 312" |
1001, 1002 |
50 |
14 |
9 |
53,5 |
110 |
|
|
|
300 |
4*18 |
350 |
250 |
5 |
2001, 2002 |
50 |
14 |
9 |
53,5 |
110 |
|
|
|
300 |
4'18 |
350 |
250 |
5 |
мткн 312 |
1001, 1002 |
50 |
14 |
9 |
53,5 |
110 |
|
|
|
|
|
|
|
|
2001, 2002 |
50 |
14 |
9 |
53,5 |
110 |
|
|
|
300 |
18 |
350 |
250 |
5 |
МТКН 200L" |
1003, 1004 |
65 |
16 |
10 |
33,9 |
140 |
105 |
М42'3 |
33,9 |
|
|
|
|
|
мткн 411" |
1003, 1004 |
65 |
16 |
10 |
33,9 |
140 |
105 |
М42*3 |
33,9 |
350 |
8*18 |
400 |
300 |
5 |
2003, 2004 |
65 |
16 |
10 |
33,9 |
140 |
105 |
М42'3 |
33,9 |
350 |
8'18 |
400 |
300 |
5 |
мткн 411 |
1003, 1004 |
65 |
16 |
|
|
140 |
105 |
М42х3 |
33,9 |
|
|
|
|
|
2003, 2004 |
65 |
16 |
|
|
140 |
105 |
М42х3 |
33,9 |
350 |
18 |
400 |
300 |
5 |
мткн 412** |
1003, 1004 |
65 |
16 |
10 |
33,9 |
140 |
105 |
М42'3 |
33,9 |
350 |
8'18 |
400 |
300 |
5 |
2003, 2004 |
65 |
16 |
10 |
33,9 |
140 |
105 |
М42*3 |
33,9 |
350 |
8'18 |
400 |
300 |
5 |
мткн 412 |
1003, 1004 |
65 |
16 |
|
|
140 |
105 |
М42х3 |
33,9 |
|
|
|
|
|
2003, 2004 |
65 |
16 |
|
|
140 |
105 |
М42х3 |
33,9 |
350 |
18 |
400 |
300 |
5 |
4МТКМ 225М" |
1003, 1004 |
70 |
18 |
11 |
36,4 |
140 |
105 |
М48*3 |
36,4 |
|
|
|
|
|
4МТКМ 225L** |
1003, 1004 |
70 |
18 |
11 |
36,4 |
140 |
105 |
М48'3 |
36,4 |
|
|
|
|
|
мткн 511" |
1003, 1004 |
70 |
18 |
11 |
36,4 |
140 |
105 |
М48'3 |
36,4 |
|
|
|
|
|
мткн 311-6/16 |
1001, 1002 |
50 |
14 |
9 |
53,5 |
110 |
|
|
|
|
|
|
|
|
мткн 312-6/16 |
1001, 1002 |
50 |
14 |
9 |
53,5 |
110 |
|
|
|
|
|
|
|
|
мткн 411-4/24 |
1003, 1004 |
65 |
16 |
10 |
33,9 |
140 |
105 |
М42'3 |
|
|
|
|
|
|
мткн 412-4/24 |
1003, 1004 |
65 |
16 |
10 |
33,9 |
140 |
105 |
М42*3 |
|
|
|
|
|
|
мткн 411-6/16 |
1003, 1004 |
65 |
16 |
10 |
33,9 |
140 |
105 |
М42'3 |
|
|
|
|
|
|
мткн 412-6/16 |
1003, 1004 |
65 |
16 |
10 |
33,9 |
140 |
105 |
М42*3 |
|
|
|
|
|
|
мткн 412-6/12 |
1003, 1004 |
65 |
16 |
10 |
33,9 |
140 |
105 |
М42'3 |
|
|
|
|
|
|
МТКН 225М6/20 |
1003, 1004 |
70 |
18 |
11 |
36,4 |
140 |
105 |
М48'3 |
|
|
|
|
|
|
МТКН 225L6/20 |
1003, 1004 |
70 |
18 |
11 |
36,4 |
140 |
105 |
М48*3 |
|
|
|
|
|
|
МТКН 225L6/12 |
1003, 1004 |
70 |
18 |
11 |
36,4 |
140 |
105 |
М48'3 |
|
|
|
|
|
|
мткн 511-4/24 |
1003, 1004 |
70 |
18 |
11 |
36,4 |
140 |
105 |
М48*3 |
|
|
|
|
|
|
Технические характеристики МТ, 4МТ, АМТ и ДМТ4
Тип двигателя |
Мощ-ть, кВт |
Об/мин |
Масса, кг |
Тип двигателя |
Мощ-ть, кВт |
Об/мин |
Масса, кг |
Тип двигателя |
Мощ-ть, кВт |
Об/мин |
Масса, кг |
МТН 011-6 ** |
1,4 |
866 |
74 |
4MT 200LA6 |
22,0 |
960 |
270 |
МТН 611-6 ** |
75,0 |
955 |
750 |
МТН 012-6 ** |
2,2 |
908 |
97 |
МТН 411-8 ** |
15,0 |
715 |
360 |
4MTH 280S6 ** |
75,0 |
955 |
740 |
ДМТF 011-6 |
1,4 |
880 |
56 |
МТН 411-8 |
15,0 |
715 |
275 |
МТН 611-6 |
75,0 |
955 |
740 |
ДМТF 012-6 |
2,2 |
890 |
63 |
4MT 200LA8 |
15,0 |
715 |
275 |
4MTM 280S6 |
75,0 |
955 |
740 |
МТН 111-6 ** |
3,5 |
915 |
105 |
МТН 412-6 ** |
30,0 |
962 |
375 |
МТН 613-6 ** |
110,0 |
970 |
980 |
ДМТF 111-6 |
3,5 |
900 |
92 |
МТН 412-6 |
30,0 |
960 |
300 |
4MTH 280L6 ** |
110,0 |
970 |
970 |
ДМТH 111-6 |
3,0 |
890 |
92 |
МТН 200LB6 ** |
30,0 |
960 |
311 |
МТН 613-6 |
110,0 |
970 |
970 |
МТН 112-6 ** |
5,0 |
915 |
125 |
4MT 200LB6 |
30,0 |
960 |
300 |
4MTM 280L6 |
110,0 |
970 |
970 |
ДМТF 112-6 |
5,0 |
925 |
110 |
МТН 412-8 ** |
22,0 |
715 |
375 |
4MTH 280S8 ** |
55,0 |
720 |
815 |
ДМТH 112-6 |
4,5 |
900 |
110 |
МТН 412-8 |
22,0 |
715 |
305 |
4MTM 280S8 |
55,0 |
715 |
740 |
AMTF 132 M6 |
5,0 |
925 |
120 |
МТН 200LB8 ** |
22,0 |
715 |
311 |
4MTH 280M8 ** |
75,0 |
725 |
970 |
AMTH 132 M6 |
4,5 |
925 |
123 |
4MTM 200LB8 |
22,0 |
715 |
305 |
4MTM 280M8 |
75,0 |
720 |
820 |
МТН 132LB6 ** |
7,5 |
940 |
120 |
МТН 511-6 ** |
37,0 |
995 |
400 |
4MTH 280L8 ** |
90,0 |
725 |
970 |
AMTF 132 L6 |
7,5 |
925 |
140 |
4MTM 225M6 ** |
37,0 |
995 |
390 |
4MTM 280L8 |
90,0 |
725 |
980 |
AMTH 132 L6 |
7,0 |
925 |
140 |
МТН 511-6 |
37,0 |
955 |
390 |
МТН 611-10 ** |
45,0 |
570 |
730 |
МТН 211-6 ** |
7,5 |
940 |
160 |
4MTM 225M6 |
37,0 |
955 |
390 |
4MTM 280S10 ** |
45,0 |
570 |
715 |
AMTF 211-6 |
7,5 |
925 |
156 |
МТН 511-8 ** |
30,0 |
715 |
400 |
МТН 611-10 |
45,0 |
570 |
715 |
AMTH 211-6 |
7,0 |
925 |
156 |
4MTM 225M8 ** |
30,0 |
715 |
390 |
4MTM 280S10 |
45,0 |
570 |
715 |
МТН 311-6 ** |
11,0 |
945 |
200 |
МТН 511-8 |
30,0 |
715 |
390 |
МТН 612-10 ** |
60,0 |
575 |
840 |
МТН 311-6 |
11,0 |
950 |
210 |
4MTM 225M8 |
30,0 |
715 |
390 |
4MTM 280M10 ** |
60,0 |
575 |
825 |
МТН 311-8 ** |
7,5 |
690 |
200 |
МТН 512-6 ** |
55,0 |
955 |
480 |
МТН 612-10 |
60,0 |
575 |
825 |
МТН 311-8 |
7,5 |
700 |
220 |
4MTM 225L6 ** |
55,0 |
955 |
470 |
4MTM 280M10 |
60,0 |
575 |
825 |
МТН 312-6 ** |
15,0 |
962 |
231 |
МТН 512-6 |
55,0 |
955 |
490 |
МТН 613-10 ** |
75,0 |
575 |
840 |
МТН 312-6 |
15,0 |
950 |
240 |
4MTM 225L6 |
55,0 |
955 |
490 |
4MTM 280L10 ** |
75,0 |
575 |
825 |
МТН 312-8 ** |
11,0 |
700 |
231 |
МТН 512-8 ** |
37,0 |
725 |
480 |
МТН 613-10 |
75,0 |
575 |
975 |
МТН 312-8 |
11,0 |
710 |
240 |
4MTM 225L8 ** |
37,0 |
725 |
470 |
4MTM 280L10 |
75,0 |
575 |
975 |
МТН 411-6 ** |
22,0 |
960 |
375 |
МТН 512-8 |
37,0 |
725 |
470 |
|
|
|
|
МТН 411-6 |
22,0 |
960 |
270 |
4MTM 225L8 |
37,0 |
725 |
470 |
|
|
|
|
Тип двигателя |
Мощ-ть, кВт |
Об/мин |
Масса, кг |
Тип двигателя |
Мощ-ть, кВт |
Об/мин |
Масса, кг |
Тип двигателя |
Мощ-ть, кВт |
Об/мин |
Масса, кг |
ДМТKF 011-6 |
1,4 |
875 |
43 |
МТКН 311-6 |
11 |
900 |
200 |
МТKН 412-8 |
22 |
700 |
290 |
ДМТKF 012-6 |
2,2 |
880 |
51 |
МТКН 311-8 |
7,5 |
695 |
200 |
4MTKM 200LB8 |
22 |
700 |
290 |
MTKH 111-6 ** |
3,5 |
870 |
85 |
MTKH 312-6 ** |
15 |
962 |
205 |
МТKН 511-6 |
37 |
930 |
360 |
ДМТKF 111-6 |
3,5 |
900 |
83 |
МТКН 312-6 |
15 |
915 |
220 |
4MTKM 225M6 |
37 |
930 |
360 |
ДМТKH 111-6 |
3,0 |
910 |
83 |
MTKH 312-8 ** |
11 |
700 |
205 |
МТKН 511-8 |
30 |
700 |
360 |
MTKH 112-6 ** |
5,0 |
910 |
95 |
МТКН 312-8 |
11 |
700 |
220 |
4MTKM 225M8 |
30 |
700 |
360 |
ДМТKF 112-6 |
5,0 |
910 |
97 |
МТKН 411-6 |
22 |
945 |
253 |
МТKН 512-6 |
55 |
925 |
460 |
ДМТKH 112-6 |
4,5 |
900 |
97 |
4MTK 200LA6 |
22 |
945 |
253 |
4MTKM 225L6 |
55 |
925 |
460 |
AMTKF 132 M6 |
5,0 |
905 |
103 |
МТKН 411-8 |
15 |
705 |
260 |
МТKН 512-8 |
37 |
700 |
450 |
AMTKH 132 M6 |
4,5 |
905 |
103 |
4MTK 200LA8 |
15 |
705 |
260 |
4MTKM 225L8 |
37 |
700 |
450 |
AMTKF 132 L6 |
7,5 |
905 |
120 |
МТKН 412-6 |
30 |
945 |
279 |
|
|
|
|
AMTKH 132 L6 |
7,0 |
900 |
120 |
4MTK 200LB6 |
30 |
945 |
279 |
|
|
|
|
Назад к списку