Вы здесь
Электродвигатель КВЕ 2002-6
Электродвигатель КВЕ 2002-6 — это современный асинхронный мотор, предназначенный для эксплуатации в различных бытовых и промышленных установках. Он отличается надежной конструкцией и качественной сборкой, что обеспечивает его бесперебойную работу при длительной нагрузке.
Данный двигатель специально разработан для применения в составе тельферов и талей, особенно электрических канатных моделей серий VAT, HVAT, CVAT и KVAT.
Мощность двигателя составляет 3,0 кВт, а его скорость вращения — 920 об/мин. Режим работы — ПВ 40%.
В стандартной комплектации двигатель поставляется с тормозом. При необходимости может быть дополнительно оснащён термозащитой.
Преимущества КВЕ 2002-6
- Хорошо переносит перегрузки и вибрационные нагрузки
 - Имеет компактные габариты и небольшой вес
 - Обеспечивает длительный срок службы при соблюдении правил эксплуатации
 - Подходит для установки в составе различного оборудования: вентиляционного, насосного, компрессорного и т.д.
 
Сферы применения
- Промышленные станки и производственные линии
 - Системы вентиляции и кондиционирования воздуха
 - Насосные установки и системы водоснабжения
 - Техника, используемая в сельском хозяйстве
 
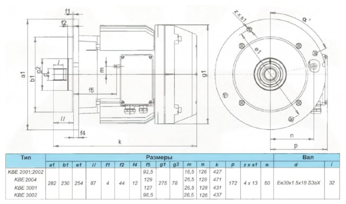
Габаритные размеры КВЕ 2002-6

Технические характеристики КВЕ 2002-6
| Мощность: | 3,0 кВт | 
| Частота вращения: | 920 об/мин | 
| Кол-во скоростей: | [1] - односкоростной | 
| Продолжительность включения: | 40% | 240 вкл/час; | 
| Степень защиты: | IP 54, IP 22 тормоза; | 
| Класс изоляции: | [F] - стандартно; [H] - доп.опция; | 
| Наличие термозащиты [тип]: | нет (доп.опция); | 
| Напряжение питания/частота: | 380B/50Гц (стандартно) | 
| Монтажное исполнение: | Фланцевое IM B5 (EN 60034-7) | 
| Климатическое исполнение: | -25...+40°C У2 (по умолчанию) | 
| Тип исполнения: | Общепромышленный | 
| Заменяет / аналогичен: | KV 2002-6 (Элмот) | 
| Применение двигателя | |
| Изготовитель тельфера/крана: | Элмот, Болгария | 
| Канатных тельферов серии: | VAT | 
| Грузоподъемностью [полиспаст]: | 2t - [2/1]; 4t - [4/1]; | 
| Со скоростью подъема [полиспаст]: | [2t][2/1] - 8 м/мин; [4t][4/1] - 4 м/мин; | 
| Для механизма: | подъема | 
			


