Вы здесь

Цилиндрический крановый редуктор РМ-350 

Двухступенчатый цилиндрический горизонтальный редуктор РМ-350 — это надежная и проверенная временем модель, разработанная в СССР, которая до сих пор активно используется в различных отраслях промышленности. Благодаря компактным габаритам и массе 150 кг он успешно применяется в приводах грузоподъемных кранов, горнодобывающего оборудования, ленточных конвейеров, лебедок и других механизмов.

Редуктор обеспечивает стабильную передачу вращения с изменением крутящего момента и частоты вращения, поддерживая высокий коэффициент полезного действия при минимальных потерях энергии.

Диапазон передаточных чисел от 8 до 50 позволяет использовать его для различных производственных задач. Две ступени зубчатых передач с эвольвентным зацеплением гарантируют плавную и надежную работу, а прочный чугунный корпус защищает внутренние узлы от повреждений, увеличивая срок службы оборудования.

Благодаря высокой прочности и надежности, редуктор РМ-350 востребован в устройствах с высокими нагрузками и умеренной мощностью. Он сочетает долговечность, эффективность и универсальность, что делает его оптимальным выбором для промышленных применений.

Условия применения

  • Постоянная или переменная нагрузка, однонаправленная и реверсивная;
  • Длительная работа или с периодическими остановками, вращение валов в любую сторону;
  • Максимальная частота вращения входного вала — 1500 об/мин;
  • Температура окружающей среды от –40°С до +50°С;
  • Повышенная запыленность, неагрессивная среда;
  • Климатическое исполнение У, Т для категории размещения 1–4 по ГОСТ 15150.

Пример обозначения при заказе

РМ-350-40-12-ЦЦ У2

  • РМ – тип редуктора;
  • 350 – межосевое расстояние;
  • 40 – номинальное передаточное число;
  • 12 – вариант сборки (см. раздел "Размеры");
  • ЦЦ – исполнение концов входного и выходного валов;
  • У2 – климатическое исполнение и категория размещения.

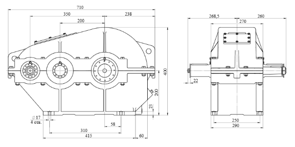
Габаритные размеры РМ-350

Технические характеристики РМ-350

Технические характеристики РМ-350
Тип передачи Цилиндрические
Расположение осей Параллельное
Количество ступеней Двухступенчатый
Входной вал Конический
Выходной вал Цилиндрический, Зубчатая муфта
Передаточное отношение 12.5, 8, 10, 16, 20, 31.5, 40, 22.4, 50
Варианты сборки 11, 21, 31, 12, 22, 32, 13, 23, 33
Крутящий момент Н*м 700
Масса 145
Назад к списку