Вы здесь

Цилиндрический крановый редуктор РМ-400 

Двухступенчатый цилиндрический горизонтальный редуктор РМ-400 — это надежная модель, созданная в СССР и сохраняющая актуальность в промышленности до настоящего времени.

При массе 210 кг редуктор отличается компактными габаритами и высокой прочностью, что делает его универсальным решением для применения в приводах грузоподъемных кранов, горнодобывающего оборудования, ленточных конвейеров, лебедок и других механизмов, работающих с большими нагрузками.

Устройство обеспечивает передачу вращательного движения с изменением крутящего момента и частоты вращения, сохраняя высокий коэффициент полезного действия и сниженные потери энергии. Диапазон передаточных чисел от 8 до 50 расширяет возможности его применения в различных режимах работы.

Редуктор оснащен двумя ступенями зубчатых передач с эвольвентным зацеплением, что гарантирует плавность и стабильность функционирования, а также уменьшает износ рабочих элементов.

Прочный чугунный корпус защищает внутренние узлы от внешних воздействий и механических повреждений. Благодаря надежности и долговечности, редуктор РМ-400 оптимально подходит для эксплуатации в условиях интенсивных нагрузок и продолжительной работы.

Условия применения

  • Постоянная или переменная нагрузка, однонаправленная или реверсивная работа;
  • Длительная работа или режим с периодическими остановками, вращение валов в любую сторону;
  • Максимальная частота вращения входного вала — 1500 об/мин;
  • Температурный диапазон от –40°С до +50°С;
  • Повышенная запыленность, неагрессивная среда;
  • Климатическое исполнение У, Т для категории размещения 1-4 по ГОСТ 15150.

Пример обозначения при заказе

  • РМ — тип редуктора;
  • 400 — межосевое расстояние;
  • 40 — номинальное передаточное число;
  • 12 — вариант сборки (см. раздел «Размеры»);
  • ЦЦ — исполнение концов входного и выходного валов;
  • У2 — климатическое исполнение и категория размещения.

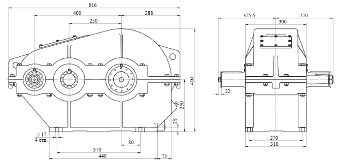
Габаритные размеры РМ-400

Технические характеристики РМ-400

Технические характеристики РМ-400
Тип передачи Цилиндрические
Расположение осей Параллельное
Количество ступеней Двухступенчатый
Входной вал Конический
Выходной вал Цилиндрический, Зубчатая муфта
Передаточное отношение 12.5, 8, 10, 16, 20, 31.5, 40, 22.4, 50
Варианты сборки  22, 32, 13, 23, 33
Крутящий момент Н*м 1000
Масса 210
Назад к списку