Вы здесь

Цилиндрический крановый редуктор РМ-650 

Двухступенчатый цилиндрический горизонтальный редуктор РМ-650 — это прочная и проверенная модель, разработанная еще в СССР и востребованная на современных промышленных предприятиях. При массе 878 кг он используется в приводах грузоподъемных кранов, ленточных конвейеров, лебедок, горнодобывающего и другого оборудования, работающего под значительными нагрузками.

Модель РМ-650 предназначена для передачи вращательного движения с изменением частоты вращения и крутящего момента при сохранении высокого КПД. Такое сочетание характеристик делает редуктор надежным и экономичным решением для задач, где требуется долговечность и эффективность. Диапазон передаточных чисел от 8 до 50 позволяет использовать его в разных режимах работы и условиях эксплуатации.

Конструкция редуктора включает две ступени зубчатых колес с эвольвентным зацеплением, что обеспечивает стабильность, плавность и долговечность работы при минимальном износе деталей.

Корпус, выполненный из прочного чугуна, эффективно защищает внутренние узлы от механических повреждений и негативного воздействия окружающей среды. Благодаря этому редуктор РМ-650 демонстрирует надежную работу даже в тяжелых условиях эксплуатации.

Условия применения

  • Постоянная или переменная нагрузка, однонаправленная или реверсивная;
  • Непрерывная работа или с периодическими остановками, вращение валов в любую сторону;
  • Максимальная частота вращения входного вала — 1500 об/мин;
  • Температура окружающей среды от –40°С до +50°С;
  • Повышенная запыленность, неагрессивная среда;
  • Климатическое исполнение У, Т для категории размещения 1–4 по ГОСТ 15150.

Пример обозначения при заказе

  • РМ — тип редуктора;
  • 650 — межосевое расстояние;
  • 40 — номинальное передаточное число;
  • 12 — вариант сборки (смотрите схему в разделе «Размеры»);
  • ЦЦ — исполнение конца входного и выходного вала;
  • У2 — климатическое исполнение и категория размещения.

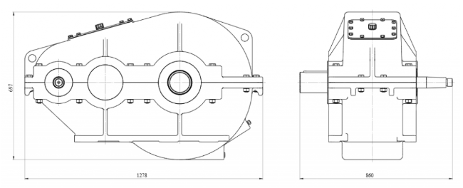
Габаритные размеры РМ-650

Технические характеристики РМ-650

Технические характеристики РМ-650
Тип передачи Цилиндрические
Расположение осей Параллельное
Количество ступеней Двухступенчатый
Входной вал Конический
Выходной вал Цилиндрический, Зубчатая муфта
Передаточное отношение 12.5, 8, 10, 16, 20, 31.5, 40, 22.4, 50
Варианты сборки  11, 21, 31, 12, 22, 32, 13, 23, 33
Крутящий момент Н*м 4500
Масса 878
Назад к списку