Вы здесь

Цилиндрический крановый редуктор РМ-750 

Двухступенчатый цилиндрический горизонтальный редуктор РМ-750 — это надежная и долговечная модель, разработанная в СССР и до сих пор широко применяемая в промышленности. Благодаря своей прочности и ресурсу, при массе 1030 кг он используется в приводных системах грузоподъемных кранов, ленточных конвейеров, лебедок, горнодобывающего и другого оборудования, работающего в условиях повышенных нагрузок.

Основное назначение редуктора РМ-750 заключается в передаче вращательного движения с изменением крутящего момента и частоты вращения при сохранении высокого КПД, что обеспечивает экономичную и эффективную работу механизмов. Диапазон передаточных чисел от 8 до 50 позволяет применять устройство в различных режимах эксплуатации и под разные требования по нагрузке.

Конструкция включает две ступени зубчатых колес с эвольвентным зацеплением, которые обеспечивают плавный ход, стабильность и минимальный износ элементов.

Корпус редуктора выполнен из прочного чугуна, что гарантирует надежную защиту внутренних механизмов от механических повреждений и внешних факторов. Это делает модель РМ-750 оптимальным решением для работы в тяжелых условиях и при длительной эксплуатации.

Условия применения

  • Постоянная или переменная нагрузка, однонаправленная и реверсивная;
  • Длительная работа или режим с периодическими остановками, вращение валов в любом направлении;
  • Частота вращения входного вала не более 1500 об/мин;
  • Температура окружающей среды от –40°С до +50°С;
  • Повышенная запыленность, неагрессивная среда;
  • Климатическое исполнение У, Т, категория размещения 1-4 по ГОСТ 15150.

Пример обозначения при заказе

РМ-750-40-12-ЦЦ У2, где:

  • РМ – тип редуктора;
  • 750 – межосевое расстояние;
  • 40 – номинальное передаточное число;
  • 12 – вариант сборки;
  • ЦЦ – исполнение концов входного и выходного вала;
  • У2 – климатическое исполнение и категория размещения.

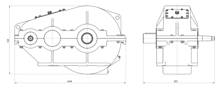
Габаритные размеры РМ-750

Технические характеристики РМ-750

Технические характеристики РМ-750
Тип передачи Цилиндрические
Расположение осей Параллельное
Количество ступеней Двухступенчатый
Входной вал Конический
Выходной вал Цилиндрический, Зубчатая муфта
Передаточное отношение 12.5, 8, 10, 16, 20, 31.5, 40, 22.4, 50
Варианты сборки 11, 21, 31, 12, 22, 32, 13, 23, 33
Крутящий момент Н*м 7500
Масса 1030
Назад к списку