Вы здесь
Электропривод Belimo AM230-2-S
Электропривод Belimo AM230-2-S применяется для управления воздушными заслонками площадью до 4 м2 в системах вентиляции и кондиционирования воздуха зданий.
- Крутящий момент 20 Нм;
- Номинальное напряжение 100 ... 240 В~;
- Управление: открыто/закрыто или трехпозиционное;
- Встроенный вспомогательный переключатель
Электропривод Belimo AM230-2-S устанавливается непосредственно на вал заслонки при помощи универсального захвата, снабжается фиксатором, предотвращающим вращение корпуса электропривода.
Возможно ручное управление при помощи кнопки с самовозвратом (при нажатой кнопке редуктор выводится из зацепления).
Угол поворота настраивается при помощи механических упоров.
Электропривод Belimo AM230-2-S защищен от перегрузки, не требует конечных выключателей и останавливается автоматически при достижении конечных положений.
Гибкая система сигнализации с настраиваемым вспомогательным переключателем (0…100%).
Электропривод Belimo AM230-2-S cнят с производства. Замена на Nectogen SM230A-S
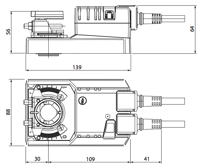
Габаритные размеры электропривода Belimo AM230-2-S
Технические характеристики электропривода Belimo AM230-2-S
Номинальное напряжение | 100 ...240В-, 50/60 Гц |
Диапазон номинального напряжения | 85..,265 В |
Расчетная мощность | 6ВА |
Потребляемая мощность Во время вращения / В состоянии покоя | 2,5 Вт при номинальном крутящем моменте / 0,6 Вт |
Вспомогательный переключатель | 1 однополюсный, 1 мА…3(0,5) А, 250 В~ (настраивается 0 ... 100%) |
Соединение Двигатель / Вспом.переключатель | Кабель 1 м, 3x0,75 мм2 / Кабель 1 м, 3x0,75 мм2 |
Крутящий момент (номинальный) | Мин. 20 Нм при номинальном напряжении |
Направление вращения | Реверсивное за счет переключателя 0 или 1 |
Ручное управление | Редуктор выводится из зацепления при помощи кнопки с самовозвратом, ручная блокировка |
Угол поворота | Макс. 95°<), ограничение с двух сторон при помощи настраиваемых механических упоров |
Время поворота | 150 с |
Уровень шума | Макс. 45 дБ |
Индикация положения | Механический указатель, съемный |
Класс защиты | II (все изолировано) |
Степень защиты корпуса | IP54 в любом положении установки |
Температура окружающей среды | -30...+50°С |
Температура хранения | -40...+80°С |
Вес | 1500 г , 1100г |