Вы здесь
Электропривод BELIMO BFG230
Электропривод BELIMO BFG230 предназначен для управления противопожарными клапанами небольших размеров и эксплуатируется в системах кондиционирования и вентиляции.
Электропривод устанавливается на клапан в заводских условиях, обеспечивая высокую эффективность при пожаре.
Электропривод Belimo BFG230 оборудован системой электронного управления, обеспечивающей быстрое и эффективное срабатывание.
При необходимости устройство можно переключить в ручной режим.
После срабатывания блокировки открыть клапан можно вручную или с помощью привода, когда на него вновь будет подано питание.
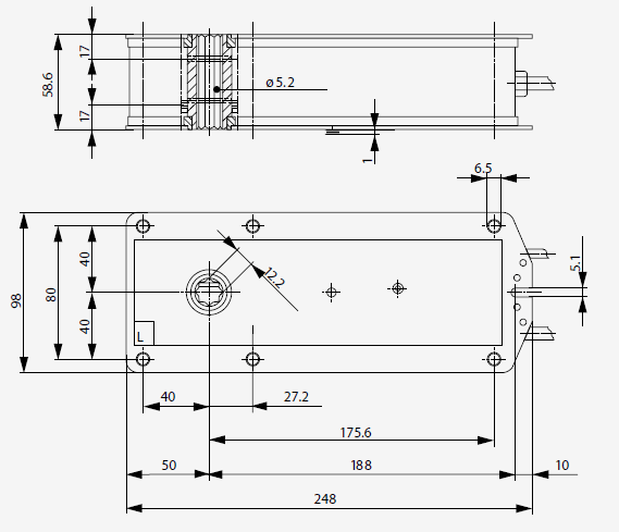
Габаритные размеры электропривода BELIMO BFG230
Технические характеристики электропривода BELIMO BFG230
Напряжение питания | 230 В ~ 50/60 Гц | |
Диапазон номинального напряжения | 198…264 B~ | |
Расчетная мощность | 12,5 ВА | |
Потребляемая мощность | при движении | 8 Вт |
при удержании | 3 Вт | |
Соединительный кабель | двигателя | Длина 1 м, 2х0,75 мм2 |
переключателей | Длина 1 м, 6х0,75 мм2 | |
Вспомогательные переключатели | 2 шт. Однополюсные, перекидные | |
6(3) А, 250 В~ (двойная изоляция) | ||
Точки переключения | BFG.. - 25º , 145º | |
Угол поворота | BFG.. - 180º | |
Направление поворота | Выбирается установкой L/R | |
Крутящий момент | двигатель мин. | 11 Нм |
пружина мин. | 8,5 Нм | |
Подсоединение к клапану | 10 мм | |
Время поворота | Двигатель 140 сек | |
Пружина ~16 с при +20 ºС | ||
Класс защиты | II (все изолировано) | |
Степень защиты | IP54 | |
Температура эксплуатации | -30…+50 ºС | |
Температура хранения | -40…+50 ºС | |
Уровень шума | Двигатель | макс. 45 дБ |
Пружина | ~62 дБ (А) | |
Тех. обслуживание | Не требуется | |
Срок службы | Минимум 60 000 полных циклов | |
Вес, кг | 3,1 |