Вы здесь
Электропривод Belimo CM24-R
Электропривод Belimo CM24-R предназначен для управления воздушными заслонками в системах вентиляции и кондиционирования воздуха зданий.
- Для управления воздушными заслонками площадью приблиз. до 0,4 м 2;
- Крутящий момент 2 Нм;
- Номинальное напряжение 24 В ~/=;
- Управление: откр./закр. или трехпозиционное управление.
Особенности Belimo CM24-R
- Простая установка непосредственно на вал заслонки при помощи универсального захвата ( 6…12,7 мм), снабжается фиксатором, предотвращающим вращение корпуса электропривода.
- Возможно ручное управление при помощи магнита (редуктор выводится из зацепления на все время, пока магнит расположен на части корпуса с обозначением , магнит встроен в указатель положения)
- Угол поворота настраивается при помощи механических упоров.
- Электропривод защищен от перегрузки, не требует конечных выключателей и останавливается автоматически при достижении конечных положений.
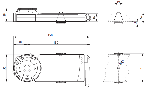
Габаритные размеры Belimo CM24-R
Технические характеристики Belimo CM24-R
Электрические параметры | |
Номинальное напряжение | 24 В ~ 50/60 Гц: 24 В= |
Диапазон номинального напряжения | 19,2 … 28,8 В |
Расчетная мощность | 1 ВА |
Потребляемая мощность | |
во время вращения | 0,5 Вт |
в состоянии покоя | 0,2 Вт |
Соединение | Кабель: 1 м, 3 х 0,75 мм2 |
Функциональные данные | |
Крутящий момент (номинальный) | Мин. 2 Нм при номинальном напряжении |
Ручное управление | Редуктор выводится из зацепления при помощи магнита |
Угол поворота | |
без механического ограничения | - неограничен |
с механическим ограничением | - фикс. 315° , или 0° …287,5° ограничение с двух сторон при помощи механических упоров, настраивается с шагом 2,5° |
Время поворота | 75 с / 90° |
Уровень шума | Макс. 35 дБ |
Индикация положения | Механический указатель, съемный (со встроенным магнитом для ручного управления) |
Безопасность | |
Класс защиты | III |
Степень защиты корпуса | IP54 в любом положении установки |
Температура окружающей cреды | –30 ... +50 °C |
Температура хранения | –40 ... +80 °C |
Влажность окружающей среды | 95% отн., не конденсир. (EN 60730-1) |
Техническое обслуживание | Не требуется |
Вес | 220 г |