Вы здесь
Электропривод Belimo NFA
Электропривод Belimo NFA предназначен для управления воздушными заслонками, выполняющими охранные функции в системах вентиляции и кондиционирования воздуха зданий.
Электропривод защищен от перегрузки, не требует конечных выключателей и останавливается автоматически при достижении конечных положений.
Ручное управление осуществляется при помощи ручного поворотного ключа. Привод можно заблокировать при помощи ключа в любой точке угла поворота. Блокировка снимается вручную или при подаче питания на привод.
Простая установка непосредственно на вал заслонки при помощи универсального захвата, снабжается фиксатором, предотвращающим вращение корпуса электропривода.
Особенности Belimo NFA
- Для управления воздушными заслонками площадью приблиз. до 2,0 м2;
- Крутящий момент 10 Нм;
- Номинальное напряжение 24...240 В ~ 50/60 Гц / 24...125 В=;
- Управление: открыто / закрыто;
- 2 встроенных вспомогательных переключателя.
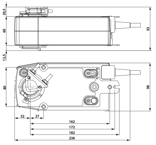
Габаритные размеры Belimo NFA
Технические характеристики Belimo NFA
Номинальное напряжение | 24...240 В~ 50/60 Гц / 24...125 В= |
Диапазон номинального напряжения | 19,2...264 В~ / 21,6...137,5 В= |
Расчетная мощность | 9,5 ВА |
Потребляемая мощность | |
во время вращения | 6 Вт |
в состоянии покоя | 2,5 Вт |
Вспомогательные переключатели | 2 однополюсных с двойным переключением 1 мА… 3 (0.5)А 250 В~ |
Соединение | Кабель |
питание / управление | 1 м, 2 × 0,75 мм2 |
Направление вращения | Выбирается установкой L/R |
Ручное управление | С помощью ручного ключа с блокировкой |
Угол поворота | Макс. 95°, (может быть ограничен c помощью встроенного механического упора начиная с 33% с шагом 2,5 %) |
Время поворота | |
двигатель | 75 с / 90° |
пружина | <20 с при –20…+50°С / <60 с при –30 °С |
Индикация положения | Механическая |
Уровень шума (двигатель) | 45 дБ |
Класс защиты | II (все изолировано) |
Степень защиты корпуса | IP54 |
Температура окружающей cреды | –30° ... +50 °C |
Температура хранения | –40° ... +80 °C |
Техническое обслуживание | Не требуется |
Вес | 2100 г |