Вы здесь
Электропривод BELIMO SMV-D3-MP-AX
Электропривод BELIMO SMV-D3-MP-AX предназначен для точного и надежного управления воздушной заслонкой в системах вентиляции и кондиционирования воздуха в зданиях.
Установка привода SMV-D3-MP-AX на вал заслонки не требует дополнительных инструментов или приспособлений.
Благодаря универсальным захватам, встроенным в конструкцию, монтаж выполняется легко. Привод совместим с валами заслонок диаметром от 6 до 12,7 мм.
В комплекте предусмотрена монтажная пластина, которая крепится на заслонке, предотвращая вращение корпуса привода.
На корпусе привода есть кнопка для активации ручного управления. При её нажатии привод можно свободно вращать, что упрощает настройку и тестирование.
Кнопка оснащена фиксатором, который возвращает её в исходное положение при повторном нажатии.
Диапазон хода привода регулируется механически с помощью упоров, что позволяет адаптировать устройство под конкретные задачи.
Функция сигнализации осуществляется через настраиваемые вспомогательные переключатели, которые позволяют задать диапазон срабатывания от 0 до 100%.
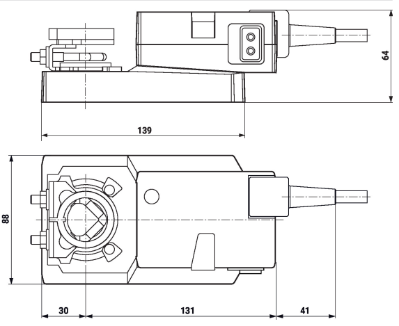
Габаритные размеры SMV-D3-MP-AX
Технические характеристики SMV-D3-MP-AX
Тип привода заслонки | Технология MP-Bus |
Управление/Переключение | Откр/Закр (2-х позиц.) / 3-х позиц |
Крутящий момент Нм | 5 |
Время поворота | 150 сек |
Площадь заслонки | 2 кв. м. |
Тип захвата штока | универсальный захват |
Питание, напряжение, В | 24 |
Кабель | 1м, 4x0.75 мм², Клеммы |
Тип привода | электропривод |