Электропривод GR230A-5(-7) 

Поворотный электропривод для дисковых затворов

 

 

 

 

 

 

 

Технические данные

Номинальное напряжение 100 ... 240 В ~ 50/60 Гц
Диапазон номинального напряжения 85…265 В ~
Расчетная мощность 7 ВА
Потребляемая мощность:
- во время вращения
- в состоянии покоя

4.5 Вт
2 Вт
Соединение Кабель 1 м, 3 х 0,75 мм2
Крутящий момент (номинальный) Мин. 40 Нм при номинальном напряжении
Ручное управление Редуктор выводится из зацепления при помощи кнопки с самовозвратом, ручная блокировка
Время поворота 150 с / 95°
Уровень шума Макс. 45 дБ (без клапана)
Индикация положения Механический указатель, съемный
Класс защиты II (все изолировано)
Степень защиты корпуса IP54 в любом положении установки
Электромагнитная совместимость Соответствует 89/336/ЕЕС
Температура окружающей среды 0…+50 °С
Температура переносимой среды –20...+100°C (диск. поворотная заслонка)
Температура хранения -40...+80ºС
Влажность окружающей среды 95% отн., не конденсир.(по EN 60730-1)
Техническое обслуживание не требуется
Вес ≈ 1850 г

Схема подключения

Преимущества

Простая прямая установка
Простая прямая установка на дисковую поворотную заслонку с установочным фланцем F05 (F07 для GR24A-7). Положение установки по отношению к поворотной заслонке может выбираться с шагом 90°.

Высокая функциональная надежность
Электропривод защищен от перегрузки, не требует конечных выключателей, останавливается автоматически при достижении конечных положений.

Дисковая поворотная заслонка D6..

Электропривод GR24A-5 устанавливается на дисковые поворотные заслонки BELIMO D6... с установочным фланцем F05, а также на поворотные заслонки других производителей клапанов, соответствующих следующей спецификации:

  • Конец штока квадратного сечения 14 х 14 мм для соединения с поворотным электроприводом
  • Круглое отверстие d = 50 мм для монтажа с поворотной заслонкой

Электропривод GR24A-7 устанавливается на дисковые поворотные заслонки BELIMO D6... с установочным фланцем F075, а также на поворотные заслонки других производителей клапанов, соответствующих следующей спецификации:

  • Конец штока квадратного сечения 17 х 17 мм для соединения с поворотным электроприводом
  • Круглое отверстие d = 70 мм для монтажа с поворотной заслонкой

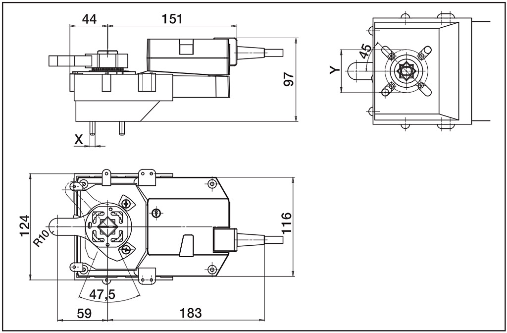
Габаритные размеры (мм)

Тип привода X[мм] Y[мм]
GR230A-5 6 50
GR230A-7 8 70

 

 

 

 

 

 

 

 

 

Электрические аксессуары

  • Вспомогательный переключатель S...A, 1 или 2 полюс.
  • Потенциометр обратной связи Р...А: 140, 500, 1000, 2800, 5000 и ли 10000 Ом
Назад к списку