Вы здесь
Электропривод NRF24A(-O) NRF24A-S2(-O)
Поворотный электропривод для 2х и 3х ходовых шаровых кранов с функцией аварийного управления
- Крутящий момент 10 Нм
- Номинальное напряжение 24 В ~/=
- Управление откр./закр.
- 2 встроенных вспомогательных переключателя для NRF24AS2(O)
- NRF24A(S2): нормально закрыт НЗ
- NRF24A(S2)O: нормально открыт НО
Технические данные
| Номинальное напряжение | 24 В ~ 50/60 Гц / 24 B= |
| Диапазон номинального напряжения | 19,2…28,8 В ~ / 21,6…28,8 В= |
| Расчетная мощность | 8,5 ВА |
|
Потребляемая мощность: - во время вращения - в состоянии покоя |
6 Вт при номинальном крутящем моменте 2,5 Вт |
|
Соединение Двигатель Вспом. перекл. NRF24AS2(O) |
Кабель: 1 м , 2×0,75 мм2 Кабель: 1 м , 6×0,75 мм2 |
| Вспомогательный переключатель для NRF24AS2(O) |
2×ОСДП , 1 мА…3(0.5) А, 250 В~ (1 фикс. 10%, 1 настраиваемый 11…100% ) |
| Параллельное подключение | Есть (с учетом мощностей) |
|
Крутящий момент (номинальный) - двигатель - пружина |
Мин. 10 Нм при номинальном напряжении Мин. 10 Нм |
|
Направление вращения — Пружина NRF24A, NRF24AS2 NRF24AО, NRF24AS2О |
НЗ — Обесточен: шаровой кран закрыт (ААВ=0%) НО — Обесточен: шаровой кран открыт (ААВ=100%) |
| Ручное управление | С помощью ручного ключа с блокировкой |
| Угол поворота | Макс. 90 ° |
|
Время поворота - двигатель - пружина |
≤75 с / 90 ° ≤20 с при –20…50°С / макс. 60 с при –30°С |
|
Уровень шума - двигатель - пружина |
≤ 45 дБ ≤ 62 дБ |
| Индикация положения | Механическая |
| Класс защиты | III (для низких напряжений) |
| Степень защиты корпуса | IP54 |
| Температура окружающей среды | –30…+50 °С |
| Температура теплоносителя | +5…+100 °С (в шаровом кране ) |
| Температура хранения | -40...+80ºС |
| Влажность окружающей среды | 95% отн., не конденсир. |
| Техническое обслуживание | не требуется |
| Вес | ≈ 2,2 кг NRF24AS2(O); ≈ 2 кг NRF24A(O) |
Схема подключения
Управление
Электропривод перемещает шар крана в заданное положение, одновременно взводя встроенную пружину. При прекращении подачи питания энергия, запасенная в пружине, возвращает кран в исходное положение.
Преимущества
Простая прямая установка
Простая установка при помощи одного винта.Положение установки по отношению к крану может выбираться с шагом 90°.
Ручное управление
Возможно ручное управление при помощи кнопки с самовозвратом (при нажатой кнопке редуктор выводится из зацепления)
Настраиваемый угол поворота
Угол поворота настраивается при помощи механических упоров.
Высокая функциональная надежность
Электропривод защищен от перегрузки, не требует конечных выключателей, останавливается автоматически при достижении конечных положений.
Гибкая система сигнализации
Электроприводы NRF…S2 оснащены одним фиксированным 10% вспомогательным переключателем и одним настраиваемым 11…100% переключателем.
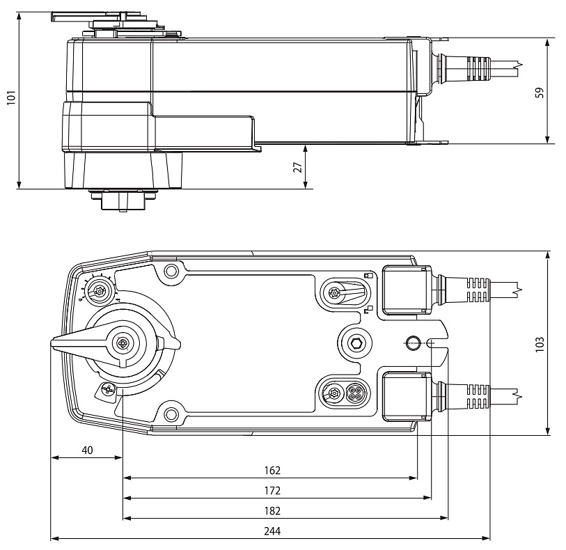
Габаритные размеры (мм)
Дополнительныые материалы
Назад к списку

_podkl.jpg)
_shema.jpg)


