Вы здесь

Электропривод (исполнительный механизм) МЭОФ 250 

Электропривод (исполнительный механизм) МЭОФ 250 фланцевого типа обеспечивает регулировку подачи жидких и газообразных веществ по трубопроводам через автоматические системы посредством управляющего сигнала.

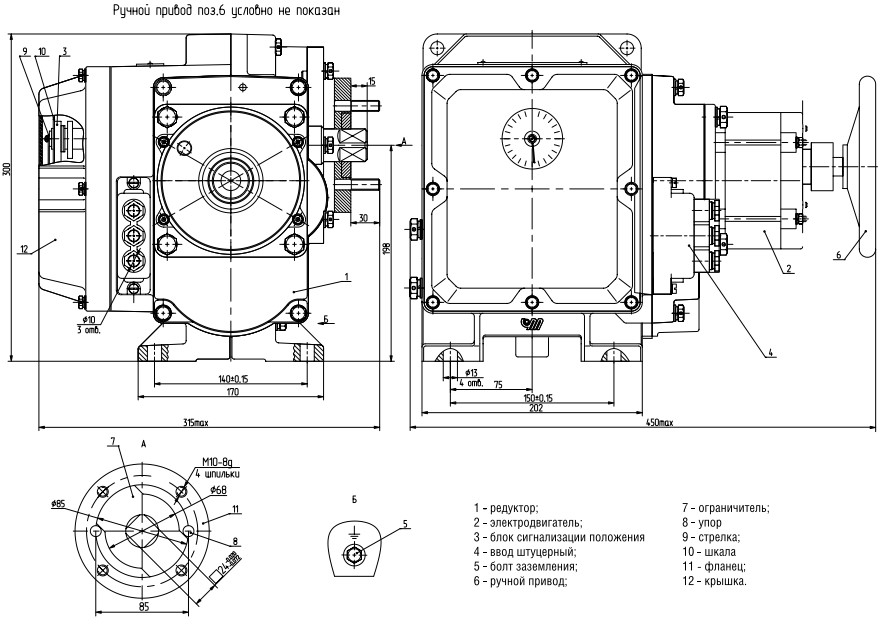
Конструкция МЭОФ 250:

  • электродвигатель синхронный,
  • редуктор червячный,
  • блоки контроля положения,
  • фланец.

Технические характеристики электроприводов МЭОФ 250

Условное обозначение механизмов Потребляемая мощность, Вт Напряжение питания, управляющее устройство
МЭОФ 250/63-0,25 160


220В ПБР-2М(2М1) /
380В ПБР-3А, ФЦ-0610

МЭОФ 250/160-0,63
МЭОФ 250/25-0,25 270

МЭОФ 250/63-0,63

Схема устройства МЭОФ 250

Электропривод (исполнительный механизм) МЭОФ 250

Назад к списку