Вы здесь

Электропривод (исполнительный механизм) МЭОФ 40 

Исполнительный механизм МЭОФ 40 во фланцевом исполнении необходим для электроприводов в трубопроводной арматуре. МЭОФ 40 регулирует подачу жидких или газообразных вещества по трубам.

Конструкция МЭОФ 40

  • синхронный электродвигатель;
  • токовый, индуктивный и реостатный блоки;
  • червячный редуктор.

Выпускаются данные электроприводы в нескольких климатических исполнениях.

Технические характеристики МЭОФ 40

Условное обозначение механизмов Потребляемая мощность, Вт Напряжение питания, управляющее устройство
МЭОФ 40/25-0,25 110

220В ПБР-2М(2М1) /
380В ПБР-3А, ФЦ-0610

МЭОФ 40/63-0,63
МЭОФ 40/63-0,25
МЭОФ 40/160-0,63
МЭОФ 40/10-0,25 160
МЭОФ 40/25-0,63

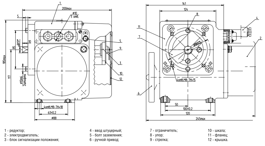
Схема устройства МЭОФ 40

Электропривод (исполнительный механизм) МЭОФ 40

Назад к списку