Вы здесь

Электропривод (исполнительный механизм) МЭОФ 630 

Электропривод (исполнительный механизм) МЭОФ 630 используется для управления регулирующими устройствами различного типа в различных отраслях промышленности.

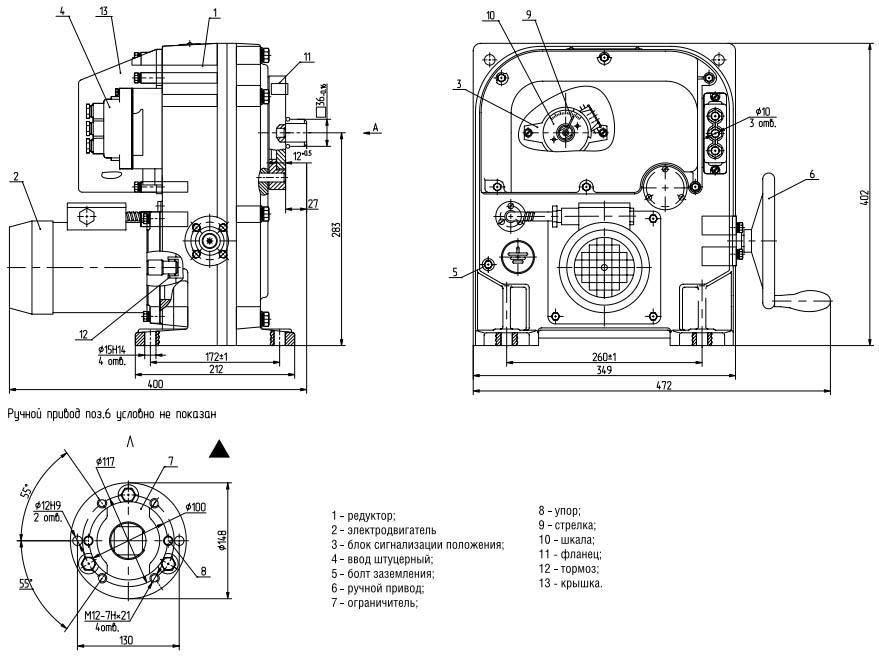
Конструкция МЭОФ 630

  • редуктор червячного типа;
  • электродвигатель;
  • специальный блок, который сигнализирует оператора о текущем положении;
  • панель;
  • специальный болт для обустройства заземления;
  • корпус с классом защиты IP54.

Технические характеристики МЭОФ-630

  • крутящий момент - 630 Н*м;
  • время для полного хода вала 10 - 160 сек.;
  • полный ход вала 0,25 или 0,63 оборотам (в зависимости от модели);
  • мощность потребления – 0,2 кВт;
  • общая масса в стандартном корпусе – 70 кг, во взрывозащищенном – 96 кг.

Схема устройства МЭОФ 630

Электропривод (исполнительный механизм) МЭОФ 630

Назад к списку