Вы здесь

Электропривод для клапанов дымоудаления Vilmann TASA2-10S 

Электропривод для клапанов дымоудаления Vilmann TASA2-10S предназначен для работы с клапанами дымоудаления.

Перемещение заслонки из исходного положения в рабочее и обратно при помощи электродвигателя в зависимости от схемы подключения. 

Встроенные микропереключатели обеспечивают сигнализацию положения заслонки.

 

Особенности электропривода с возвратной пружиной Vilmann TASA2-10S

  • Время срабатывания – < 30 сек;
  • Напряжение питания – AC 230В ±10%;
  • Вспомогательный переключатель – 2 однополюсных с двойным переключением;
  • Для клапана площадью ≤ 2 м².

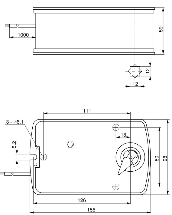
Габаритные размеры электропривода с возвратной пружиной Vilmann TASA2-10S

Технические характеристики электропривода с возвратной пружиной Vilmann TASA2-10S

Термодатчик нет
Момент вращения привода 10 Нм
Момент вращения пружины 10 Нм
Угол поворота 95°
Площадь клапана ≤ 2 м²
Номинальное рабочее напряжение AC 230В ±10%
Частота 50…60 Гц
Потребляемая мощность при повороте заслонки 4,2 Вт
Потребляемая мощность при удержании заслонки 2,5 Вт
Расчетная мощность, не более 10 ВА
Вспомогательные переключатели 2 х SPDT, 5° и 85° 3 (1.5) A / 230В
Время перемещения заслонки в рабочее (защитное) положение 30 с
Класс защиты II (все изолировано)
Степень защиты IP 54
Рабочая температура воздуха при эксплуатации, согласно стандарту IEC 721-3-3 -20…+50 °С
Относительная влажность 5…95 %
Срок службы ≥ 60000 циклов
Уровень шума ≤ 45 дБ
Температура транспортировки и хранения 30…+60 °С
Масса привода 2,1 Кг

Схема подключения электропривода с возвратной пружиной Vilmann TASA2-10S

Назад к списку