Вы здесь
Электропривод с термодатчиком Vilmann TAFA2-08ST
Электропривод с термодатчиком Vilmann TAFA2-08ST предназначен для работы с нормально открытыми (НО) и нормально закрытыми (НЗ) противопожарными клапанами.
Перевод в защитное положение снятием питания с привода или разрывом цепи питания термодатчиком.
Встроенные микропереключатели обеспечивают сигнализацию положения заслонки.
Термодатчик NTS72 состоит из двух датчиков:
- датчика наружной температуры (ТД1);
- датчика температуры в канале (ТД2).
Оба датчика настроены на температуру 72°C и при ее превышении цепь размыкается.
Степень защиты всех электроприводов Vilmann - IP54, это означает, что их можно использовать во влажных помещениях и на улице.
Корпус обеспечивает защиту только от брызг, капель и пыли, попадающих на корпус с любого направления.
Погружение в воду или попадание прямой струи воды недопустимо!
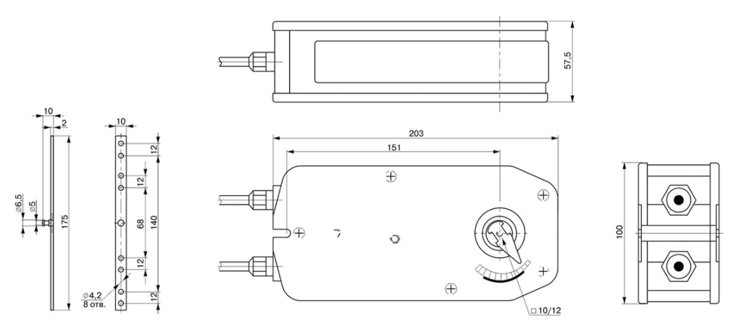
Габаритные размеры электропривода с возвратной пружиной Vilmann TAFA2-08ST

Технические характеристики электропривода с возвратной пружиной Vilmann TAFA2-08ST
| Термодатчик | есть |
| Момент вращения привода | 8 Нм |
| Момент вращения пружины | 8 Нм |
| Угол поворота | 95° |
| Площадь клапана | ≤ 1.5 м² |
| Номинальное рабочее напряжение | AC 230В ±10% |
| Частота | 50…60 Гц |
| Потребляемая мощность при повороте заслонки | 8 Вт |
| Потребляемая мощность при удержании заслонки | 5.5 Вт |
| Расчетная мощность, не более | 10 ВА |
| Вспомогательные переключатели | 2 х SPDT, 5° и 85° 3 (1.5) A / 230В |
| Время перемещения заслонки в рабочее (защитное) положение | 25 с |
| Время возврата заслонки в исходное положение | 75…95 с |
| Класс защиты | II (все изолировано) |
| Степень защиты | IP 54 |
| Рабочая температура воздуха при эксплуатации, согласно стандарту IEC 721-3-3 | -20…+50 °С |
| Относительная влажность | 5…95 % |
| Срок службы | ≥ 60000 циклов |
| Уровень шума | ≤ 45 дБ |
| Температура транспортировки и хранения | -25…+70 °С |
| Масса привода | 2,3 Кг |
Схема подключения электропривода с возвратной пружиной Vilmann TAFA2-08ST




