Вы здесь

Электропривод с возвратной пружиной Vilmann TAFA2-05S 

Электропривод с возвратной пружиной Vilmann TAFA2-05S предназначен для работы с нормально открытыми (НО) и нормально закрытыми (НЗ) противопожарными клапанами.

Перевод клапана в защитное положение происходит путём снятия питания с привода с помощью пружинного возврата.

Встроенные микропереключатели обеспечивают сигнализацию положения заслонки.

Степень защиты всех электроприводов Vilmann IP54, это означает, что их можно использовать во влажных помещениях и на улице.

Корпус обеспечивает защиту только от брызг, капель и пыли, попадающих на корпус с любого направления.

Погружение в воду или попадание прямой струи воды недопустимо!

Особенности электропривода с возвратной пружиной Vilmann TAFA1-05S

  • Крутящий момент: 5Нм;
  • Напряжение питания – AC 230В ±10%;
  • Время срабатывания – 50…70с, от пружины 20с;
  • Вспомогательный переключатель – 2 однополюсных с двойным переключением;
  • Для клапана площадью ≤ 1 м²;
  • Степень защиты: IP54 (защита от пыли и брызг);
  • Невысокая цена за европейское качество;
  • Аналог Belimo BFL230 и Belimo BLF230.

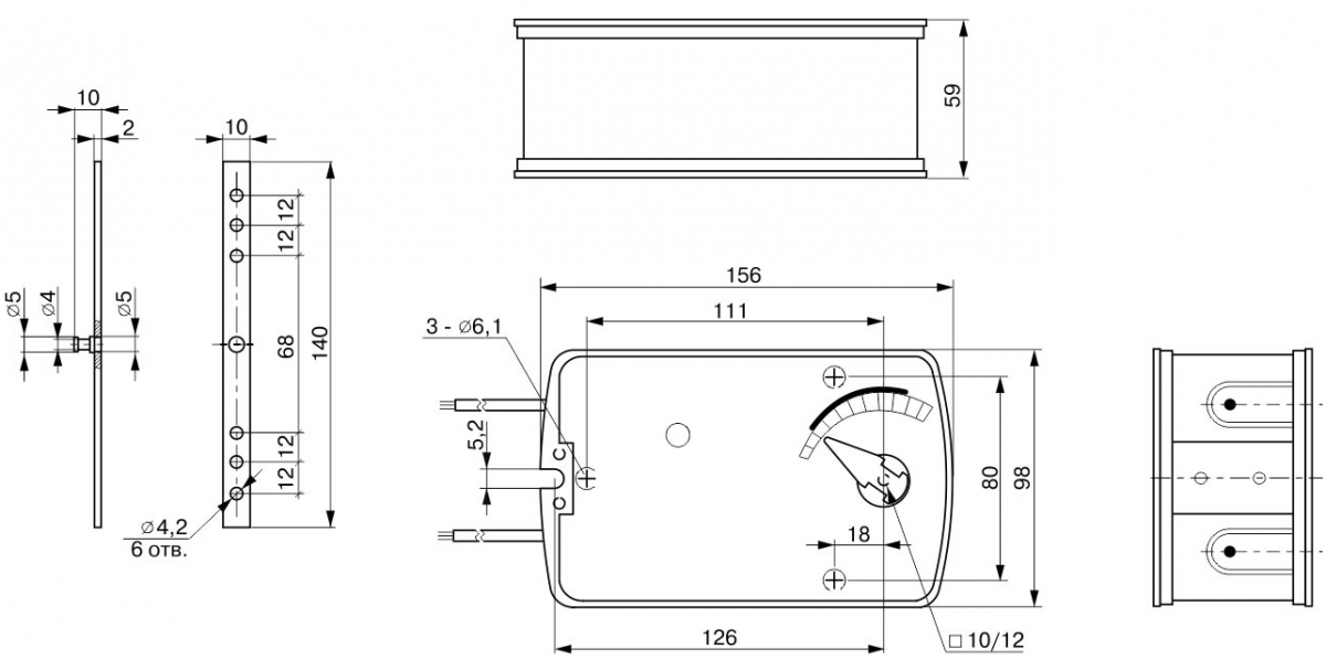
Габаритные размеры электропривода с возвратной пружиной Vilmann TAFA2-05S

Технические характеристики электропривода с возвратной пружиной Vilmann TAFA2-05S

Термодатчик нет
Момент вращения привода 5 Нм
Момент вращения пружины 5 Нм
Угол поворота 95°
Площадь клапана ≤ 1 м²
Номинальное рабочее напряжение AC 230В ±10%
Частота 50…60 Гц
Потребляемая мощность при повороте заслонки 4,2 Вт
Потребляемая мощность при удержании заслонки 2,5 Вт
Расчетная мощность, не более 10 ВА
Вспомогательные переключатели 2 х SPDT, 5° и 85° 3 (1.5) A / 230В
Время перемещения заслонки в рабочее (защитное) положение 20 с
Время возврата заслонки в исходное положение 50…70 с
Класс защиты II (все изолировано)
Степень защиты IP 54
Рабочая температура воздуха при эксплуатации, согласно стандарту IEC 721-3-3 -20…+50 °С
Относительная влажность 5…95 %
Срок службы ≥ 60000 циклов
Уровень шума ≤ 45 дБ
Температура транспортировки и хранения -25…+70 °С
Масса привода 1,9 Кг

Схема подключения электропривода с возвратной пружиной Vilmann TAFA2-05S

Назад к списку