Кран четырехходовой КО 512.17.04.000 

Кран четырехходовой КО 512.17.04.000 предназначен для поочередного изменения направления воды от водяного насоса высокого давления к размывочному пистолету, к размывочной головке, к линии сброса воды в цистерну.

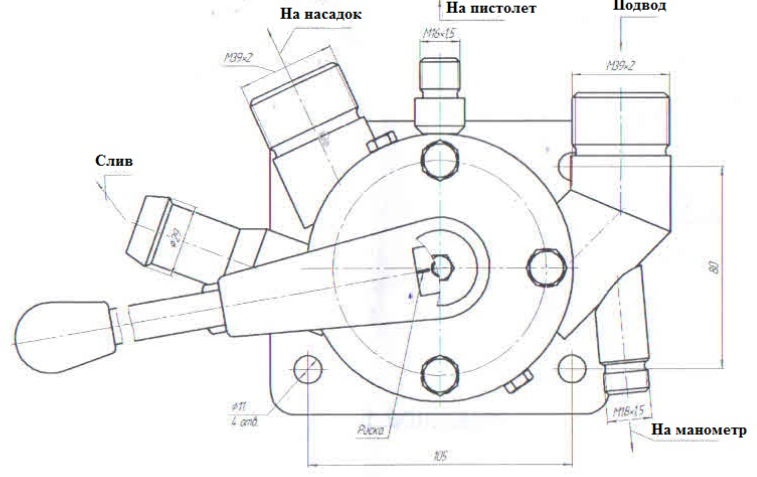
На корпусе крана имеются:

  • резьбовые патрубки (М39х2; М16х1,5) для подсоединения рукавов высокого давления;
  • патрубок М14х1,5 для подсоединения трубки подвода воды к манометру;
  • ниппель для соединения с рукавом (Ду=25) слива воды в цистерну.

Кран устанавливается на каналопромывочных машинах:

  • КО-502Б;
  • КО-502Б-2;
  • КО-504;
  • КО-512;
  • КО-514;

Также данный кран можно устанавливать на комбинированной машине КО-560.

Функции крана четырехходового КО 512.17.04.000

  • открывает подачу воды к размывочной головке;
  • открывает линию сброса воды в цистерну;
  • открывает подачу воды к пистолету размывочному;
  • полностью перекрывает подачу воды при завершении работы.

Конструкция КО 512.17.04.000

  1. Корпус;
  2. Рукоятка управления;
  3. Пробка;
  4. Крышка;
  5. Крышка;
  6. Кольцо;
  7. Прокладка.

Технические характеристики крана четырехходового КО 512.17.04.000

Давление воды
Номинальное, Па 10
Максимальное, Па 16
Условный проход, мм 18
Расход воды, max, м3/час 12,5
Усилие на рычаге управления, max, кгс 10
Масса, кг 10
Габаритные размеры, мм 295х140х160
Назад к списку