Вы здесь
Кран шаровый приварной КШ.П.П.ALSO GAS
Стальные полнопроходные шаровые краны ALSO GAS под приварку относятся к запорной трубопроводной арматуре промышленного назначения
Эти шаровые краны предназначены для монтажа в трубопроводах для транспортировки нефти и газа, системах тепловодоснабжения, различных системах.
Основные применяемые стали
- Ст. 20, подвижные части ст. 20Х13 (обычное исполнение);
- Ст. 09Г2С, подвижные части ст. 20Х13 (хладостойкое исполнение);
- Ст. 12Х18Н10Т (коррозионностойкое исполнение).
Модели серии GAS
- КШ.П.П.GAS DN 15-200 PN 25-40 приварка/приварка;
- КШ.П.П.GAS DN 250-500 PN 16-25 под редуктор, приварка/приварка.
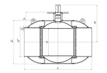
Габаритно-присоединительные размеры

| DN | PN | Каталожное обозначение | d | d* | S | D | H | h | I | L | Вес.кг |
| 15 | 40 | КШ.П.П.GAS.015.40-01 | 15 | 21 | 2.8 | 26.8 | 72 | 21 | 150 | 200 | 0.9 |
| 20 | 40 | КШ.П.П.GAS.020.40-01 | 18 | 27 | 3.2 | 33.5 | 76 | 21 | 150 | 230 | 1.2 |
| 25 | 40 | КШ.П.П.GAS.025.40-01 | 24 | 33 | 3.2 | 42.3 | 80 | 21 | 150 | 230 | 1.4 |
| 32 | 40 | КШ.П.П.GAS.032.40-01 | 30 | 42 | 3.5 | 48 | 105 | 40 | 220 | 250 | 2.2 |
| 40 | 40 | КШ.П.П.GAS.040.40-01 | 40 | 48 | 3.5 | 57 | 114 | 44 | 220 | 270 | 2.6 |
| 50 | 40 | КШ.П.П.GAS.050.40-01 | 48 | 57 | 4 | 76 | 119 | 39 | 220 | 280 | 3.7 |
| 65 | 25 | КШ.П.П.GAS.065.25-01 | 63 | 76 | 4 | 89 | 152 | 61 | 295 | 280 | 5.4 |
| 80 | 25 | КШ.П.П.GAS.080.25-01 | 75 | 89 | 5 | 108 | 162 | 61 | 295 | 300 | 7.2 |
| 100 | 25 | КШ.П.П.GAS.100.25-01 | 100 | 108 | 5 | 133 | 193 | 94 | 514 | 330 | 13.4 |
| 125 | 25 | КШ.П.П.GAS.125.25-01 | 125 | 133 | 6 | 159 | 210 | 98 | 514 | 360 | 18.8 |
| 150* | 25 | КШ.П.П.GAS.150.25-01 | 148 | 159 | 6 | 180 | 238 | 112 | 514 | 390 | 28.1 |
| 200* | 25 | КШ.П.П.GAS.200.25-01 | 200 | 219 | 8 | 245 | 269 | 127 | 630 | 510 | 65.5 |
* Рекомендуется установка редуктора


| DN | PN | Каталожное обозначение | d | d* | S | D | H | h | I | L |
| 250 | 16 | КШ.П.П.GAS.250.16-01 | 240 | 273 | 8 | 325 | 138 | 371 | 730 | 145.5 |
| 250 | 25 | КШ.П.П.GAS.250.25-01 | 240 | 273 | 8 | 325 | 138 | 371 | 730 | 145.5 |
| 300 | 16 | КШ.П.П.GAS.300.16-01 | 300 | 325 | 10 | 325 | 220 | 455 | 730 | 237 |
| 300 | 25 | КШ.П.П.GAS.300.25-01 | 300 | 325 | 10 | 325 | 220 | 455 | 730 | 237 |
| 400 | 16 | КШ.П.П.GAS.400.16-01 | 390 | 426 | 10 | 426 | 219 | 532 | 970 | 404.5 |
| 400 | 25 | КШ.П.П.GAS.400.25-01 | 390 | 426 | 10 | 426 | 219 | 532 | 970 | 404.5 |
| 500 | 16 | КШ.П.П.GAS.500.16-01 | 500 | 530 | 10 | 530 | 264 | 654 | 990 | 912 |
| 500 | 25 | КШ.П.П.GAS.500.25-01 | 500 | 530 | 10 | 530 | 264 | 654 | 990 | 912 |
** В комплекте с механическим редуктором PRO GEAR/ROTORK
Таблца обозначения шаровых кранов ALSO




