Вы здесь
Кран шаровый приварной КШ.П.П.ALSO.RS
Стальные полнопроходные шаровые краны ALSO RS под приварку относятся к запорной трубопроводной арматуре промышленного назначения.
Эти шаровые краны предназначены для монтажа в трубопроводах для транспортировки нефти и газа, системах тепловодоснабжения, различных системах.
Основные применяемые стали
- Ст. 20, подвижные части ст. 20Х13 (обычное исполнение);
- Ст. 09Г2С, подвижные части ст. 20Х13 (хладостойкое исполнение);
- Ст. 12Х18Н10Т (коррозионностойкое исполнение).
Модели серии RS
- KШ.П.П.RS DN 15-200 PN 25-40 приварка/приварка;
- КШ.П.П.Р.RS DN 250-500 PN 25 под редуктор, приварка/приварка.
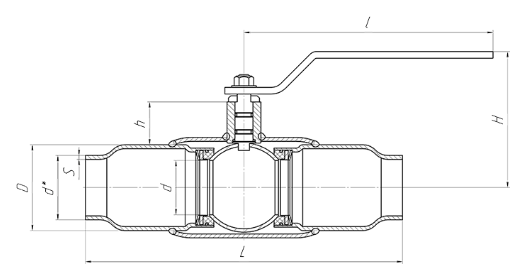
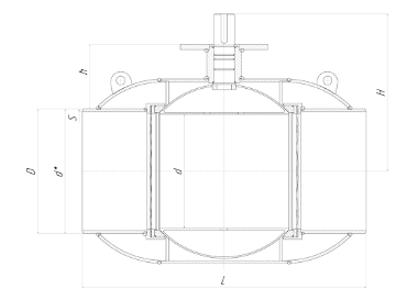
Габаритно-присоединительные размеры
DN | PN | Каталожное обозначение | d | d* | S | D | H | h | I | L | Вес.кг |
15 | 40 | КШ.П.П.RS.015.40-02 | 15 | 22 | 3 | 27 | 72 | 21 | 150 | 230 | 0.9 |
20 | 40 | КШ.П.П.RS.020.40-02 | 18 | 27 | 3 | 32 | 76 | 21 | 150 | 230 | 1.2 |
25 | 40 | КШ.П.П.RS.025.40-02 | 24 | 32 | 3.5 | 42.3 | 80 | 21 | 150 | 260 | 1.4 |
32 | 40 | КШ.П.П.RS.032.40-02 | 30 | 42 | 4 | 48 | 105 | 40 | 220 | 260 | 2.2 |
40 | 40 | КШ.П.П.RS.040.40-02 | 40 | 48 | 3.5 | 57 | 114 | 44 | 220 | 300 | 2.6 |
50 | 40 | КШ.П.П.RS.050.40-02 | 48 | 57 | 4 | 76 | 119 | 39 | 220 | 360 | 3.7 |
65 | 25 | КШ.П.П.RS.065.25-02 | 63 | 76 | 4 | 108 | 152 | 61 | 295 | 370 | 5.4 |
80 | 25 | КШ.П.П.RS.080.25-02 | 75 | 89 | 5 | 108 | 162 | 61 | 295 | 390 | 7.3 |
100 | 25 | КШ.П.П.RS.100.25-02 | 100 | 108 | 5 | 133 | 193 | 94 | 514 | 390 | 13.3 |
125 | 25 | КШ.П.П.RS.125.25-02 | 125 | 133 | 6 | 159 | 210 | 98 | 514 | 390 | 18 |
150* | 25 | КШ.П.П.RS.150.25-02 | 148 | 159 | 8 | 219 | 238 | 112 | 514 | 430 | 28 |
200* | 25 | КШ.П.П.RS.200.2502 | 200 | 219 | 8 | 245 | 269 | 127 | 630 | 600 | 69.3 |
* Рекомендуется установка редуктора
DN | PN | Каталожное обозначение | d | d* | S | D | H | h | I | L | Вес.кг |
250** | 25 | КШ.П.П.RS.250.25-02 | 240 | 273 | 10 | 325 | 371 | 138 | - | 730 | 145.5 |
300** | 25 | КШ.П.П.RS.300.25-02 | 300 | 325 | 10 | 325 | 455 | 220 | - | 730 | 237 |
400** | 25 | КШ.П.П.RS.400.25-02 | 390 | 426 | 10 | 426 | 532 | 219 | - | 970 | 404.5 |
500** | 25 | КШ.П.П.RS.500.25-02 | 500 | 530 | 10 | 530 | 654 | 264 | - | 990 | 912 |
** В комплекте с механическим редуктором PRO GEAR/ROTORK