Вы здесь
R6...W..-S8 2-ходовый регулирующий шаровой кран, фланцы PN16
2ходовый регулирующий шаровой кран, фланцы PN16
- Закрытые системы горячей и холодной воды
- Для плавного регулирования воды в системах подготовки воздуха и отопления
- Непроницаемый для пузырьков воздуха
Типы кранов
Технические характеристики
| Среда | Холодная и горячая вода (содержание гликоля макс 50%) |
| Температура среды | Вода +5°С ... +120 °С (-10...+5°С по запросу) |
| Номинальное давление Ps | См. «Обзор типов» |
| Пропускная способность Kvs | См. «Обзор типов» |
| Характеристика потока | Регулирующий канал А-АВ равнопроцентная |
| Дифференциальное давление | ΔPmax 400 кПа |
| Запирающее давление | ΔPs 600 кПа |
| Уровень утечки | Непроницаемый для пузырьков воздуха |
| Трубное присоединение | Фланцы PN16 |
| Угол поворота | 90° (рабочий диапазон 15...90°) |
| Положение установки | От вертикального до горизонтального (относительно штока) |
| Тех. обслуживание | Не требуется |
| Тело клапана | Крашеный чугун GG25 |
| Шар | Нержавеющая сталь AlSl 316 |
| Шток | Нержавеющая сталь AlSl 304 |
| Уплотнение штока | EPDM Perox |
| Седло шара | PTFE |
| Корректирующий диск | Нержавеющая сталь |
Принцип действия
Регулирующий клапан управляется при помощи поворотного электропривода . Поворотные электроприводы управляются стандартным сигналом 0...10 В= или по 3-позиционной схеме и поворачивают шар внутри крана – регулирующее устройство – в открытое положение согласно управляющему сигналу . Кран открывается в направлении против часовой стрелки и закрывается по часовой стрелке
Характеристика потока
Равно-процентная характеристика потока обеспечивается встроенным корректирующим диском.

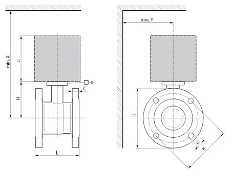
| DN [мм] | L [мм] | H [мм] | D [мм] | C [мм] | K [мм] | d [мм] | X(1) [мм] | Y(1) [мм] | Вес [кг] |
|---|---|---|---|---|---|---|---|---|---|
| 65 | 136,5 | 113 | 185 | 20 | 145 | 4×19 | 311 | 150 | 11 |
| 80 | 167,5 | 113 | 200 | 20,5 | 160 | 8×19 | 311 | 150 | 14,5 |
| 100 | 211 | 137 | 229 | 22 | 180 | 8×19 | 330 | 175 | 22 |
| 125 | 262,5 | 156 | 254 | 22 | 210 | 8×19 | 350 | 200 | 32,8 |
| 150 | 315 | 156 | 282 | 22 | 240 | 8×24 | 350 | 200 | 43 |
ВНИМАНИЕ!
- Клапан разработан для использования в системах отопления, вентиляции и кондиционирования и не применяется в областях, выходящих за рамки указанные в спецификации, особенно для применения на воздушных суднах.
- Устройство может устанавливаться только обученным персоналом. В процессе установки должны быть учтены все рекомендации заводаизготовителя.
- Клапан не содержит частей, которые могут бытьпереустановлены или отремонтированы потребителем.
- Недопустима утилизация вместе с бытовыми отходами. Необходимо соблюдать все действующие правила и инструкции, относящиесяк данной конкретной местности.
- При расчете потока в регулирующем или конечном управляющем элементе должны учитываться принятые правила и нормы.
Дополнительныые материалы
Назад к списку




