Вы здесь
Линейный сервопривод LA27
Мощный линейный сервопривод LA27 , разработанным для кроватей для ухода на дому.
Линейный сервопривод LA27 работает на втягивание и выталкивание и имеет очень крепкую конструкцию, благодаря ультрозвуковой сварке пластмассового корпуса.
Линейный сервопривод LA27 оснащен штекером для подключения съемного кабеля с разъемом MiniFit.
Это дает возможность заказывать стандартные актуаторы и комбинировать их с кабелями различной длины. Из-за встроенного детектора сигнала и специального штепселя, этот актуатор совместим только с блоком управления CB6.
Линейный сервопривод LA27 имеет маленькую стандартную программу, где присутствуют всего несколько стандартных длин и размеров.
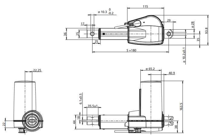
Габаритные размеры линейного сервопривода LA27


Назад к списку



