Вы здесь
Линейный сервопривод LA28 Compact
Мощный, бесшумный и очень надежный линейный сервопривод LA28 Compact, разработанный для медицинского применения (использованиях в креслах-каталках, подъемниках пациентов и креслах для процедур).
Преимущества линейного сервопривода LA28 Compact
- Компактный дизайн и небольшие монтажные размеры;
- Металлическое заднее крепление гарантирует, что актуатор выдержит усилие натяжения и обеспечит высокий уровень безопасности;
- Бесшумная работа;
- Максимальное осевое усилие 3500 Н при толкании (с мощным двигателем) и 2000 Н при натяжении;
- Наличие опций, таких как ограничитель и предохранительная гайка для обеспечения безопасной эксплуатации в любой период времени;
- Устройство доступно с классом защиты IPX6.
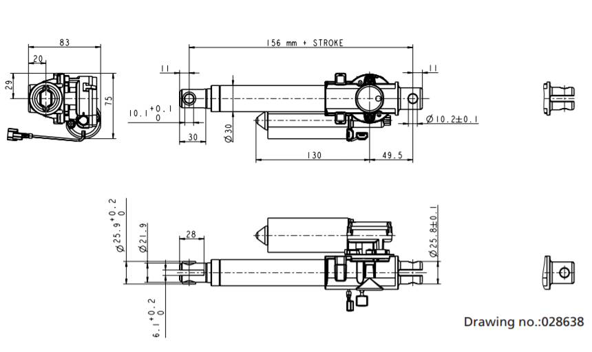
Габаритные размеры линейного сервопривода LA28 Compact


Назад к списку



