Вы здесь
Линейный сервопривод LA30
Многофункциональный линейный сервопривод LA30 с высоким уровнем скорости и мощности. Устройство идеально для медицинского применения, промышленной автоматизации или сельскохозяйственных машин.
Линейный сервопривод LA30 может оборудоваться такими опциями, как встроенный потенциометр для следящего регулирования или дополнительным мощным двигателем (S-типа) для повышения скорости и усилия.
В дополнение к промышленной автоматизации и сельскохозяйственной технике, привод также идеально подходит для позиционирования спутниковых антенн.
- Максимальное осевое усилие: 6000 Н;
- Максимальная скорость: 65 мм/с.
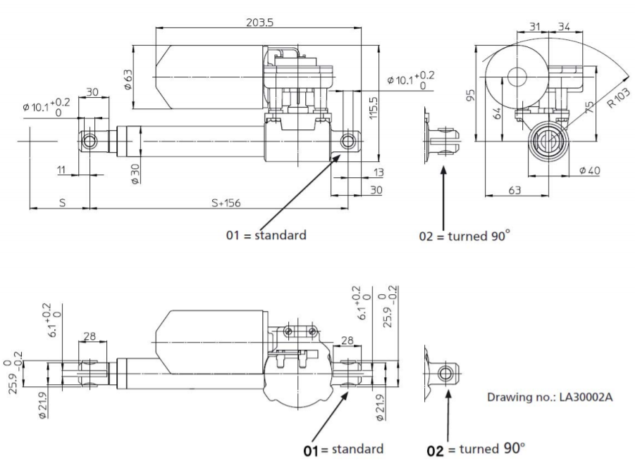
Габаритные размеры линейного сервопривода LA30




