Вы здесь
Линейный сервопривод LA40
Бесшумный мощный линейный сервопривод LA40, который выпускается в версиях с грузоподъемностью 1500Н, 4000Н, 6000 Н и 8000 Н.
Предназначен для широкого спектра применения в сфере медицинского обслуживания и используется в конструкции кроватей для ухода за больными, больничных кроватей, процедурных кушеток, стоматологических кресел и т.п.
Снабженный разъемом для подключения сменных кабелей, актуатор LA40 сохраняет универсальность предыдущих серий и может использовать современные кабели с мини-разъемами.
Приводы имеют моющийся водонепроницаемый корпус округлых форм с классом защиты IPX6 Washable DURA™. Возможность мойки и гибкость монтажа расширяют область применения этого актуатора.
- Максимальное осевое усилие: 8 000 Н;
- Максимальная скорость: 16.3 мм/с.
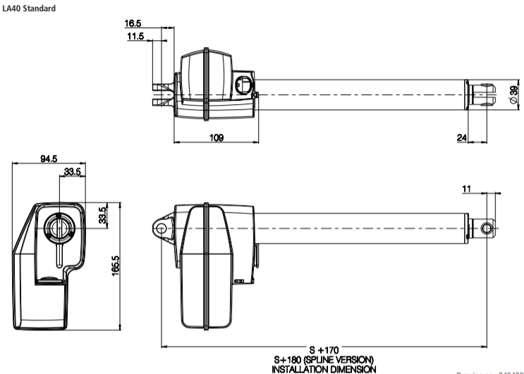
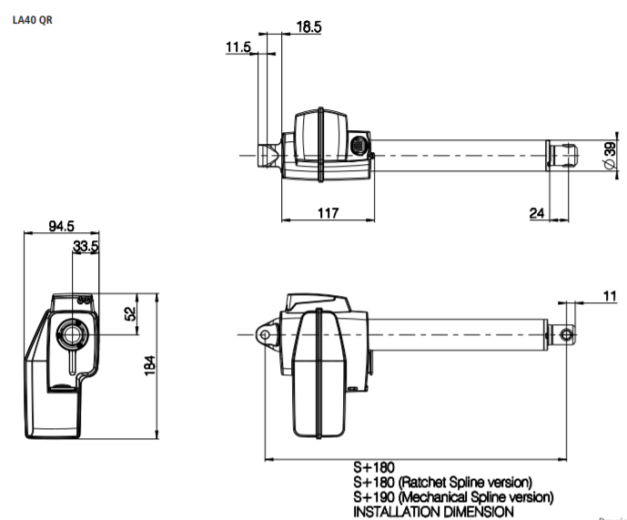
Габаритные размеры линейного сервопривода LA40







