Преобразователи частоты IVD 

Преобразователь частоты IVD предназначен для работы с трехфазными асинхронными двигателями вентиляторов.

В модели IVD использован принцип «подключи и работай».

Управление частотой вращения ручное.

На дисплей преобразователя выводится установленная синхронная частота тока.

Технические характеристики преобразователя IVD

Напряжение питания:

  • Одно - и трехфазное 220 В 50/60 Гц (для моделей IVD751A43A, IVD152A43A, IVD222A43A)
  • Трехфазное 380 В, 50/60 Гц (для моделей IVD372А43А, IVD552А43А, IVD752А43А, IVD113А43А, IVD153А43А, IVD183A43A, IVD223A43A, IVD303А43А)
  • Максимальная длина кабелей от преобразователя до двигателя – 30 м, а более длинные кабели (максимальная длина – 100 м) требуют установки на выходе преобразователя фильтра;
  • влажность – не более 95 % без образования конденсата и обледенения на поверхности изделия;
  • выходная частота - 0,1…50 Гц;
  • температура эксплуатации внутри шкафа: -10 °С…+40 °С;
  • температура транспортировки и хранения: -26 °С …+65 °С;
  • высота установки – 0…1000 м;
  • виброустойчивость – до 0,5 g;
  • степень защиты (по МЭК 70-1) – IP20 (требуется установка в шкафу) класс защиты от поражения электрическим током – I класс (требуется защитное заземление);
  • встроенная защита – от перегрева, короткого замыкания, защита от сверхтоков и блокировка параметров от несанкционированной настройки

Сертификат соответствия РОСС CN.MM05.H00019

  • Запрещено подключать источник переменного напряжения к выходным клеммам (U, V, W) преобразователя частоты.
  • Запрещено устанавливать сглаживающую емкость или иной блок с емкостным сопротивлением к выходным клеммам (U, V, W) преобразователя частоты
  • Запрещено устанавливать коммутационную аппаратуру между преобразователем и двигателем
  • При использовании УЗО его установку производить между питающей сетью и преобразователем
  • После отключения преобразователя перед его повторным включением должно пройти не менее 3 минут.

Размеры, монтаж, предохранители и сечение кабелей

Преобразователи частоты IVD - 1

Габаритно-присоединительные размеры

Преобразователи частоты IVD - 2

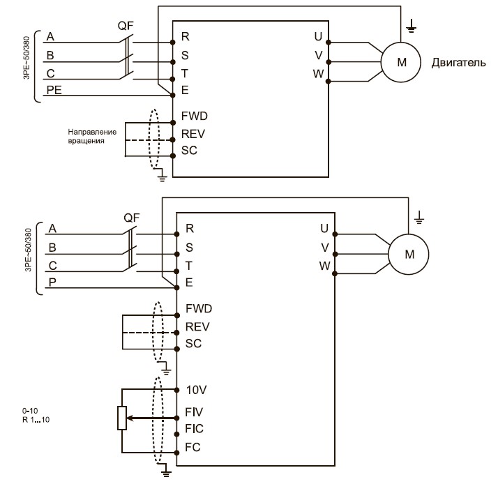
Электрическая схема

Преобразователи частоты IVD - 3

Назад к списку