Вы здесь
Электропривод FSA05S
Электроприводы применяются для управлениями противопожарными клапанами в системах ОВиК.
Технические характеристики


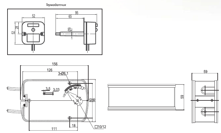
Размеры

Схемы подключения

Склад в Минске: пр. Независимости, 199 (Уручье)
Пн - пт: 08:00 - 18:00
Электроприводы применяются для управлениями противопожарными клапанами в системах ОВиК.






MaxAero © 2026 — промышленное отопление и вентиляция. Промышленные отопительные системы.