Вы здесь
Зональные клапаны ZV-S
Зональные клапаны ZV-S рекомендуется для всех систем отопления и охлаждения, где требуется функция безопасности в случае отключения электроэнергии.
В этом случае возвратная пружина обеспечивает закрытие клапана.
Технические характеристики


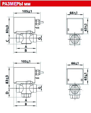
Размеры

Схемы подключения




