Вы здесь
Привод противопожарной заслонки Siemens GGA126.1E/10
Привод противопожарной заслонки Siemens GGA126.1E/10 для двухпозиционного регулирования, номинальный момент 18 нМ, с пружинным возвратом, механически регулируемый диапазон 0...90°, кабели подключения длиной 0,9 м.
Опциональный модуль мониторинга температуры (72 °C) и тест-кнопкой. Специальная версия с фиксированными вспомогательными переключателями для точек переключения 5° и 80°, жесткая связь между приводом и валом заслонки.
Применение
Для управления противопожарными заслонками.
- Номинальный момент 18 Nm для площади поверхности заслонки до 3 м2 (фрикционно-зависимый);
- В случае срабатывания плавкого предохранителя в канале или достижении внешней температуры 72 °C, в противопожарной зоне, а также при сбое электропитания, привод должен переместиться в противопожарное положение (исходное положение).
Технические характеристики
Производитель | SIEMENS |
Площадь заслонки | до 3 |
Напряжение | AC 24 DC 24 |
Крутящий момент | 18 |
Управляющий сигнал | 2-точечный |
Угол поворота | 90° |
Время позиционирования | Открытие с помощью мотора: 90 с, Закрытие с помощью пружины: 15 с |
Потребляемая мощность | 7 ВА, 5 Вт |
Класс защиты | IP54 |
Размеры (Ш х В х Г) | 100 x 264 x 71 мм |
Доп. функции | Дополнительные переключатели Возвратная пружина |
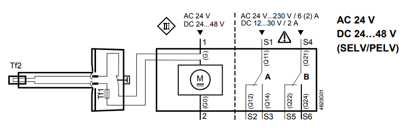
Внутренние схемы
Соединение | Кабель | Назначение | |||
Код | № | Цвет | Сокращ. | ||
Приводы AC 24 V DC 24…48 V | G | 1 | красный | RD | Системный потенциал AC 24 V / DC24…48 V |
G0 | 2 | черный | BK | Системная нейтраль | |
Приводы AC 230 V | L | 3 | коричневый | BN | Линия AC 230 V |
N | 4 | синий | BU | Нейтраль | |
Вспомогательный переключатель | Q11 | S1 | Серый/красный | GYRD | Вход Переключателя A |
Q12 | S2 | Серый /синий | GYBU | Нормально замкнутый контакт переключателя A | |
Q14 | S3 | Серый /розовый | GYPK | Нормально разомкнутый контакт переключателя A | |
Q21 | S4 | черный /красный | BKRD | Вход Переключателя В | |
Q22 | S5 | черный /синий | BKBU | Нормально замкнутый контакт переключателя В | |
Q24 | S6 | Черный /розовый | BKPK | Нормально разомкнутый контакт переключателя В |