Вы здесь
Привод воздушной заслонки Siemens GAP191.1E
Привод воздушной заслонки Siemens GAP191.1E для 2-позиционного, 3-позиционного или плавного регулирования, номинальный момент 6 Нм, при времени работы 2 с, самоцентрирующийся переходник вала, механически регулируемый диапазон 0...90°, кабели для подключения длиной 0,9 м.
Применение
- Для заслонок до 1 м2, с фрикционной зависимостью;
- Для лабораторных вытяжных шкафов, и т.д.;
- Для модулирующих (DC 0...10 В), 2-позиционных или 3-позиционных управляющих сигналов контроллеров.
Технические характеристики
Производитель | SIEMENS |
Площадь заслонки | до 1 |
Напряжение | DC 24 |
Крутящий момент | 6 |
Управляющий сигнал | DC 0...10 V |
Угол поворота | 90° |
Время позиционирования | 2 с |
Потребляемая мощность | 30 ВА, 22 Вт |
Длина кабеля | 0,9 м |
Класс защиты | IP54 |
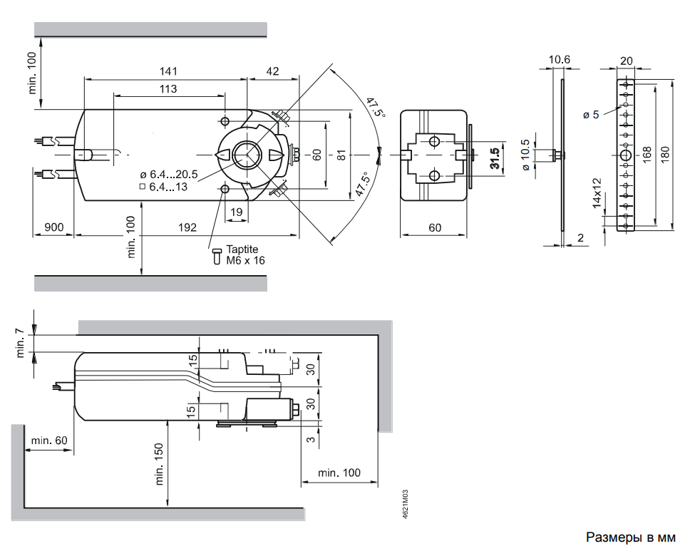
Размеры (Ш х В х Г) | 81 x 192 x 63 мм |
Габаритные размеры
Схемы подключения
Элемент | Кабель | Назначение | |||
Код | № | Цвет | Сокр | ||
Привод 24 В AC/DC |
G | 1 | Красный | RD | Системный потенциал AC 24 В |
G0 | 2 | Черный | BK | Системная нейтраль | |
Y2 | 7 | Оранжевый | OG | Сигнал управления AC/DC 0 В, AC/DC 24 В "закрыто" | |
Y/Y1 | 8 | Серый | GY | Сигнал управления DC 0 (2)…10 В 0 (4)…20 мА или сигнал управления AC/DC 0 В, AC/DC 24 В "открыто" |
|
U | 9 | Розовый | PK | Обр. связь DC 0 (2)...10 В | |
Доп. переключатели |
Q11 | S1 | серый/красный | GYRD | Вход переключателя A |
Q12 | S2 | серый/синий | GYBU | Переключатель A / НЗ контакт | |
Q14 | S3 | серый/розовый | GYPK | Переключатель A / НО контакт | |
Q21 | S4 | черный/красны | BKRD | Вход переключателя A | |
Q22 | S5 | черный /синий | BKBU | Переключатель A / НЗ контакт | |
Q24 | S6 | черный /розовый | BKPK | Переключатель A / НО контакт |
Функции
Функции GAP | ||||||||||||
Индикация положения: Механическая | Положение угла поворота. | |||||||||||
Индикация положения: Электрическая. | Выходное напряжение U =" DC "0...10 В пропорционально углу поворота. U зависит от направления вращения, выбранного DIP переключателем. | |||||||||||
Ограничение угла поворота | Угол поворота может быть ограничен механически с шагом в 5о | |||||||||||
GAP196.1E доп. переключатель | Точки переключения доп. контактов A и B могут быть настроены вручную и не зависимо друг от друга с шагом в 5° от 0 до 90°. |