Вы здесь
Привод воздушной заслонки Siemens GBB336.1E
Привод воздушной заслонки Siemens GBB336.1E для трехпозиционного и плавного регулирования, номинальный момент 25 нМ, самоцентрирующийся переходник вала, механически регулируемый диапазон 0...90°, кабели для подключения длиной 0,9 м.
Типоспецифические варианты с регулируемым смещением и диапазоном для сигнала позиционирования, индикатор положения, потенциометр обратной связи и регулируемые вспомогательные переключатели для дополнительных функций.
Применение
- Для заслонок до 4 м2, с фрикционной зависимостью;
- Для модулирующих (DC 0...10 V) или трехпозиционных контроллеров (например, для заслонок наружного воздуха).
Технические характеристики
Производитель | SIEMENS |
Площадь заслонки | до 4 |
Напряжение | AC 230 |
Крутящий момент | 25 |
Управляющий сигнал | 3-точечный |
Угол поворота | 90° |
Время позиционирования | 150 с |
Потребляемая мощность | 5 Вт |
Класс защиты | IP54 |
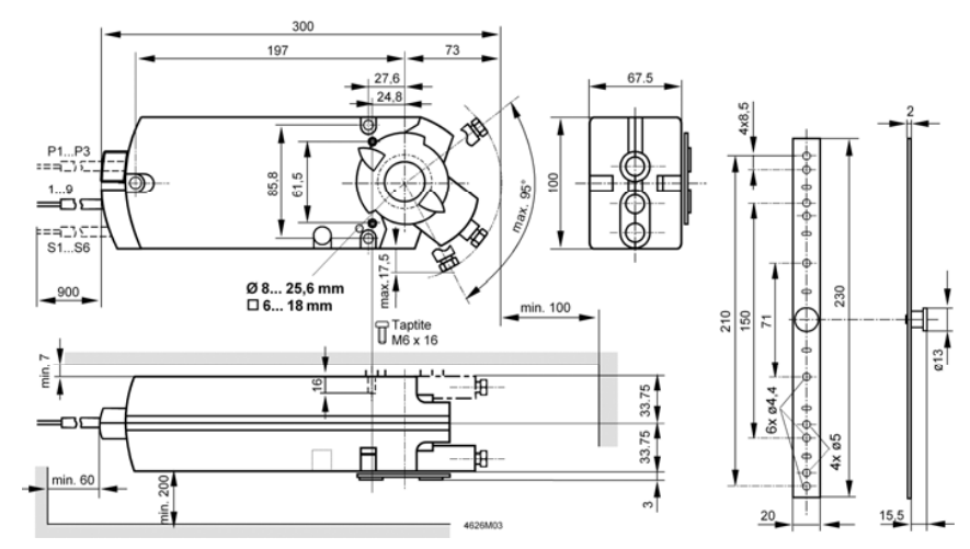
Размеры (Ш х В х Г) | 100 x 300 x 75 мм |
Доп. функции | Дополнительные переключатели |
Габаритные размеры
Схемы подключения
Вывод | Кабель | Назначение | |||
Код | № | Цвет | Сокращения | ||
Приводы AC 24 V |
G | 1 | красный | RD | Системный потенциал AC 24 V |
G0 | 2 | черный | BK | Системная нейтраль | |
Y1 | 6 | фиолетовый | VT | Сигнал AC 0 V, по часовой стрелке | |
Y2 | 7 | оранжевый | OG | Сигнал AC 0 V, против часовой стрелки | |
Y | 8 | серый | GY | Сигнал управления DC 0...10 V, 0...35 V | |
U | 9 | розовый | PK | Индикация положения DC 0...10 V | |
Приводы AC 230V |
N | 4 | синий | BU | Нейтральный провод |
Y1 | 6 | черный | BK | Сигнал AC 230 V, вращение по часовой | |
Y2 | 7 | белый | WH | Сигнал AC 230 V, вращение против часов | |
Концевые переключатели |
Q11 | S1 | серый/красный | GY RD | Вход переключателя A |
Q12 | S2 | серый/синий | GY BU | Размыкаемый контакт переключателя A | |
Q14 | S3 | серый/розовый | GY PK | замыкаемый контакт переключателя A | |
Q21 | S4 | черный/красный | BK RD | Вход переключателя В | |
Q22 | S5 | черный /синий | BK BU | Размыкаемый контакт переключателя B | |
Q24 | S6 | черный /розовый | BK PK | Замыкаемый контакт переключателя B | |
Потенциометр обратной связи |
a | P1 | белый/красный | WH RD | Потенциометр 0...100 % (P1-P2) |
b | P2 | белый/синий | WH BU | Потенциометр средняя точка | |
c | P3 | белый/розовый | WH PK | Потенциометр 100...0 % (P3-P2) |